近年来,无线话筒系统得到了广泛应用,小到家庭,大到专业演出团体,都在使用无线话筒。但生产厂家在销售产品时,一般都不提供电路图,给设备维修带来了一定的困难。笔者对某公司生产的Macsot MR-700型无线话筒系统进行了电路剖析,供读者参考。
该无线话筒系统由发射单元和接收单元组成。具有两路无线信号通道,一路的工作频率为216.4MHz, 另一路的工作频率为240.6MHz(一般无线话筒系统的工作频率在200MHz~260MHz)。每路通道分别配有手持式和领夹式无线话筒,均通过一个接收器接收。在使用时,接收器输出音频信号(如两路同时使用,两路信号的音频部分在接收器内经过混音后从一个插孔输出),经过功率放大电路放大后推动扬声器。本文以其中一个通道(工作频率为240.6MHz)的领夹式无线话筒为例对电路进行剖析。
一、音频信号的压缩与扩展电路
为了减小音频信号在调制和解调过程中的失真和噪声,本无线话筒系统采用了音频压缩与扩展集成电路NE571(功能类似的电路还有NE570、NE575、MC33110等)。该集成电路为16脚双列直插封装,其中集成了两套功能完全相同的电路(通过改变外围电路,既可用于音频压缩,也可用于音频扩展)。NE571的各脚功能如下:1、16脚接整流器电容器,2、15脚为整流器输入端,3、14脚为可变增益单元输入,4脚为接地端,13脚接电源正极,5、12脚为反相输入端,6、11脚接反馈电阻,7、10脚为信号输出端,8、9脚为失真调整端。
音频信号的压缩与扩展就是降低、提升音频信号的动态范围。在本电路的发射单元中,首先对音频信号进行压缩,再利用压缩后的音频信号对高频振荡器进行调制(因为高频振荡器,有一个最佳音频调制电平,电平过大,会导致调制失真,电平过小,噪声又会增加,如不对音频信号进行压缩,信号动态范围过大,就很难掌握这个尺度)。在接收单元中,再对音频信号进行扩展,使声音信号还原。
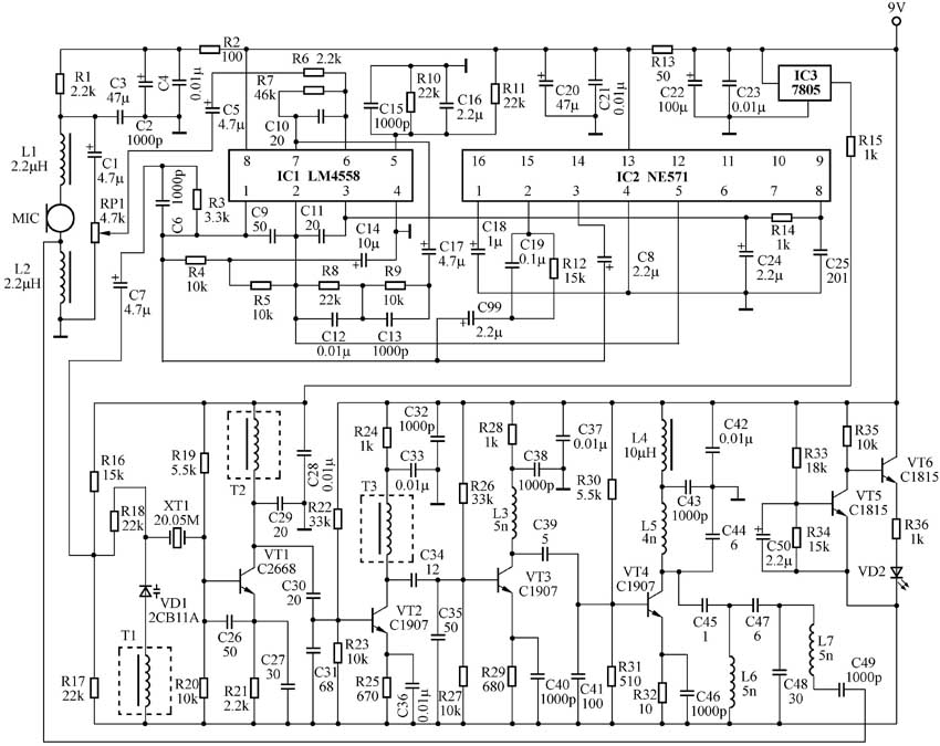
二、发射电路
发射电路如图1所示。

1.音频信号的放大与压缩电路
话音信号由驻极体话筒转换成电信号后,经过音量调节电位器RP1、C5、R6后送入IC1第6脚进行音频放大。IC1的型号为LM4558,是双运放集成电路。5、6、7脚及1、2、3脚分别构成第一、第二运算放大器。1、7脚为输出端,2、6脚为反相输入端,3、5脚为同相输入端,8、4脚为电源正负极。由于本电路为单电源供电,因此由R10和R11分压构成偏置电路,将第一运算放大器的同相输入端5脚电位垫高到1/2电源电压4.5V。这使得输出端7脚的静态电位也为1/2电源电压4.5V,以保证音频信号从7脚无失真输出。C15、C16用以稳定5脚的静态电压。从7脚输出的已放大的音频信号通过两级预加重网络R9、C13及R8、C12对音频信号中的高频部分进行预加重处理,再输入到第二运放的反相输入端2脚。该级运放与IC2一起对音频信号进行压缩处理。
音频信号的压缩过程为:经过第二级运放放大后的音频信号(从IC1 1脚输出),一路通过R3、C6、C7输出到高频振荡级,另一路输出到IC2的2、3脚,IC2内部电路依据输入信号电平来调整可变增益单元的增益,经过可变增益单元处理后的音频信号从IC2的5脚(该脚也是IC2内附加的运放的反相输入端,在本电路中附加运放未利用)输出到IC1的第二运放的2脚。这一过程相当于在IC1第1脚与2脚(即IC2第5脚)之间接入了一个等效负反馈电阻,该电阻阻值的大小随着输入到IC2 2、3脚的电平而改变:电平增大,电阻减小,负反馈增大,电压放大倍数降低;电平减小,则电阻增大,负反馈减小,电压放大倍数增大。这样就提升了低电平,降低了高电平,实现了音频信号的压缩。R4、R5为第二运放的反馈电阻,由于C14将音频信号接地,因此1、2脚之间通过R4、R5只有直流负反馈,无交流负反馈。C14使得来自IC2第5脚的音频信号无法直接输出到IC1的1脚,IC1 1脚的音频信号也无法直接反馈到2脚。IC2的8脚(电平约1.8V)与IC1的3脚通过R14相连,这一方面为IC1的3脚提供了静态偏压,使得该级运放的输出端1脚静态电压约为4V,同时又减小了信号失真(8脚有失真调整功能)。
2.调制电路
本无线话筒系统采用了改进型电容三点式振荡器(克拉普振荡器)作为调制电路,由VT1及外围元件构成。该电路采用基频石英晶体XT1(频率为20.05MHz)作为稳频元件,频率稳定度大于10\(^{-}\)5(而LC自激振荡器的频率稳定度很难做到10\(^{-}\)4),其交流等效电路如图2所示。 其中石英晶体XT1在电路中等效于一个电感; 变容二极管VD1作为调频元件反向接入电路,其结电容随反向偏压而改变,反向偏压小时, 结电容大,反向偏压大时,结电容变小;R16、R17为VD1提供静态偏压,使其工作在最佳工作点; R18可以防止高频与音频信号之间的相互干扰;T1的接入使得调制电路中的等效电感加大,调频波的调制频偏也随之加大,但T1的接入使得振荡器频率稳定度下降,因此T1 的电感值不宜过大,一般在5uH以下。同时T1也用来对振荡器的频率进行微调。VT1的输出回路(包括VT1的输出电容、T2、C29、C30、C31及VT2的输入电容)调谐于60.15 MHz(对于20.05MHz的基频振荡来讲,相当于短路,因此图中未画出)。为了使振荡器的频率稳定,本级采用了稳压供电(由IC3 完成)。
3.高频放大电路
高频放大电路由VT2、VT3、VT4组成,其中VT2的输出回路调谐于120.3MHz,VT3、VT4的输出回路调谐于240.6 MHz,之所以将各放大级调谐于不同的频率,主要是为了防止高频自激,使各放大级工作更加稳定(从表面上看,似乎这样做会使放大效率降低,其实不然)。C31、C35、C41的主要作用是调节各输入、输出级的阻抗,使其匹配,同时也可以对工作频率以上的高次谐波进行滤波。VT4采用双调谐回路,降低杂波输出。C47、C48用以实现发射天线与输出电路之间的阻抗匹配。L7与C49及分布电容组成串联谐振输出电路(抑制高次谐波)。输出级VT4工作于丙类放大状态,一方面可以提高发射效率,另一方面也使得电池电压降低时无射频信号输出(此时VT4截止)。在领夹式无线话筒中,发射器与驻极体话筒之间的软线(一般采用屏蔽线)既用来传送音频信号,又传送高频信号,起到了发射天线的作用(一般将高频信号连接到屏蔽网上),为了防止高频信号对地短路,在屏蔽网与地之间接入了电感L2。
4.电池低电压指示电路
当电池电压低于某一数值时,VT5截止,VT6导通,发光二极管VD2亮,提示使用者更换电池。
(文/李兴海 石廷玉)