创维3T30机芯彩电采用三肯公司型号为STR-F6653的厚膜集成电路组成开关电源,电路简洁,运行可靠。本文简要介绍其工作原理及检修思路。
1.工作原理
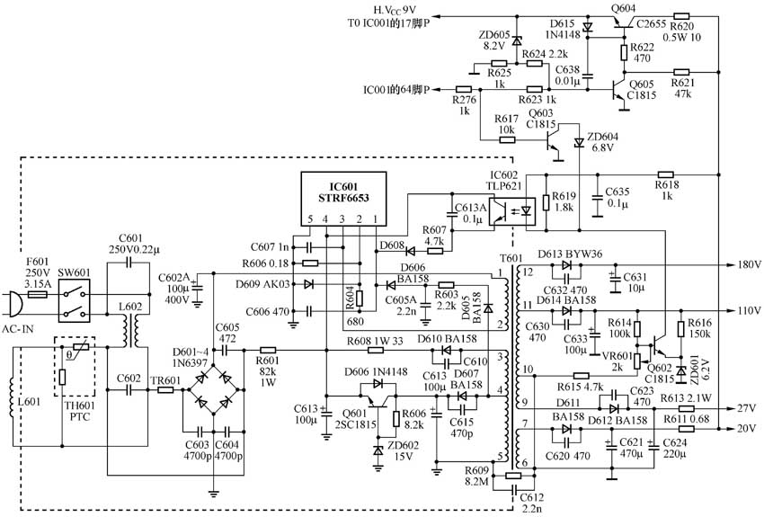
电源部分的电路图如图1所示(图中的元器件符号均同原厂符号)。220V交流电经过保险丝管F601、电源开关SW601和L、C组成的滤波器后,由D601~D604进行桥式整流,C602滤波,得到约300V的直流电压。该电压经开关变压器T601的1、2绕组加到IC601(STR-F6653)的3脚,即场效应管的漏极(见图2)。同时,市电还经R601降压送到IC601的4脚电源端。当IC601的4脚电压达到16V后,IC内启动和振荡电路开始工作,振荡信号经驱动电路加到场效应管的栅极,场效应管导通,整个电源开始工作。电源启振后,开关变压器T601的3、4两脚所接的整流器即向IC601供电,可保证电源在任何工况下都能稳定可靠地工作。
(2)自由振荡过程
IC601内部的场效应管导通后,C1和C2两只电容(见图2)开始充电。当C2两端电压充电到0.75V时,锁存器输出一个脉冲信号,经或门2使场效应管迅速截止,这时C2开始快速放电,并很快放电到零,同时C1也经R1放电。当C1上电压降到1V左右时,场效应管再次导通,C1和C2再次充电,开始一个新的振荡周期,这样形成连续不断的振荡过程。C2的充电过程决定场效应管的导通时间,C1的放电过程决定场效应管的截止时间,它们共同作用的结果决定着IC601的自由振荡周期。实际工作时,场效应管的导通时间还受取样与误差放大电路的影响。在开关变压器的次级,经D611、C621、D612、C624、D614、C633、D613和C631整流滤波后得到20V、27V、110V、180V等整机所需的各路电压,其中20V电压还经三端稳压器7805稳压后给IC001的CPU部分供电。
在开关变压器T601的4、5绕组和IC601的1脚OCP/FB端子间,接有D605、R603、C605、D606和C606等元件组成的延时电路,经IC601内部两个比较器,可使场效应管导通时功耗最小。
(3)稳压过程
取样与误差放大电路由三极管Q602和光耦IC602等元件组成。Q602的发射极接有稳压二极管ZD601,电压是稳定的。当电源输出电压高于额定值时,经R614、VR601和R615分压取样,使Q602基极电位升高,Q602导通程度增强,光耦IC602内两侧元件电流增大,其中三极管部分增大的电流在R604、R606上产生的压降增大,使IC601的1脚电位升高,再经IC601内部的OCP/FB比较器、或门2、振荡器、驱动电路(见图2)等,使场效应管提前截止,从而使输出电压降低。当电源输出电压低于额定值时,通过相反的控制过程使输出电压恢复正常。调整VR601可获得适当的输出电压值。
(4)待机控制
当IC001的64脚POWER端为低电平时,三极管Q603和Q605基极都是低电平,这时Q603截止,不影响电源正常工作。Q605截止,其集电极为高电平,Q604饱和导通,它的发射极输出+9V电压,向IC001的17脚提供小信号处理电路的电源。当IC001的64脚为高电平时,一方面使Q605饱和导通,Q604截止,切断行场扫描小信号处理电路的+9V工作电源,同时Q603也饱和导通,使光耦IC602中的发光管又增加了一条电流通路,即经ZD604和Q603到地,使电流增大,光耦中三极管电流同时增大,IC601的1脚电位升高,使IC601处于间歇振荡状态,即待机状态。
(5)过压保护
IC601的4脚输入的电压除了作为工作电源外,还是过压保护的取样电压。当该电压超过22.5V时,过压保护电路启动(见图2),它给或门1一个信号,经或门1送入锁存器,再经或门2使振荡器停振,场效应管截止,电源停止工作,起到过压保护作用。
(6)过热保护
当IC601内部的过热检测器件检测到温度超过150℃时,立即启动工作,并向或门1送出控制信号,然后经过与过压保护相同的控制过程使振荡器停振,实现过热保护功能。
2.检修思路
当电源没有电压输出时,首先要检查整流滤波后的300V电压是否已送到厚膜集成电路IC601的3脚,接着检查厚膜电路的4脚(16V启动电压),都正常时则应检查保护电路是否动作。当R606变值增大时,过流保护会误动作,应予更换。测量厚膜集成电路的4脚电压,若达到22.5V,则会过压保护。这时应检查市电输入电压是否过高,稳压管ZD602是否开路,三极管Q601的c、e极是否击穿短路,这两个元件中的任何一个损坏都会使4脚电压升高而导致过压保护。IC601内场效应管的电流通路应通畅,若R606开路,则电源不能工作。
如果电源输出电压过高,应怀疑取样放大电路Q602、电位器VR601、光耦IC602和厚膜IC601的反馈回路元件有无异常。IC602的引脚较少,价值较低,当其性能难以判定时可更换试之。电源输出电压较低则应重点检查IC601和IC602等元件,还应检查VR601是否调整失常。
(文/杨德印)
