目前国内的彩色电视机基本上采用国际标准电压合成式高频头。该高频头的核心元器件是飞利浦公司生产的TDA5736M芯片,它集本振、混频、放大等功能于一体。经变容二极管与电感L选频、超小型贴片式双栅极场效应管放大后的TV高频信号,由5脚(UHF频段)、6脚(VHF-L频段)或7脚(VHF-H频段)输入到TDA5736M芯片内部。本振LC谐振频率由18、21、22、24脚得到UHF频段,21、23得到VHF-L频段,16、17、19得到VHF-H频段。在IC内部的混频器将输入的TV高频信号与本振信号频率混频,输出中频信号,图1所示的是典型产品TDQ-BVSD高频头。

下面简述各部分电路的作用:
1.输入回路
由天线插口进入的TV高频信号,先通过由L1、L2和C1组成的π型高通滤波电路,如图2所示。带通频率从48MHz到900MHz,以防止工业高频(工频)及无线电通信信号的干扰。由C2和L3组成并联谐振电路(中频陷波器),谐振点频率为38.0MHz,用以抑制中频信号的干扰。C3为隔直传输电容,由图1可见,L25、L16、L4为传输各自频段的高频TV信号,同时隔离其他频段信号,并可防止静电脉冲窜入,以免损坏高频放大场效应管的栅极绝缘层。
2.输入调谐回路
输入调谐回路对输入信号进行选频及阻抗匹配,使输入信号的反射影响最小,达到最大输入的目的。现以VHF-L频段为例(见图2)作一介绍。L26、R26、VD10、VD11、C39、R27、R28组成VL频段的输入调谐回路,主谐振LC是L26和VD10的反偏结电容,VD10反偏电压在0.5V~25V(+30V)之间变化。主谐振电路的频率在48.25MHz~170MHz变化,R26(10Ω)是用以展宽通频带,降低谐振回路的Q值。C39(1nF)是高频旁路电容,R27、R28为调谐电压TU的传输隔离电阻。VD11变容二极管随着TU电压的上升,其反偏结电容随之减小,使整个频段内传输系数近于相等。C41为高频传输电容,具有隔直作用,通过C41将已调谐选频的TV信号传输到高频场效应管V3的第一栅极(G1)。
3.高频放大电路
目前彩色电视机的高频调谐器的高放管,基本上都采用超小型贴片式双栅极场效应管。这是因为双栅极场效应管具有高输入阻抗、高跨导、低噪声系数、低反馈电容、大动态工作范围、良好的AGC特性及交叉调制小等优点。
高频放大采用的N型沟道双栅极场效应管(型号:BF909R),第一栅极G1接输入信号,称为信号栅极。另一控制栅极G2接RF·AGC直流控制电压,用以控制FET的源极S和漏极D之间的N型沟道宽窄。RF·AGC直流电压越高,N型沟道越宽,FET的跨导越大,高频TV信号的电压增益就越高。
高频调谐器各频段的接收是以切换各频段高放级供电来实现的。超级芯片TDA9383/80的10、11两脚输出的逻辑电平,控制高频头的4、5两脚,而由高频头内部2/4位逻辑开关分别提供给UHF、VHF-H、VHF-L电源电压(+5V),到UB、HB、LB端子。
4.高频放大级输出调谐回路
高频TV信号通过高放管之后,由其漏极输出至双调谐选频回路(见图2)。该电路的主要目的是选择输入信号的频率点,使输入的TV信号在要求接收的频道位置、幅度尽可能达到最大,在带宽内要求平坦,各方面电性能尽可能最佳。图1中VD2、VD3、VD7、VD8、VD12、VD13都是变容二极管,其中VD2和VD3工作在UHF频段,VD7和VD8工作在VHF-H频段,VD12和VD13则工作在VHF-L频段。它们在各自阴极的调谐电压TU变化时,反偏电容值随之变化,反偏电压越高,反偏势垒电容越小。
5.混频器电路
被调谐选频到的高频TV信号,得到约40dB的增益(最大值),与本振电路所产生的单一频率的本振信号在IC内部混频器进行混频。用超外差方式产生差拍信号,即本振信号频率-TV高频信号频率=TV中频信号频率,而TV中频信号严格等于国家规定的标准TV中频被调信号, 其频率为38.0MHz。 -3dB带宽为6.5MHz(38.0MHz至31.5MHz频率范围内衰减小于-3dB),顶部平坦,距峰点衰减小于-1dB。
如果输入信号频率或本振频率产生漂移,则输出TV中频信号的频率点必然会偏离标准中频信号值。此时在超级芯片TDA9383/80内部锁相环鉴相器将产生自动频率控制电压,使内部调谐输出的PWM信号进行跟踪。由TDA9383/80的4脚输出的微调“调谐脉冲信号”,使输入调谐回路和本振回路的谐振频率同步“微调”,以保证输出的中频TV信号恢复到标准值(38.0MHz)。因此目前生产的彩色电视机的调谐电路,已取消了传统的AFT(自动频调微调)外围电路,这比仅仅调整本振谐振频率实现跟踪效果要好得多。
6.本振调谐电路
VHF-L、VHF-H、UHF三个频段都有各自的本机振荡器(本振)电路,集成在IC(TDA5736M)内部。本振的振荡器仍采用克拉柏式,外围保留三组独立的本振选频回路(见图3);VD15、VD9、VD4为三个频段本振的调谐变容二极管。L32、L24、L14和L15为三个频段的本振调谐电感。TU电压的变化(0.5V~30V),通过R38、R9、R36、R21接三只本振变容二极管的阴极。调谐时变容二极管的反偏电压变化,则变容二极管反偏势垒电容随之变化。随着调谐电压增高,变容二极管电容值减小,与电感L并联的谐振频率将增高。三组本振电路频率覆盖值分别为:VHF-L频段(87.75MHz~198.25MHz);VHF-H频段(206.25MHz~494.25MHz);UHF频段(509.25MHz~901.25MHz)。频率覆盖系数在三个频段内相近,略大于或近于2。
为达到上述频率覆盖的目的,本振谐振回路的变容二极管与电感、电容采用不同形式的串联、并联连接。
7.自动增益控制电路
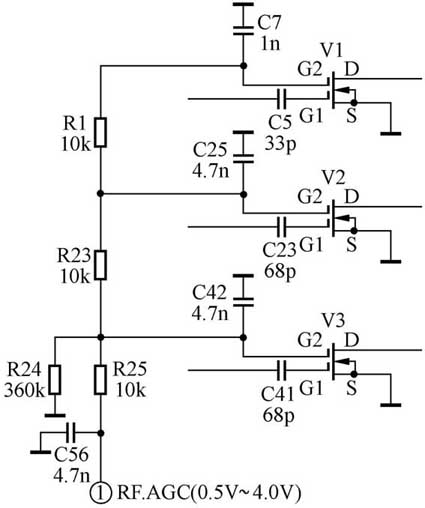
由于从天线输入的各TV高频信号幅度不同,为了尽可能接收到更多清晰的电视节目,高频头内的高放管必须采用自动增益控制电路,一般用“RF.AGC”表示,以区别于中频放大中的IF.AGC电路。由图4中可以看出:三个频段的高放双栅极场效应管,其第二控制栅极G2与高频头1脚(RF.AGC)通过电阻R25、R23、R1分别连接。R24为“栅漏”电阻,由于栅极绝缘电阻极高,可达到109Ω,R24可泄放在栅极上积累的电荷。RF.AGC直流电压在R25、R23、R1上压降极小,可以忽略。R24阻值较大,分压比也小,对直流控制的AGC电压影响不大。C7、C25、C42和C56为去耦电容,使接入G2的直流控制电压免受交流信号的干扰。RF.AGC控制电压的控制范围为0.5V~4V,受控增益量VHF频段为40dB、UHF频段为35dB。

双栅极场效应管G2的控制电压越高,N型沟道越宽,跨导增大,增益就越大。因此,输入的TV高频信号越强,RF.AGC的电压就应该越小,反之,信号弱则RF.AGC电压就越高,所以称之为“反向AGC”。
(文/李海)