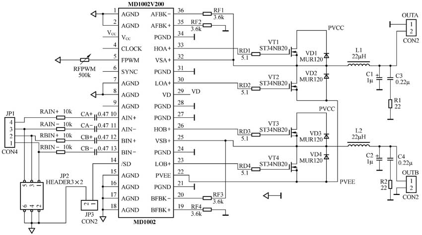
新型大功率数字功放MD1002V200
MD1002V200是迪奥特数字技术开发有限公司(网址:www.diaut.com )研制的双声道数字音频功率放大器调制与驱动级模块。
特点:
全平衡式输入,双声道单端/单声道桥接输出;全频带响应;双功率电源,宽工作电压范围;50ns死区时间;主/从方式多模块PWM频率同步控制;全N沟道MOSFET驱动;THD+N与功率:1%@250W,8Ω(供电电压=±75V);效率高达92%(250W,8Ω,供电电压=±75V)。
应用范围:
MD1002V200适用于专业功率放大器、大功率有源音箱放大器、车载功率放大器等大功率、高效率的电声产品中。
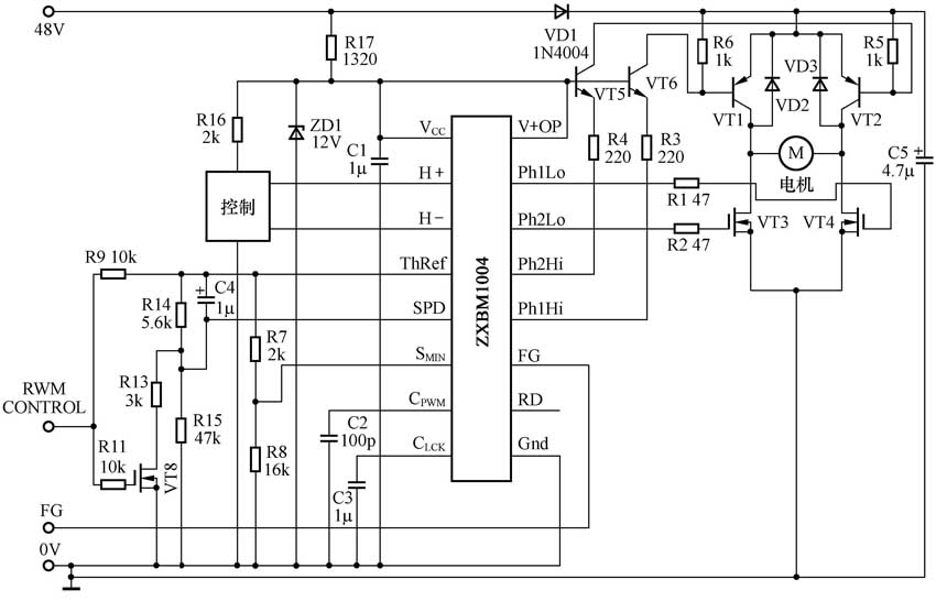
可变速无刷电机驱动控制芯片ZXBM1004
ZXBM1004是Zetex公司(网址: http://www.zetex.com )推出的电机前级驱动集成电路(Pre-driver IC),可以为单相无刷式直流风扇及吹风机提供可变转速功能。
特点:
ZXBM1004能全面兼容NTC电热调节器、电压及脉宽调制 (PWM) 输入信号,能提供温控变速,驱动功率高达100W的单相电机。ZXBM1004 还能设定电机的最低转速,避免风扇转速太低。与其他固定转速的产品相比,ZXBM1004能明显减少元件数量、降低噪音和功耗。
控制器能分别发出两个诊断输出信号——脉冲转速和锁定转子警报信号。ZXBM1004能针对锁定转子情况,设置相位驱动输出到安全模式,保护晶体管组及电机线圈。
应用范围:
ZXBM1004适用于在个人电脑风扇、大型电机及其他强制通风冷却系统(Forced Air-cooling)中应用。
低待机功耗开关电源控制电路FSDM0365RN
FSDM0365RN是飞兆半导体公司(Fairchild Semiconductor, 网址: www.fairchildsemi.com)生产的全新功率开关(FPSTM)产品。
特点:
FSDM0365RN具备低待机功耗和优异的EMI特性,能提升视频系统应用的性能。符合国际能源机构(IEA)的“1瓦倡议”要求,内建集成式高压启动稳压器,再结合飞兆半导体先进的突发模式待机运作来实现低待机功耗。
FSDM0365RN采用频率抖动调制来抑制EMI。FSDM0365RN内部将一个用于电流感应的额定雪崩值SenseFET (最小击穿额定电压为650V)与一个电流模式PWM IC结合,可将外部组件数量减至最少、简化设计并降低设计成本。
FSDM0365RN采用无铅8脚DIP封装。能达到或超越联合IPC/JEDEC的J-STD-020B标准要求,并符合将于2005年生效的欧盟标准。
应用范围:
FSDM0365RN适用于个人电脑、液晶电视机、液晶显示器、电视机待机电源等电路中。

