编者按:数码语音电路在经历了近十年的迅速发展之后,目前已经成长为集成电路“家族”中独树一帜的一支生力军,它在智能化电子电器产品乃至整个电子领域中,正发挥着越来越重要和不可替代的作用。/
多元化、系列化、智能化、人性化、模块化、微型化,是数码语音电路的六大显著特征。可程序化IVR语音电路、掩膜型ROM语音电路和可编程MCU语音电路,则是支撑着整个数码语音电路的三大主流产品。
本刊连载的《实用新型语音电路讲座》,将突出新颖性与实用性,并紧紧扣住数码语音电路主流产品,从新器件和实用电路入手,循序渐进地为读者解读各种数码语音电路的原理与应用。我们选择了《APM50系列可编程智能数码语音电路组件》作为本讲座的开篇,这是因为APM50型语音组件属于2004年最新推出的语音电路产品。APM50组件的诞生,标志着数码语音电路的一次革命性跨越,它开创了数码语音电路的新纪元!
我们殷切希望广大的读者朋友们,通过对本讲座中每一个应用实例的学习与实验,再结合自己的工作实际,并采取融会贯通和举一反三的方法,努力在各自的应用领域里,进一步完成对数码语音电路的再学习过程。相信大家一定会有非常好的收获。同时衷心欢迎广大读者能及时对本讲座提出宝贵意见和建议,以便我们及时对后面的讲座内容进行调整。
APM50系列数码语音电路组件是2004年最新开发的智能语音产品,它是可编程单片智能语音播放电路,不但其音质、价格均优于著名的ISD单片语音电路;开发设计简单度、智能控制的简单度、整体性价比等指标亦胜过ISD语音电路。如果用量超过1万片,可以原样投产掩膜片,价格更低至1/5~1/10。可以说,该组件连同具有USB计算机接口的APM50语音编程开发系统一起,开创了数码语音电路的新纪元,它是智能语音电路的一次质的飞跃。
该组件由专用的语音单片机和FLASHRAM存储器集合构成,它从几秒到200秒,具有多段直接语音播放功能,更有单片机可编程的智能特性,大规模复杂电路已经缩微到只有COB28封装(18×36mm)的印制板上,可以方便地作为DIP28封装的标准集成电路来使用。
一、APM50系列语音电路组件特点及引脚功能
(1)使用上可以和普通音乐片一样简单方便;
(2)FLASHRAM结构,可以反复擦写录入,寿命在1万次以上;
(3)电源电压3~6V, 静态电流1μA,工作电流50mA;
(4)直接驱动 8Ω/0.5W的扬声器;
(5)全系列、多规格、可互换,开发系统共享;
(6)录制的语音可分1~8段或128段;
(7)自带八个输入端口,九个输出端口,功能均可由用户自定义;
(8)开发系统采用最新的USB计算机接口;
(9)开发用的计算机软件系超智能傻瓜图形设计,外行也能使用;
(10)配合编程软件可以开发出并行、串行、智能型等多种控制模式;
(11)开发系统支持用户对本组件在线编程(ISP);
(12)音质比著名的ISD产品要好;
(13)最小系统的外围电路只需一只振荡电阻和一只电源滤波电容;
(14)有20/30/40/50/100s~200s多个时间挡可选;
(15)完成开发和试验生产后,直接用源文件投产掩模芯片,电路设计、音质效果、功能、性能不变。APM50系列组件的型号及功能如表1所示。APM50引脚功能如表2所示。


注: APM50的电源电压一般为3~6V; 振荡电阻上拉到正电源, 一般取值240kΩ(8kHz取样时的标准值是255kΩ); 任何扬声器端严禁接地或串接扬声器后直接接地或接正电源;APM50板上可以焊接两个器件:0.1μF滤波电容,240kΩ振荡电阻,可选立式插件形式,也可选贴片器件,装上后,外部不需要再装。
二、APM50应用电路
APM50的典型应用电路如图1所示。八段语音并行或智能控制输入、九个LED控制输出,S1~S8单键对应单段或组合的多段,可选循环/电平/边沿触发等功能,九个LED端口可实现智能输出。
APM50的最小应用系统电路如图2所示,这种电路中只有单段单灯,或单键顺序多段,负载振荡电阻及滤波电容。
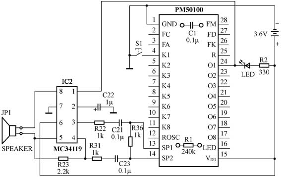
APM50外接功放应用电路如图3所示。图3电路中,MC34119(0.5W)带自动关断功能,只在有声音时工作,平时省电。APM50的任一扬声器输出端严禁接地或串接扬声器后直接接地或电源。
4.APM50在线编程(ISP)应用电路
APM50在线编程(ISP)应用电路如图4所示。APM50的ISP在线编程接口需要另接专用编程设备(包括APM50编程器)。
5.APM50的标准串行控制电路
APM50的标准串行控制电路如图5所示。此时须由外部单片机接口发串行指令控制放音的段号,段数最大128段,为语音组合专用。如报温度、报数、语音辞典等。
在串行模式下,K5、K7端连接的按键就赋予了特殊的演示和测试功能,K5端每按键一次即顺序播放一段,可以逐段听取所有段的语音内容和效果;K7端每按键一次,即按顺序连续播放八段的语音,以便听取语音组合时的合成效果。另外,K2端如果接按键,可以作为测试时的复位端使用。
在串行模式下最大可分128段。K1为数据端,K2为时钟端,O1为忙信号端。时钟上升沿时数据端有效。语音段的地址为80H~FFH,第一段的地址是80H,按顺序排列,最多128段语音。外部单片机直接送入要放音的段号数据,播放结束时,APM50的忙信号拉低,在判断一段语音结束时,外部单片机再送下一段语音的段号。单片机控制时序图如图6所示,K2时钟在10Hz~100kHz内均可。
6. APM50的级联串行控制电路
APM50的级联串行控制电路见本期配刊光盘的“本期图片”文件夹。使用级联串行编辑时,可以扩充多个APM50S100达到更长秒数。
编者注:本文的配文广告见本期 第71页广告。
(文/王南阳)


