TSH511/TSH512是ST公司(网址: http://www.st.com/ )生产的红外线立体声耳机收/发专用芯片。其中TSH512是发射芯片,TSH511是接收芯片。TSH511/ TSH512都采用尺寸为10×10mm的44脚TQFP封装,电源电压范围为2.3~5.5V,可采用两节(1.5V)电池供电。
TSH512和TSH511分别内置两个FM发射器和接收器,载波频率范围从0.4MHz到11MHz。两种芯片的待机控制脚(STAND-BY)能使其中的一个发射器(TX2)和接收器(RX2)关闭,从而在单声道应用中可以节省电源消耗。
TSH511/TSH512的典型工作电流为9.5mA(单声道)、15mA(立体声),输出信噪比为58dB,总谐波失真THD=0.6%(典型值),故很多生产厂家用其来设计高保真红外线立体声耳机。
发射电路
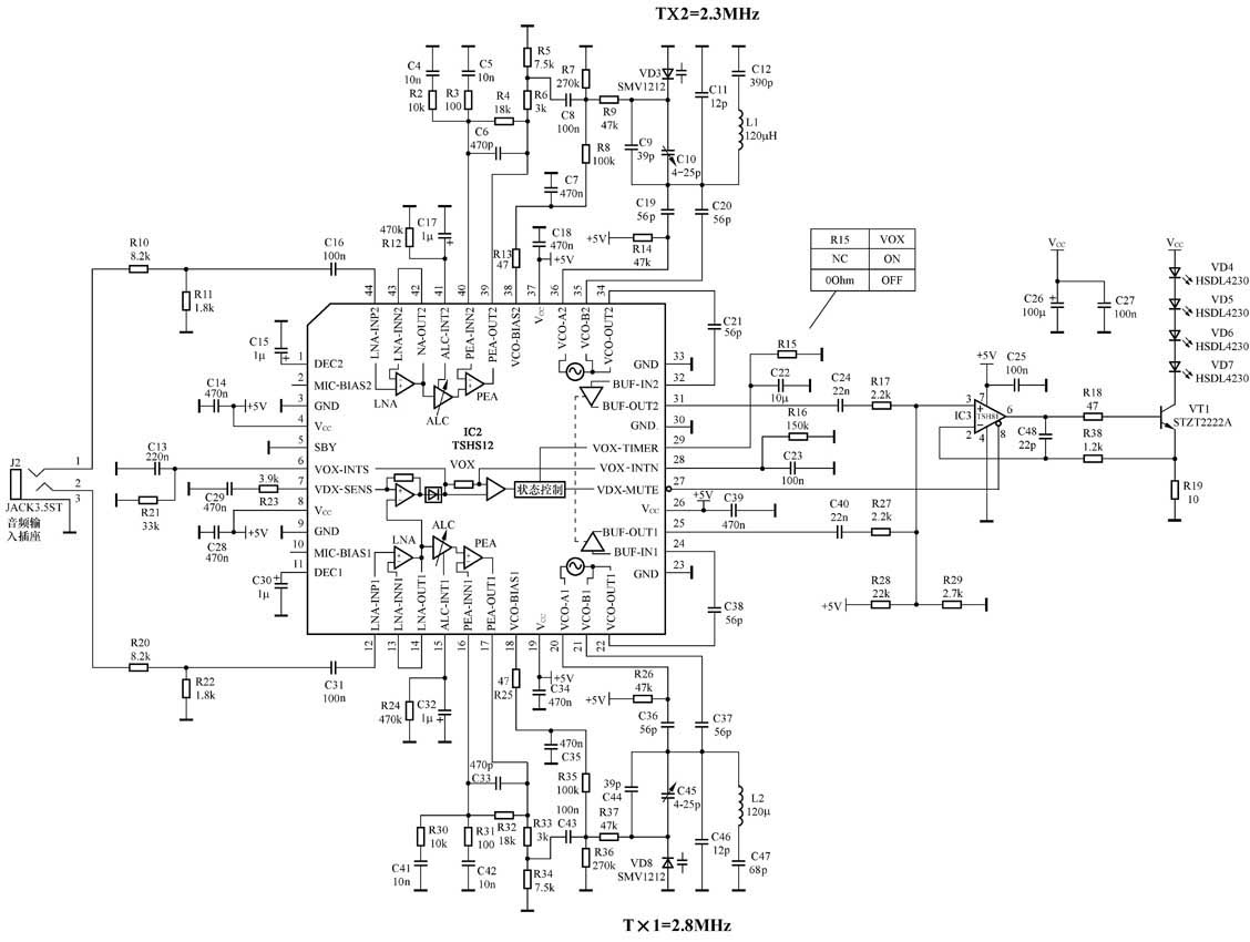
由TSH512组成的红外线立体声音频发射电路如图1所示。TSH512中每个发射器(TX1和TX2)的低噪声放大器(LNA)可以直接连接输入源或麦克风,内部逻辑放大电路的增益从0dB~40dB。

TSH512的第12和第44脚为外部音频信号输入端。为限制过调制和在非常高的信号幅值上的畸变,经内部逻辑放大电路放大的信号先经过自动电平控制(ALC)电路,然后再进入后级运算放大器进行预加重(PEA)处理。变容二极管VD8、VD3分别对17、39脚输出的预加重后的音频信号进行频率调制。20、21、35、36脚外围元器件以及VD8、VD3组成LCD谐振网络,对左右声道发射电路的载波频率进行控制。
变容二极管VD8、VD3及压控振荡器(VCO)外部元件的偏置由18、39脚输出的内部参考电压(VCO-BIAS)提供。
进行频率调制后的音频信号分别从25、31脚输出,在IC3中混合后从其6脚输出,由NPN晶体管VT1驱动红外线发光二极管将含有音频信号的载波(2.3MHz/2.8MHz)发射出去。
TSH512的29脚为声控发射(VOX)功能启动/关闭控制端。当该脚为高电平(通过一个小电容接地)时,声控发射电路启动,此时,当有音频信号出现在背景噪声上面时,能自动进行检测:有音频信号时,电路正常工作;没有音频信号时,可使输出缓冲器截止,以节省电池消耗。当该脚为低电平(接地)时,声控发射(VOX)功能关闭,此时无论有无音频信号输入,TSH512内部电路均正常工作。
TSH512的5脚为单声道/立体声切换控制端。当该脚接地时,TSH512工作在立体声状态,两个发射器均正常工作;当该脚接正电源时,TSH512工作在单声道状态,此时,第二个发射器TX2截止,只有第一个发射器TX1工作,从而减小电源消耗。
接收电路
TSH511是与TSH512配对使用的接收电路,由TSH511组成的红外线立体声音频接收电路如图2所示。
TSH511内置两个0.4~11MHz的FM接收器(RX1和RX2),每个接收器都由低噪声放大器(LNA)、中间缓冲放大器、电压限制器、正交解调器及音频缓冲放大器等电路组成。
光电二极管VD2~VD5接收到的RF信号直接进入TSH511的6脚内部的22dB放大器进行放大。放大后的信号分别经过带通或带阻滤波器输入到RX1和RX2的中间缓冲放大器。经中间缓冲放大器放大20dB后的信号通过外部带通滤波器F1、F2(RX1=2.8MHz,RX2=2.3MHz),从14、42脚输入到内部60dB电压限制器。限制器输出信号为解调器提供一个恒幅信号,从而减小了FM解调器中的AM寄生解调。FM解调器在外部连接LC槽路(由16、18和38、40脚外围电路组成),该谐振槽路被调谐到接收频率上。解调的信号在经过17、39脚外接电容器去加重后再进行音频缓冲器放大,然后分别从26、30脚输出可以驱动耳机的音频信号(在16Ω负载时,可以提供约20mW的功率)。
TSH511的31、32脚为立体声/单声道切换控制端:当这两个引脚都接地时,TSH511工作在立体声状态;当这两个引脚均接正电源或32脚接正电源、31脚接地时,TSH511工作在单声道状态,此时RX2电路截止,从而减小了电源电流消耗。
TSH511内部还内置有噪声抑制电路,可消除在音频输出上的噪声。当25脚为低电平时(通过一个小电容接地),噪声抑制电路启动,此时,当有音频信号出现在背景噪声上面时,能自动进行检测,电路正常工作;在没有音频信号时,可使输出缓冲器截止,以节省电池消耗。当25脚为高电平时,噪声抑制功能关闭,此时无论有无音频信号输入,输出缓冲器均正常工作。
TSH511第23脚外接电位器RP2为噪声抑制峰值调整电位器,调整该电位器的阻值,可以改变抑制噪声的临界点。
(文/赵理科 辛然)