开关式稳压电源的效率高,但输出的纹波电压也高(mV级);线性稳压电源效率低,纹波电压也低(μV级)。不少仪器、仪表考虑到电路对纹波电压的要求采用了线性稳压电源。近年来,开发出不少低压差的线性稳压器IC,它提高了效率,满足了使用的要求。
笔者为便携式电子产品设计了一个低电压、低压差的线性稳压电源。
电路工作原理
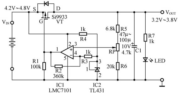
低电压、低压差线性稳压电路如图1所示。该电路由功率MOSFET(VT)、运算放大器(IC1)、基准电压源(IC2)、电阻分压器(由R5、RP及R6组成)、输出电容C1及电源指示器LED等组成。

该电路的稳压工作原理:
如果输入端V\(_{IN}\)下降或负载电流增大而使输出电压V\(_{OUT}\)降低,则通过R5、RP、R6组成的分压器使RP中心头的电压降低,即输入运算放大器同相输入端(脚)的电压降低,运算放大器反相端(4脚)电压不变,则运算放大器的输出(1脚)电压降低(即R1上的电压降低),作为调整管的-V\(_{GS}\)增加,使P管的R\(_{DSCON}\)下降,从而使P管的-V\(_{DS}\)降低,则V\(_{OUT}\)增加(V\(_{OUT}\)=V\(_{CC}\)-|V\(_{DS}\)|)。
这个稳压过程可简化为:
V\(_{OUT}\)↓→电位器中心头电压↓→运放输出电压↓ → P管的-V\(_{GS}\)↑→R\(_{DS(ON)}\)↓→-V\(_{DS}\)↓→V\(_{OUT}\)↑。
同样的道理,若V\(_{OUT}\)升高,通过反馈作用又会使V\(_{OUT}\)下降,使输出电压稳定在一定范围内。
只要运算放大器的输出有足够大的幅值,就可以控制调整管(P管)的-V\(_{GS}\)变化,使它的-V\(_{DS}\)有足够大的变化,它可在相当大的负载电流变化及输入电压变化时获得较好的稳压性能。由于在-V\(_{GS}\)足够大时,它的-V\(_{DS}\)可达毫伏级,故可获得极低的压差,同时获得极高的效率(另一个原因是,它不像双极型晶体管作调整管需要较大的驱动电流), 这是该电路最大的特点。
性能指标
该稳压电源为便携式电子产品设计,采用电池供电:可采用1节锂离子电池(额定电压3.6V,最高电压4.2V)、3节碱性电池(额定电压4.5V,最高电压4.8V)、4节镍镉或镍氢电池(额定电压4.8V、最高电压6V)。采用锂离子电池的输出电压为3.3V,采用碱性电池的输出电压3.3V或3.6V,采用镍镉或镍氢电池的输出电压为3.6V; 或者在3.2V~3.8V范围调节。
输出电流可达1A(若加尺寸较大的散热片可达1.2A);在1A输出时最大压差小于150mV;最大效率可达95%。
元器件选择
本电路为便携式设计,所以全部采用贴片式元器件。若不需要作可调电压输出,则在作输出电压调整后,R5、RP及R6组成的分压器可由两个分压电阻代替,省去电位器RP。
TL431是可调输出基准电压源,有穿孔式TO-92封装、贴片式SOT-89及SOT-23封装,如图2所示。当1脚与3脚连接,输出电压V\(_{Z}\)=V\(_{REF}\),V\(_{REF}\)的典型值是2.495V,其最小值是2.47V,最大值是2.52V,如图3(a)所示。R为限流电阻,流过器件的电流一般取0.5~2mA,所以R为:

R=(V\(_{IN}\)-V\(_{Z}\))/(0.5~2
若作可调整输出,如图3(b)所示。输出电压VZ与R1、R2的关系为:
V\(_{Z}\)=V\(_{REF}\)(1+R1/R2)VREF可按2.5V来计算。限流电阻计算与上相同。
LMC7101是一种低功耗、输入及输出满幅值(接近电源电压)、工作电压低(最低工作电压2.7V),最大工作电压15V、高共模电压(包括V+及V-)的运放。小尺寸SOT-23-5封装,其管脚排列如图4所示。这里采用它主要是输出电压幅值大,并且尺寸小、功耗低(工作电流典型值0.5mA)。
Si9933是内部有两个P沟道功率MOSFET的器件,这里将它并联使用,以减小其导通电阻。Si9933的管脚排列如图5所示。它的主要极限参数为: -V\(_{DS}\)=20V; -V\(_{GS}\)=12V; -I\(_{D}\)=3.4A; P\(_{D}\)=2.0W。在-V\(_{GS}\)=4.5V时,R\(_{DS(ON)}\)最大值0.11Ω;在-V\(_{GS}\)=3V时,R
\(_{DS(ON)}\)=0.15Ω。
测试及测试数据
按图1搭了个实验电路,用图6的测试电路进行测试(采用0~30V输出可调稳压电源来代替电池)。图中用LDO表示图1电路,用31/2位数字表测电压。
V\(_{IN}\)输入4.50V, 调RP, 使V\(_{OUT}\)=3.60V。调V\(_{IN}\), 使V\(_{IN}\)=6.50V,V\(_{OUT}\)=3.62V, V\(_{IN}\)从6.50V降到3.60V,其对应的V\(_{OUT}\)值如表1所示。从表1可看出:即使V\(_{IN}\)降到3.60V时,输出仍有3.59V(相差仅0.01V)。

2.有载情况
⑴R\(_{L}\)=10.4Ω,V\(_{IN}\)=4.2V,测V\(_{OUT}\)=3.60V。R\(_{L}\)不变,降低V\(_{IN}\),使V\(_{OUT}\)=3.50V,测V\(_{IN}\)=3.54V。输出电流IR=V\(_{OUT}\)/R\(_{L}\)=3.50V/10.4Ω=0.336A。在输出额定电压3.6V降了0.1V(100mV)时,压差=3.54V-3.50V=0.04V。即输出电流在336mA时,其压差仅40mV (在V\(_{OUT}\)降低100mV的值)。
⑵R\(_{L}\)=5.2Ω,V\(_{IN}\)=4.2V,降低V\(_{IN}\)使V\(_{OUT}\)=3.50V,测V\(_{IN}\)=3.58V,输出电流0.673A,压差为0.08V。
⑶R\(_{L}\)=2.6Ω, V\(_{IN}\)=4.20V,V\(_{OUT}\)=3.59V。V\(_{IN}\)从4.2V调低, 在V\(_{OUT}\)=3.50V时测V\(_{IN}\)=3.65V。可计算输出电流I\(_{R}\)=1.34A,压差=0.15V(150mV)。
可以推算,在I\(_{R}\)=1A时,压差约120mV。
输出3.3V的情况基本与输出3.6V相似,这里不再列出。
效率计算
电源的效率是一项重要的性能指标,可以按上述测试数据算一下效率η。效率是输出功率与输入功率的比值,若略去流入地的电流I\(_{GND}\)则可用下式表达:
η=输出功率输入功率=\(\frac{V}{_{OUT}}\)×I\(_{R}\)V\(_{IN}\)×I\(_{R}\)=\(\frac{V}{_{OUT}}\)V\(_{IN}\)按R\(_{L}\)=5.2Ω(I\(_{R}\)=0.673A), V\(_{IN}\)=3.58V、V\(_{OUT}\)=3.50V(与3.60V比较,降了100mV)计算,最高的η为:
η=3.50V3.58V=97.7%若按R\(_{L}\)=2.6Ω(I\(_{R}\)=1.34A),V\(_{IN}\)=3.65V、V\(_{OUT}\)=3.50V计算,最高的η为:
η=3.50V3.65V=95.8%
从上述计算可知,其效率并不比DC/DC变换器差。
散热问题
贴片式功率MOSFET散热条件差,P\(_{D}\)低,它最适合作开关,由于其R\(_{DS(ON)}\)小,输出功率可很大,但自身损耗很小。但用作线性应用, 当-I\(_{D}\)大、-V\(_{DS}\)大时则有可能超过最大功耗P\(_{D}\)。这种情况在新换电池(或刚充完电的电池)并且以最大电流供电时会超过P\(_{D}\)值。例如,电池电压6V,输出3.6V,则-V\(_{DS}\)=V\(_{IN}\)-V\(_{OUT}\)=2.4V,若-I\(_{D}\)=1A,则功耗P\(_{D}\)=2.4W(S∶9933的P\(_{D}\)=2W)。此时要加散热片,如图7及图8所示。散热片的尺寸要按实际条件通过实验而定。图7是将散热片(铜质或铝质)粘在MOSFET的顶上;而图8是用敷铜板及散热片(用螺钉固定,图中未画)来散热(散热片与敷铜板之间要加导热垫片或加硅脂)。
加个低电压指示电路
为了防止电池电压下降过多而影响输出电压,可按图9加一个电池低电压指示电路。3.6V输出的,要选用3.5V电压检测器AN051A(开漏输出)。在V\(_{OUT}\)<3.5V时,LED亮(表示电池要充电了)。AN051A的工作电流仅1μA,耗电极省。
若输出电压为3.3V,则可选3.2V开漏输出的电压检测器。
(文/戴维德)



