随着手机普及率的提高,许多使用者不满足于手机的基本通话功能,希望能够挖掘手机更多潜在的功能。由于手机的数据线内部电路很简洁,因此,自己完全可以DIY一条数据线,通过动手制作,既可以过一回DIY的瘾,也能在实践过程中学到一些电子知识。下面,笔者以Nokia 3310手机数据线制作为例,介绍Nokia(诺基亚)系列手机数据线的制作方法。
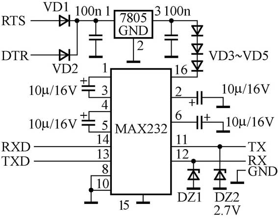
手机数据线通过PC机的RS232接口连接。其电路核心部分使用的是MAX232芯片,是一个MAX232的典型应用电路,芯片外围接4个电解电容。电路的工作电压为5V,通过PC机串口经两个整流二极管、整流三端稳压器7805稳压获得。电路图如图1所示。

PC机串口的形状有很多种,总体来说,分为9芯和25芯两种,并有阴、阳之分,即是针形的和孔形的。这些常见的接口如图2所示。

元件选择
VD1~VD5为1N4007整流管,三端稳压器为7805,三端稳压器两端所接滤波电容为100nF,MAX232周边的四个电解电容为10μF/16V,DZ1、DZ2为2.7V的小电流稳压管。当然,还需要一根连接PC机的9针串口电缆线,如图3所示。

制作方法
打开手机后盖,取出手机里的电池板,手机左边的四个金属点即为手机的外接数据线接口,如图4所示。

(编者注:Nokia 3310、Nokia3330、Nokia5510、Nokia3410机型的接口图都一样。见配刊光盘“本期图片”文件夹。)
电路非常简洁,笔者制作的电路板如图5所示。由于Nokia 3310手机的背面空间比较大,可以拿三根直径粗一点的单芯铜线,在前端留出大约10mm的长度折成90度。一边与实验电路板连接,另一边顶住手机背面的金属触点,然后,再将电池装入,下面压住铜线,如果电池无法压至最底端也没关系,只要有一定的压力即可,电池可以用手捏住或者找两条橡皮筋与手机外壳捆在一起。

下面就可以在PC机上安装手机软件和手机进行通信,完成各种应用功能了。关于PC机与手机进行通信的软件有很多种,笔者所使用的是“Nokia手机工具箱”,这个软件功能强大,操作界面友好,一目了然,该软件可以从http://www.hificat.com“软件下载专栏”下载。
由于手机数据线原理基本都一样,关键是使用了MAX232为核心的转换电路。因此,我们只要知道手机的数据线接口定义就可以将上面的数据线制作用于各种型号的手机。下面给出比较流行的几款Nokia手机的接口定义图。
1.Nokia8210、Nokia8250、Nokia8850、Nokia5210的接口定义相同,见本期配刊光盘“本期图片”文件夹。
2.Nokia3210的接口如图6所示。
3.Nokia 51XX、61XX、71XX 62XX、6310的接口定义相同,如图7所示。6脚:MBUS; 7脚:Rx; 8脚:Tx; 9脚:GND。
4.Nokia 8810的接口如图8所示。1脚:MBUS; 2脚:Rx; 3脚:Tx; 4脚:GND。
5.Nokia 8310、Nokia6510的接口定义相同,如图9所示。7脚:GND;8脚:Rx;9脚:MBUS;10脚:Tx;11脚:Vpp。
6.Nokia 8910的接口如图10所示。5脚:Tx;6脚:Vpp;7脚:Rx;8脚:MBUS ;10脚:GND。
7.Nokia 8260的接口如图11所示。1脚:MBUS;2脚:Rx;3脚:Tx;4脚:GND。

8.Nokia 7650的接口如图12所示。1脚:GND; 2脚:Tx; 3脚:Rx; 4脚:MBUS; 5脚:Vpp。

9.Nokia 3510的接口如图13所示。2脚:GND;3脚:Vpp;4脚:Rx;5脚:MBUS;6脚:Tx。

10.Nokia6610、Nokia7210的接口定义相同,如图14所示。1脚:GND;2脚:MBUS;3脚:Vpp;4脚:Rx;5脚:Tx。

11.Nokia6100的接口如图15所示。1脚:Vpp; 2脚:Tx; 3脚:MBUS;4脚:Rx; 5脚:GND。

(文/徐玮)