本文笔者将海尔彩智星Z3000手机的一些维修思路和步骤介绍给大家,希望对大家维修国产手机有所帮助。
接收电路故障的维修
信号从天线进入RF Connector。RF Connector 是专为测试而设计的连接器,分析人员用频谱分析仪通过专用射频线,可以测试发射和接收的信号。信号通过RF Connector 进入RF_SW。CPU通过控制信号可以选择让RF_SW工作在哪种Band(EGSM、DCS、PCS)以及接收还是发射。见图1。
接收电路的测试项目包括RX LEVEL、 RX QUALITY、BER等。接收电路缺陷造成的原因从原理上讲主要分成四部分:LNA放大器放大的幅度小、MIXER混频器没有输出、没有RX-VCO信号、U301的IQ信号和CPU的解码问题。
首先将分析手机所使用的仪器准备好(以EGSM为例):
a.将Agilent8960 GSM手机测试仪设置频段: 信道 1、模拟基站发射信号输出-30dbm。
b.给手机加电,将8960 的射频电缆与手机相连,给手机键入接收测试命令,使手机处于接收状态。
c.准备好测试信号波形和电压大小的示波器和万用表。
第一步 按照信号的流程图逐级测量,先取下HY201(带通滤波器),因为这样可以避免其后级的影响,然后测量其输入信号强度。如果信号强度小则检查HY102(RF-SW)的输入是否正常,如果输入小则是P101、C106的问题。否则是RF-SW CS、SS、CD或其控制电路的问题。
第二步 焊上HY201,测量其输出信号是否衰减大,如果衰减大则可能是HY201-CD、SS、CS等,或其负载L201、C204、C201、U201的问题。
第三步 测量RX-VCO, IQ信号是否正常,一般是C227、C230或U201,U301-CS、CD、SS等。
第四步 若测量不出问题,则需更换U301、U201或怀疑PCB问题。
发射电路故障的维修
首先将分析手机所使用的仪器准备好(以EGSM为例):
a.给手机供电,键入发射测试命令,使手机处于发射状态:信道1、功率级15;
b.将频谱仪设定在正确的中心频率(890.2MHz)、带宽(10MHz)、适中的扫描时间。
c.准备好测试信号波形和电压大小的示波器和万用表。
下面对手机的发射电路进行逐步测量(图2),当不能判断发射信号的频谱或电平等参数是否正确时,可以测一部已通过的手机作比较。
第一步 测量从CPU到调制/解调芯片U201的IQ信号波形。如果IQ信号不好,则检查CPU是否CS、US、CD,并更换之。
第二步 如果IQ信号良好,继续测量U201的输出信号TXCPO,如果发射信号不好,检查U201及其周围小件与供电电压。若无明显问题则考虑更换U201 。
第三步 如果IC104的输出信号TXCPO良好,应继续测量U202的输出端: EGSM(第10脚),DCS-PCS(第6脚)。如果输出信号不好,则检查U202的供电电压VCC-RX-TX及来自CPU的EGSM、DCS 、PCS选择信号。供电电压信号不好,则检查U401或更换之; EGSM、DCS、PCS 选择信号不好, 则检查U301或更换之。如果这些信号完好,小件没有问题,则更换U202,最后更换U201。
第四步 如果U202的输出信号良好,继续检查PA芯片U102的输出信号。对EGSM测量U102的第5脚, 对DCS-PCS测量U102的第7脚。PA芯片U102的输出信号不好,则检查PA是否CS、US、SP、CD 及周围小件。测量PA供电电压VBAT 及控制信号RFSIG(3)。
第五步 检查PAC芯片U103(图3),测量U103的供电电压VCC-RX-TX是否正确(测C116),检查U103 是否SP、MP、CS、PM、CD。检查PAC芯片周围相关小件。若无明显小件问题,则依次更换U102、U103和U201 。
第六步 测量RF-SWITCH HY102的输入、输出信号是否完好。输入信号EGSM 测C120, DCS-PCS 测C105。输出信号测量C106,并测HY102 的供电电压及控制信号。
最后测量天线,若信号不好则检查P101、R131、R101 等。
逻辑电路故障的维修
1.不开机
a.给手机加电,测量VBAT是否正确,不正确则检查电池或电源的电压是否正确。
b.检查电池连接片是否冷焊、虚焊或性能问题。
c.检查U401所提供的Baseband supply和RF power supply 是否正确,不正确则更换U401。
d.检测 32kHz晶振是否工作(图4),否则更换Q401,并检查C408、C405、R404、U401。
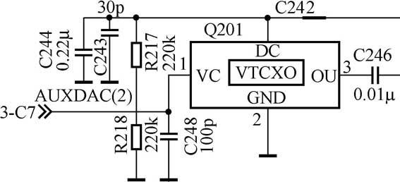
e.检测26M振荡器是否工作(图5),否则更换Q201并检查周围小件C244、C243、R217、R218、C248、C246;检查AUXDAC(2)信号; 否则更换U201。

2.无震动功能
a.检查振子是否良好,是否由装配原因造成,或更换振子。
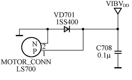
b.检查C708、R705、VD701是否有冷焊、虚焊现象(图6)。

c.检查供电电压VIBVDD, 若没有电压则更换U401,否则检查U701的VIB输出。
3.无键盘功能
a.检查键盘板与基板的连接是否良好,是否由装配原因造成。
b.检查键盘板是否良好的安放在屏蔽罩上。
c.检查键盘板连接器是否有焊接问题或已经损坏。
d.检查基板上的连接器是否有焊接问题或已经损坏。
e.检查键盘板上的接触片是否有氧化或平整度的缺陷。
f.检查基板提供的信号是否正确。若信号不正确检查CPU芯片是否有焊接或性能问题。
4.无免提功能
a.检查元件是否冷焊、虚焊或损坏。
b.检查控制信号。
c.如果不正确, 检查相应提供控制信号的芯片。检查是否由于耳机接触不好,或者由于连接元件不符合规格而造成的接触不良。
5.麦克风无功能
a.检查麦克风是否安装良好,是否由装配原因造成。
b.麦克风接触点测量信号是否正确。
c.如果信号不正确,检查通路上的元器件是否有焊接或性能问题。
d.检查MIC-BIAS电压是否正确,否则更换U803, 最后检查相应的芯片。
6.不能正确检测到SIM卡
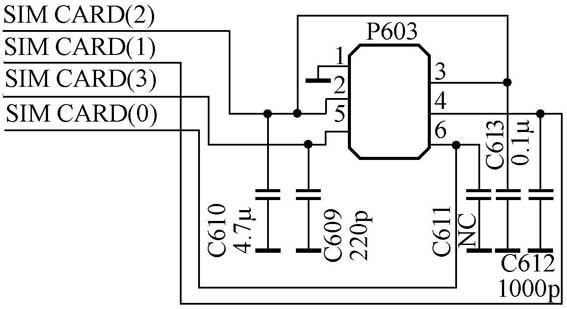
a.检查SIM卡能否正常工作(图7)。

b.检查SIM卡接口是否有焊接问题。
c.检查接口接触点的高度是否足够接触到SIM卡。
d.检查接触点是否在同一水平面上。
e.检查电源信号是否正确。
f.检查SIM卡时钟是否正确。
g.检查数据信息是否正确。

(文/李波勇 李雪珍 陆德光)

