最近几年开发生产的彩电普遍采用I\(_{2}\)C总线技术,其中各种初始化默认值、标准值以及各种个性化设置的参量皆存储于串行存储芯片中。笔者用单片机开发了两款串行存储芯片E\(_{2}\)PROM克隆机,它既能复制芯片,又能判断芯片的好坏,使维修和检测快捷而准确,现介绍给大家。
电路原理
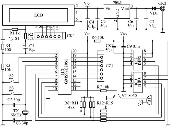
图1是E\(_{2}\)-B芯片克隆机的电原理图。图中,IC1采用单片机GMS97C2051(GMS97C系列单片机是韩国开发的性能优良的单片机新品种,其指令系统及管脚皆与AT89系列单片机完全兼容,并且采用OTP技术,根本不存在解密的可能, 是AT89系列单片机理想的替代产品之一)的P1口用来驱动液晶显示屏LCD。此显示屏为80×8点阵字符型显示器件,驱动芯片为HS44780或其他功能类似芯片。此显示屏可在初始化时设置为8位输入,也可设置为4位输入。在图1所示电路中,为节约口线,设置为4位输入方式,一字节的数据或命令控制字分两次输入。IC1的P1.4至P1.7分别与LCD的11脚至14脚连接,构成数据命令通道进行数据交换,P1.2、P1.3与LCD的4脚、6脚相连接,提供读写逻辑以实现命令或数据的输入。这样,通过程序控制即可将要显示的信息送至显示屏上显示出来。IC1的P3.7是提示声音脉冲信号输出端,由此端输出的脉冲信号通过电阻R7驱动VT继而推动DB发声;S1串联电阻R1后与C1并联,可完成手动复位。S2、S3与P3.0和P3.1相连, 完成命令输入。这样S2、S3和DB以及显示屏LCD共同实现人机对话,完成相应的功能切换。IC3的P3.2~P3.5分别与DI2和DI3的5脚与6脚相连,若DI2中插有E2PROM芯片IC2, 5脚与6脚便分别与IC2的SDA与SCL端相连。这样, P3.2和P3.3按I\(_{2}\)C总线规范输出时序信号,就可将IC2中的数据读出来; IC1的P3.4、P3.5用同样的规范串出命令和数据,就可将相应数据写入插在DI3中的E2PROM芯片IC3中。如此,读写地址一一对应,就可将插在DI2母片中的数据复制到插在DI3中的子片中,复制出一片与母片完全相同的芯片来,实现芯片克隆。AT24系列存储片的第7脚为读写控制脚。DI2的第7脚接V\(_{CC}\),是为了防止母片被改写,DI3的第7脚接地,可以对其进行写操作。(E2ROM芯片的性能及读写时序等详细资料可到“武汉力源”网站http://www.icbase.com上下载。)

为防止芯片插错而损坏或因芯片本身短路而烧坏克隆机上单片机IC1的I/O口,在V\(_{CC}\)和V\(_{DD}\)之间串有保护电阻R6。因为AT24系列存储器耗电极省,一般为0.2mA左右,所以,在正常读写操作时,R3上的电压降不大,加之C2的储能和C3的滤波作用,能确保其正常的读写操作。
使用方法
图2为E2-B型克隆机的外形图。

(1)将直流电源插头插入机器电源插座,系统发出“嘀嘀”声默认并显示“24C01——?<Y/N>”菜单,此时连续按动功能选择键将依次选择24C02、24C04、24C08、24C16,并将提示信息在液晶屏上显示出来。
(2)当芯片型号选择正确后,可将母片和复制芯片按附图所示安放在对应插座上,然后按动确认键,液晶屏上将显示“Zheng·Zai·Gu·Hua”字样,系统开始进行芯片复制。
(3)当芯片复制成功后,系统连续发出三声“嘀嗒”声提示,并返回该芯片型号待确认状态,此时可取下芯片结束复制过程。
(4)如果在复制过程中系统持续发出“嘀嘀”声,说明复制不成功,应立即检查芯片安放是否正确或考虑芯片是否已损坏;在此状态下,可按动复位健使系统恢复正常状态。
3.E2—C型简要介绍
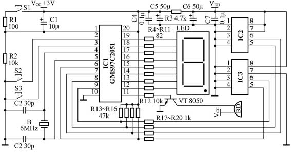
图3为E\(_{2}\)-C型电原理图,同图1相比,只是去掉了LCD而用一只LED七段数码管代替,其他基本相同,数码分别显示“1”、“2”、“4”、“8”、“F”来表示选择芯片为24C01、24C02、24C04、24C08和24C16。固化过程显示“H”用作指示。E\(_{2}\)-C克隆机外型图见图4。
4.源程序固化
本期配刊光盘中提供了文本格式的汇编程序和二进制源程序代码。汇编程序可便于初学者进行程序分析,源程序代码可供大家制作克隆机固化CPU之用。读者可利用编程器将源程序固化到单片机中去。
5.制作
参照电路图将元器件焊接到电路板上,然后插上固化好的CPU即可完成。只要焊接无误,元器件良好,通电即可工作,无需调整。克隆机的印制电路板PCB文件见本期配刊光盘的“本期程序”文件夹。
(文/滕世进 丁新)

