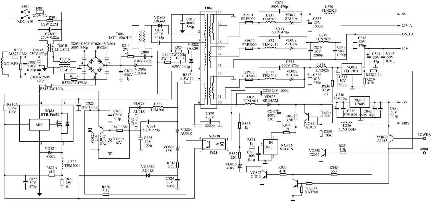
长虹数字高清(CHD)系列大屏幕彩电(如CHD2992、CHD2983等)开关电源采用三肯公司推出的STR-F6656厚膜集成电路作为核心器件。该厚膜集成电路内含大功率场效应(MOS)管、独立的振荡电路,及其相应的控制、保护电路,具有输出功率大、外围电路简单、保护电路完善、便于维修等优点,与该厚膜块引脚功能完全相同但输出功率有所差别的其它厚膜块还有:STR-F6454、STR-F6658、STR-F6626等。由STR-F6656厚膜块组成的开关电源电路图如1所示,下面分析其工作原理及常见故障的检修方法。

工作原理
1.进线抗干扰、自动消磁电路
220V交流市电经插座XP800输入机内,经电源开关S801通/断控制,再经保险管F801送入由T803B、R801、CZ802组成的第一道抗干扰电路,其中T803B是一个结构完全对称的互感滤波器,第一道抗干扰电路主要是为了防止市电电网中的高频干扰信号窜入机内开关电源。经第一道抗干扰电路后的220V交流市电分两路,一路送入自动消磁电路,另一路送入由C802、C803A、C804A、T803A组成的第二道抗干扰电路。自动消磁电路由R808与装配在CRT上的消磁线圈组成,在开机瞬间,由于R808阻值由大变小,使流过消磁线圈内的电流由小变大,此时将在消磁线圈内周围产生出一交变磁场,从而消除CRT阴罩板上的杂散磁场,以完成自动消磁动作。第二道抗干扰电路的主要作用是防止机内的高频信号窜入市电电网,从而造成污染市电电网的现象。
2.整流滤波电路
经第二道抗干扰电路的220V交流市电,进入由VD801~VD804组成的桥式整流电路,该电路将220V交流电变成210V左右的直流电压,再经VD806、T804、VD805加到开关变压器T862的2脚,由T862的1脚外接电容C810滤波,得到约308V左右的脉动直流电压,该电压经开关T8621、4绕组加到厚膜块NQ821的3脚内部大功率MOS开关管的漏极(D)。电路中与VD801~VD804并联的C805~C808为浪涌吸收电容,其目的是保护VD801~VD804不被浪涌电流所击穿,VD806、T804、VD805串联在整流电路与滤波电容C810之间,可以进一步限制浪涌电流,同时,由于T804次级直接被短接,使得流过T804初级的残余高频脉冲被进一步消除,所以,只允许直流电压通过其初级,这样可以进一步提高开关稳压部分的工作效率。
3.开关电源的启动
300V左右的直流电压经开关变压器T862的1~4绕组后加到厚膜块内部大功率开关管的漏极(D),另外,市电经R815降压,VD801半波整流,加到NQ821的4脚,同时向C823充电,当C823上充得的电压≥13.5V时,NQ821内部振荡电路开始工作,该电路输出一开关脉冲加到NQ821内开关管G极,NQ821内开关管开始导通,电源被启动,即NQ821内部电路的启动快慢由电阻R815的阻值和C823的容量决定。
说明:有人认为电源启动时,送入NQ8214脚的电压是一交流电压,因为启动电阻R815的一端与市电相接,其实这种认为是完全错误的。实际上这是一种较典型的半波整流电路,它巧妙地利用了4只整流二极管的一只二极管VD801,其示意图如图2所示。
当市电220V某时刻为上负下正时,该电压经R815加到NQ821的4脚,再经NQ821的5脚后加到VD801正极,VD801导通,最终回到电源的负端,反之,则VD801截止。所以,该启动电路实际上只用了市电的一个半周,是一个典型的半波整流电路。
4.电源的二次供电
由于本开关电源为它激式开关电源,在电源被启动后,启动电路为其提供的电压及电流不足以维持厚膜块NQ821继续工作。所以,电路中设计有为NQ821内振荡电路提供持续电压的电路,我们特将该电路称为二次供电电路,该电路的电压一般取自开关变压器的互感绕组。这是它激式开关电源的一大特点。
当电源启动后,在T862的6~7绕组将产生一互感电压,该电压经限流电阻R817后,再经VD828整流,C825滤波,得到42V左右的直流电压,该电压经以VQ821、VD827等元件组成的电子稳压系统稳压,得到稳定的18V电压加到NQ821的4脚,向NQ821提供持续的工作电压,此时,启动电阻R815不再为NQ821提供电压。
5. 电源的稳压过程
稳压控制环路主要由NQ833、NQ838、NQ821的1脚内部等电路构成。误差取样及比较电路由R852、VQ851、R834、NQ833(SE140N)担任。脉宽调制由NQ838及NQ821的1脚内部电路构成。NQ833的1脚经电阻R834、VQ851 e、c极与+B 148V相接,为误差电压输入端,2脚经电阻R831与光耦器NQ838的2脚相接,为误差电压输出端。当机器工作在TV、SVHS及AV状态时,主板上IPQ板1080I端输出2.8V高电平,该高电平经R851送到VQ850 b极,VQ850饱和,VQ851 b极电压降低也随之处于饱和状态,此时R852两端被VQ851 e、c极短接,开关电源+B电压端输出为145V。
当某种原因使+B 148V升高时:+B145V↑→NQ833(1) U↑→NQ833(2) U↓→NQ838(2) U↓→NQ838内光电二极管发光强度↑→NQ838内光敏三极管导通程度↑→NQ821(1) U↑→NQ821内开关管导通时间↓→+B 148V↓。若+B 148V由于某种原因而下降时,其稳压过程则与上述过程相反。
6. 延迟导通电路
NQ821内部开关管截止期间,NQ821的3脚外接电容C825与开关变压器初级1~4绕组将发生谐振,并且在C825上将产生谐振电压。如果设法使C825两端谐振电压最低时,开关管下一次导通才开始,则可使开关管的导通损耗减到最小。
从图1可见,图中VD824、VD826、R818、C824、VD825A组成延迟导通电路,在开关管截止期间C825与T862的1~4绕组产生的谐振电压由于互感作用,在6~7绕组上将产生一感应电压,该电压经VD824整流后,反向击穿VD826,经R818对C824充电,同时经VD825A加到NQ821的1脚,使NQ821内部开关管继续截止一段时间,当C824上充得的电压经过R821A、R822以及NQ821的1脚内部电路放电一段时间后,待NQ821的1脚电压下降到门限电压0.73V以下时,NQ821内部开关管才开始导通,此时,C825上谐振电压最低,开关管的导通损耗降到了最低限度。所以,C824的容量大小决定了其充放电时间的长短,适当选择C824的容量,刚好使C825两端的谐振电压最低时,NQ821内开关管才开始导通,便实现了延迟导通的目的。
7. 保护电路
本机开关电源具有过流保护、过压保护、过热保护功能。
过流保护电路由NQ821的2脚外接R822、R821A组成。当某种原因使电源出现过流时,NQ821内开关管漏极(D)电流显著增大,R822上压降迅速增大,该电压经R821A反馈到NQ821的1脚,使1脚电压迅速上升,N801内开关管导通时间迅速缩短,限制了开关管漏极电流,达到了过流保护的目的。
过压保护电路由NQ821的4脚内部相关电路及外部VD829组成,NQ821的4脚既是供电端又是一过压检测端,VD829为过压保护二极管,当某种原因使开关电源各次级输出电压异常升高时,开关变压器T862的7脚输出的感应电压也将升高,经VD828整流、C825滤波得到的近42V电压也将随之升高,该升高的电压反向击穿VD829并加到NQ821的4脚,当该脚电压上升到22.5V以上,其内部过压保护电路启动,截断送入开关管G极的开关脉冲,电源停振。
过热保护功能完全由NQ821内部电路完成,当NQ821中的铜基板温度上升至140℃以上时,其内部过热保护电路启动,截断送入开关管G极的开关脉冲,电源停止工作。
8. 待机控制电路
待机控制电路由VQ832、VQ833、VQ822、VD836等元件构成。该电路经R832接于光耦器NQ838的2脚,待机时,开关电源输出电压的高低主要取决于VD836的稳压值(本机VD836选用6.8V稳压管)。机器正常工作时,从主板上IPQ板POWER端送来低电平4.2V,VQ832、 VQ833同时饱和,VQ822因无基极偏置电压而截止,VD836相应截止,此时,整个待机控制电路均不工作。
当机器接收到待机指令时,从主板上IPQ板送来高电平5.0V,此时,VQ832、VQ833截止,VQ822基极因出现高电平0.7V而饱和。VD836正端接地而被反向击穿,NQ838的2脚电压下降近一半,NQ838内光敏三极管导通程度增加,NQ821的1脚电流迅速上升,NQ821内开关管提前截止,导通时间迅速缩短,次级各绕组电压均下降约一半,其中+B 148V电压下降至75V左右。
9. 机顶盒电源提升控制
当机器接收机顶盒(HDTV)输出的60Hz数字高清信号时,需对开关电源+B电压端输出的电压进行提升,以适应60Hz HDTV信号的接收,该提升工作由电路中VQ850、VQ851完成。
当机器识别到目前接收的是60Hz HDTV信号时,从主板上IPQ板1080I端送出一低电平0V,该低电平令VQ850截止、VQ851的b极电压升高并由饱和转为截止状态,R852被接入电路,造成输入到三端误差比较放大块NQ833的1脚的误差取样电压降低,从而导致开关电源+B电压端由148V上升至157V,达到了电源提升的目的。
10.电源次级各输出电路
从T862的16脚输出的交流电压经ZP831限流、VD831整流、C838滤波,得到8V直流电压,送到主板上用于产生5V-2及5V-3电压。
从T862的14脚输出的交流电压经ZP832限流、VD832整流、C839滤波,得到25V直流电压,送到主板上向伴音功放电路及行激励电路提供工作电压。
从T862的11脚输出的交流电压经ZP833限流、VD833整流、C836滤波得到18V直流电压,该电压一路经NQ831稳压得到12V电压,送到主板,向IPQ板中部电路提供工作电压,另一路经N504稳压得到9V电压,向主板各放大电路提供工作电压。
从T862的10脚输出的交流电压经VD835整流、C845滤波得到148V直流电压,除向行扫描电路提供工作电压外,还经降压、稳压向高频调谐器N501提供32V调谐电压。
11.开关电源的改进
长虹公司前期推出的CHD系列数字高清彩电,只设计有60Hz HDTV信号接收功能,现在,为了兼容50Hz HDTV高清信号的接收,经设计更改,不仅在IPQ板上增加了HDTV 50Hz处理电路,同时还对开关电源进行了改进,其改进电路如下:
(1) 自动消磁电路的改进
前期生产的CHD系列数字高清彩电开关电源中的自动消磁电路如图1所示,由R808与消磁线圈构成,机器正常工作时,消磁电阻R808一直与220V市电相接,一直处于高阻发热状态。目前,消磁电路已改为如图3所示电路,该电路采用继电器控制消磁电阻R808,这样不仅可以消除消磁电阻R808的发热功耗,以进一步降低整机功耗,还能保证机器随时可以进行自动消磁动作。当需要进行消磁动作时,断电后,再次接通电源即可,避免了花较长时间等待消磁电阻变冷的状况。
如图3所示,该电路由R842A、NQ840、VD840、C860、R843A、R844、VQ841、VD825组成。通电并二次开机时,从NQ831的2脚输出的12V电压经R842A后,一路经继电器NQ840内线圈加到VQ841的c极,另一路经C860、R843A、R844到地,给C860充电,由于C860两端电压不能突变,将在R843A与R844之间产生0.7V电压,此时,VQ841饱和,继电器NQ840线圈内有电流流过,NQ840内常开触点吸合,接通消磁电路,完成自动消磁动作。
随着C860的充电,VQ841 b极0.7V电压逐渐下降,2秒钟后,VQ841 b极电压从0.7V下降至0V,VQ841截止,NQ840内常开触点再次断开,热敏电阻R808与220V市电之间因此被截断,机器正常工作。
(2)50Hz HDTV电源降低控制
为了适应50Hz HDTV信号接收功能,要求开关电源+B电压端输出电压低于正常值148V,更改后的控制电路如图4所示。电路中NQ833由SE140更换成SE125,VQ850、VQ851等元件仍为HDTV 60Hz电源提升电路,增加了VQ853、VQ852等元件组成的HDTV 50Hz电源降低控制电路。
当机器接收TV、AV、SVHS信号时,开关电源+B电压端输出148V电压,此时,插座XS853中的1080I端为2.8V高电平,插座XS852中的1080I(50Hz)端为低电平0V。
当机器选择从HDTV端口输入50Hz高清信号时,主板上IPQ板送来2.8V高电平,该高电平经插座XS852中的1080I(50Hz)端加到VQ853 b极,VQ853饱和,VQ852随之饱和,误差电压取样电路中的R834被VQ852 e 、c极短路,送入三端比较放大块NQ833的1脚的误差电压升高,通过稳压控制环路的控制,最终使+B电压端由148V下降至128V。
检修方法
1.全无,保险管F801被烧黑
测厚膜块NQ821(STR-F6656)的3脚对地阻值是否未对地短路,若未对地短路,则应判定故障在交流220V进线滤波及桥式整流电路或自动消磁电路。此时应重点检查,进线滤波电路中的CZ802、C802及桥式整流电路中的二极管VD801~VD804是否有击穿现象,若是前期生产的CHD系列数字高清彩电,则不要忽略对自动消磁电路中的热敏电阻R808进行检查。若厚膜块N801的3脚已对地短路,则断开NQ821的3脚与外接电路,若外接电路对地仍短路,则只需查电源滤波电容C810,谐振电容C825是否击穿短路,其中C810在实际维修中损坏率较高。当断开NQ821的3脚与外接电路后,外电路正常,但3脚对地短路,则说明NQ821内部大功率MOS开关管已击穿(注:有的机器当NQ821内部大功率开关管击穿时,NQ821表面有明显的炸裂痕迹,但有的机器NQ821则表面完好),必须换新管。在更换保险管F801和厚膜块NQ821之前必须查换C810、T862、VD821、C822等元件。实际维修中,C810容量下降或完全失容;T803性能不良;VD802、C822击穿短路均可能导致NQ821内大功率开关管损坏。注:当发现NQ821的3脚内部大功率开关管击穿短路或NQ821表面已炸裂时,除了F801、NQ821明显损坏外,同时以下元件可能将连带损坏:VQ821 b、 c 、e极间击穿;VD827击穿;有时VD821也同时被击穿,R822开路,检修时要将其一同更换,否则,若只更换F801、NQ821,则开关电源仍然不会启动,而出现声光全无的故障。
2.全无,但保险管F801完好
断开开关电源次级+B148V电压端的负载,实际电路中可断开电感L836,若+B 148V恢复正常,则说明故障在其负载电路,反之,应检查开关电源本身。在检查开关电源时首先通电测NQ821的3脚是否有300V左右电压,若无,则判定故障在市电交流220V输入电路,该电路常见故障有:T803B、T803A虚焊,VD806、VD805开路。若NQ821的3脚为300V左右电压(正常),则进一步测量NQ821的4脚电压作为依据来判断故障部位。若NQ821的4脚电压为0V,则检查NQ821的4脚对地是否短路。若未短路,则只需检查启动电阻R815是否开路。若4脚已对地明显短路,应断开4脚,看4脚的外接电路。若测得4脚外接电路对地短路,则应检查C823是否对地短路,VQ821、VD827是否同时被击穿短路。若断开NQ821的4脚后,测得外电路与NQ821的4脚均对地短路,则说明NQ821及二次供电电路均被击穿。在检修时,除了更换NQ821外,二次供电电路中的VQ821、VD827、VD829必须同时更换。若NQ821的4脚电压在2.5V~14V之间稳定不变。应先检查C823是否漏电; R815阻值是否变大;光耦器NQ838的3、4脚间是否击穿短路。若C823、R815、NQ838均正常,则应判定NQ821损坏。若NQ821的4脚电压在11V~16V间反复跳变,此时,若+B电压输出端恢复至148V,同时电源发出“叽叽”的叫声,则说明故障在NQ821的二次供电(即以VQ821、VD827等元件组成的电子稳压系统)电路。这种情况必须是将+B电压端与其负载之间的电感L836断开的前提下才会出现。此时,在通电的情况下,用测量电压的方法逐级检查VQ821、VD827等元件组成的电子稳压系统,以快速找到故障元件。如:测得VQ821c极电压高于20V,而b极电压低于18V许多,则说明R817,VD828等元件正常,立即可判定故障为VD827稳压值下降或R819阻值增大或开路。在NQ821的4脚电压在11V~16V间反复跳变的情况下,可进一步测量NQ821的1脚电压,若NQ821的1脚电压若在3.8~5.8V之间变化,则说明过流保护电路出现故障,此时只需检查过流检测电阻R822阻值是否变大或开路。若NQ821的1脚电压为0.1V左右,则说明故障在+B电压端,此时只需检查C835、C845、VD835是否短路即可。实际维修中,VD835击穿短路较为常见。
3.电源输出电压低
断开L836,若+B端电压恢复正常,则说明故障在负载电路。若只有+B端148V电压低,而VD833、VD832、VD831负端输出电压正常,则说明故障在+B端电压形成电路,应查换C845、VD835、T862。在实际维修中,以C845容量严重下降造成输出电压低的情况居多。若开关电源各组输出电压均低,则说明电源启动电路、二次供电电路正常,故障可能由过流保护电路、稳压控制环路、开/待机控制电路引起,其具体判断及检修方法如下:短路光耦NQ838的1、2脚或断开1、2脚中任意一脚,瞬间通电,同时监测+B148V端电压。若148V端电压仍低,则可判定故障在R822、NQ838、NQ821等元件组成的电路。若148V端电压瞬间上升到150V以上,则说明故障在NQ833等元件组成的误差取样、比较电路或VQ822、VD836组成的待机控制电路。此时,为进一步缩小故障范围,先将光耦NQ838的1、2脚恢复至原状,然后再断开R832,再次通电测+B端电压,若电压恢复到正常开机值148V,则说明故障在待机控制电路,否则,应判定故障在NQ833等元件组成的电路。
4.开关电源输出电压高(通电瞬间,+B端电压升高达160V以上)
首先将检修目标锁定在稳压控制环路,查NQ833内外部电路,NQ838、NQ821的1脚内外部电路,其具体检修方法如下:
(1)短路NQ838的3、4脚,通电测+B 端电压,若输出电压仍高,则应检查R820是否开路;NQ838的3脚与NQ821的1脚间印制线是否断裂。若检查均正常,则应判定故障在NQ821。若输出电压降为0V,则说明NQ838的3、4脚引脚外围电源热地部分电路正常,故障在NQ838的1、2脚外围(包括NQ838本身)电源冷地部分。
(2)判断故障在NQ838的1、2脚外部电源冷地部分后,将NQ838的3、4脚恢复原状,再用导线将NQ838的2脚对地接一只7V稳压二极管,通电测+B端电压,若输出仍高,则断电后再通电,同时测N838的1脚是否有近15V的电压。若有,则立即判定故障在NQ838。若无,则应检查VD833、L833、ZP833、C836是否开路,VD833负端是否对地短路。若降为90V左右,则可判定NQ838及其1脚电压正常,故障在NQ833内外部电路,此时应检查R834是否阻值较大或开路。若检查R834无误后,则可判定故障在NQ833。
5.电源带负载能力差
此类故障一般表现为:在将机器音量加大或屏幕亮度变亮时,图像行幅有收缩现象,此时,若用万用表测量+B 148V端电压,能观察到该电压有明显波动现象,此时进一步测NQ821的1脚电压,若该脚电压明显低于正常值2.2V,则说明VD825A、C824、R818、VD826、VD824组成的延迟导通电路存在开路现象。确认VD825A~VD824之间无误后,则查过流检测电阻R822阻值是否变大。
特别提示:
该电阻阻值较小,当其变大到0.18Ω以上时,将明显影响开关电源的带载能力,此时,若用普通指针式万用表测量,易忽略该电阻阻值已变大,而引起误判,建议在检修时使用精确度较高的数字万用表。当排除上述元件存在故障后,再检查元件NQ821或T862便可排除故障。
6.待机时,+B端电压异常
本机开关电源在待机时,+B端电压下降为95V左右,当待机时+B端电压出现异常,如待机时电压为148V或95V~148V之间,其故障部分应在待机控制电路。此时只需查R832、R833阻值是否变大或开路,VQ822是否开路,VQ833是否击穿或软击穿即可。
(文/何金华)