MM1495XD集成电路的功能与CXA2069Q极为相似,也是新型的大规模电子开关集成电路,采用42脚双列直插式封装,具备5组复合视频信号输入,4组Y/C信号输入,2组复合视频信号输出,1组Y/C信号输出; 5组L/R声道音频信号输入,3组L/R声道音频信号输出;兼容S协议; 内置Y/C混合电路;整个信号的切换过程完全由I\(^{2}\)C总线控制。目前该集成电路主要用于东芝(TOSHIBA)主流的高档大屏幕彩电中,充当TV/AV切换电路。它除了可方便地实现内外视频和内外双声道音频信号的切换外,还可方便地实现外部S端子Y/C信号与机内Y/C分离电路所分离的Y/C信号之间的切换。目前,使用该集成电路的彩电有:东芝的F0DS、F0LCD等机芯的彩电。
MM1495XD的主要功能
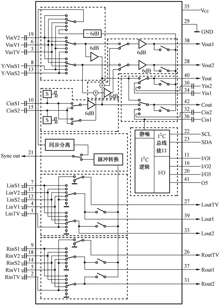
MM1495XD内部电路框图如图1所示。由于MM1495XD具有多路的输入和输出功能,在实际使用时,为了降低编程的难度,厂家一般只是根据实际的需要而有选择地加以开发。因此,MM1495XD在实际的应用电路中,有些引脚未被采用,引脚功能及实测电压如附表所示。


MM1495XD的工作过程
TV/AV切换电路的主要任务是完成TV信号和AV信号的选择,并将选择输出的信号送至下一级处理电路。下面以东芝38D9UXC机型的彩电为例进行分析。东芝38D9UXC机型的彩电除了具有主/子画面的信号输入外,还具有三路AV和两路S端子信号输入,其电路简图如图2所示。
MM1495XD的1、2和3脚为主画面TV信号输入端子,由中放组件送来的主画面复合视频信号加在3脚,双声道音频信号分别加在1脚和2脚。
AV1复合视频信号加在MM1495XD的8脚,左右两路声道音频信号(LinS1/RinS1)分别加在7脚和9脚。S1端子输入亮度(YinS1)信号加在8脚,色度(CinS1)信号加在10脚。在S1端子的插座内,设有一同步开关(用S1表示),当插入S插头后,开关S1闭合,11脚的直流电压高于4V,AV1处于Y/C接收状态;当未插入S插头,开关S1断开,11脚为低电平0V,AV1处于复合视频(CVBS)接收状态。
AV2复合视频信号加在MM1495XD的19脚,左右两路声道音频信号(LinV2/RinV2)分别加在17脚和18脚。AV2端子不设S端子。
AV3复合视频信号加在MM1495XD的13脚,左右两路声道音频信号(LinS2/RinS2)分别加在12脚和14脚。S3端子输入亮度(YinS2)信号加在13脚,色度(CinS2)信号加在15脚。16脚的直流电压受S3插座内的同步开关控制,通过控制16脚的电压,可以控制AV3的工作模式。
MM1495XD的4、5和6脚为PIP(子画面)TV信号输入端子,由画中画组件送来的PIP复合视频信号加在6脚。因该机芯没设PIP音频信号输出,故4和5脚为空脚。
主画面TV的复合视频信号与各路AV的复合视频信号,经MM1495XD切换后,从38脚分两路输出:一路经QV13射随后,送至AV OUT端子,作为本机的复合视频信号输出;另一路送至视频信号处理电路,经视频信号处理电路处理后,再送至数字Y/C(亮度/色度)分离电路。由Y/C分离电路分离出的Y/C信号,再分别加至MM1495XD的34和36脚。送回到MM1495XD的34和36脚的Y/C信号与各路S端子输入的Y/C信号进行切换,切换后的Y信号从40脚输出,C信号从42脚输出。40和42脚输出的Y/C信号再送至下一级信号处理电路,作进一步处理。主画面TV音频信号与各路AV音频信号,经MM1495XD切换后,从39和37脚输出。39和37脚输出的左/右声道音频信号,一路经QS03、QS04射随后,送至AV OUT端子,作为本机的L、R声道音频信号输出;另一路送至音频信号处理电路,作进一步处理。子画面TV的复合视频信号与各路AV的复合视频信号,经MM1495XD切换后,从28脚输出,经QV09射随后,再送至PIP信号处理电路,作进一步处理。
I\(^{2}\)C总线对MM1495XD的控制
MM1495XD的基本功能是切换信号,它能根据输入信号的类型来选择输出形式,还能对信号进行必要的放大、衰减或混合处理。MM1495XD内部设有I\(^{2}\)C总线接口电路,用以控制MM1495XD所实现的各种功能。因这一部分的控制原理基本上与CXA2069Q相似,所以本文不再作进一步的分析,有关内容可参考本刊2003年第9期《新型TV/AV切换集成电路CXA2069Q》一文的分析。
MM1495XD的详细资料可从http://www.mitsumi.co.jp/Catalog/ic/visual/mm/1495xf/text01e.pdf上查看。
(文/林俊标)