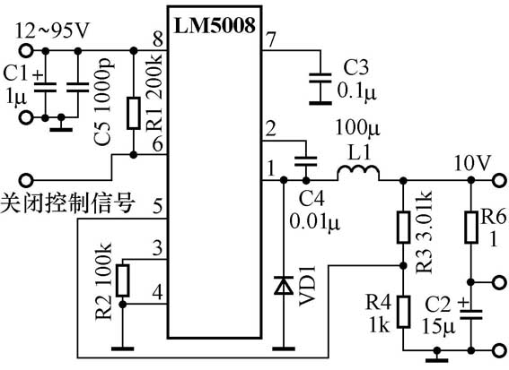
100V高集成度降压偏置稳压器LM5008
LM5008是美国国家半导体公司 (National Semiconductor Corporation,网址: www.national.com)推出的100V降压偏置稳压器。这款稳压器的功率转换效率高达90%。
特点:
LM5008芯片除了内含100V、500mA的N通道功率金属氧化半导体场效应晶体管(MOSFET)之外,另外还可提供偏置电源供应器所需的所有功能。采用这款稳压器,便能设计一款既简单而效率又高的降压稳压器,以取代设计复杂而效率又甚低的回扫转换器。此外,由于这款降压稳压器的开关频率较高,因此可以采用体积更小的滤波器。
LM5008芯片是美国国家半导体 LM5000系列高电压电源管理解决方案的最新产品,也是该公司高电压降压偏置稳压器的第二代产品。LM5008 芯片采用美国国家半导体最先进的100V模拟 BiCMOS-DMOS 集成电路 (ABCDXV-2) 工艺技术制造,是去年推出之后即大受欢迎的 LM5007 80V降压偏置稳压器的升级版产品,其电压范围比去年的LM5007有进一步的扩大。
应用范围:
LM5008适用于48V的功率转换器、电信设备、汽车电子系统以及采用电池供电的电子产品。
具有反相电荷泵的立体声耳机驱动器MAX4410
MAX4410是maxim公司(网址:www.maxim-ic.com.cn)生产的具有反相电荷泵的立体声耳机驱动器。
特点:
MAX4410立体声耳机驱动器是针对那些电路板空间很有限的便携设备而设计的。MAX4410内部除了具有立体声放大器外,还有一个可以从+3V电源产生-3V电源的反相电荷泵,从而可以在单电源供电下能产生以地为参考的输出,既可以省去了大容量隔直电容,节省了成本、电路板空间,并降低了元件高度,又可以将每路输出电压信号提高到6V\(_{P}\)-P(3V供电时)。故用MAX4410设计的放大器可以在3V供电的情况下输出12V\(_{P}\)-P的电压信号(BTL方式)来驱动压电扬声器(一般压电扬声器的最低工作电压为8V),以进一步缩小便携式产品的体积。
MAX4410每个通道可向16负载输出80mW的功率,THD+N仅为0.003%。精巧的咔嗒/噼噗声抑制电路消除了启动与关断时的咔嗒声和噼噗声。MAX4410工作在1.8~3.6V单电源下时,仅消耗7mA电流,且具有短路保护与热过载保护,额定温度范围是-40℃至+85℃。MAX4410有16脚UCSP\(^{TM}\)封装和14引脚TSSOP封装两种。
应用范围:
MAX4410适用于蜂窝电话、MP3播放器、笔记本电脑、PDA等便携式产品中。
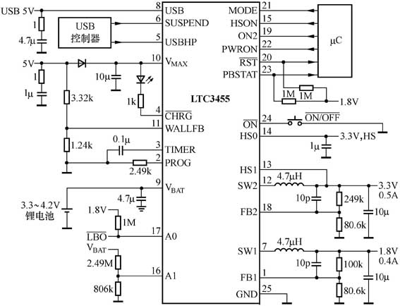
具有锂离子电池充电功能的双输出DC/DC 转换器LTC3455
LTC3455是凌特公司(Linear Technology,网址:www.linear.com.cn )针对手持设备推出的一个电源管理芯片。
特点:
LTC3455内部包括两个同步降压 DC/DC 转换器、USB 电源控制器、功能完备的锂离子电池充电器、热插拔(Hot SwapTM)输出、电池低电量指示和多种内部保护电路。
LTC3455能够从三个不同的来源获得电源:单节锂离子电池、USB端口和墙上适配器。从USB端口获得的电流在所有情况下都能准确地进行限制,以满足USB标准的要求。与其他同类产品不同,LTC3455采用一个 PowerPathTM 控制器,用来进行在锂离子电池、USB端口和5V墙上适配器之间的无缝转换。每一个同步降压DC/DC转换器提供高达 95% 的效率,以使电池的运行时间最大化。
LTC3455采用 4mm×4mm×0.75mm的QFN-24封装。
应用范围:
LTC3455适用于MP3播放器、笔记本电脑、PDA 、便携式仪器等产品中。


