随着电视机 、摄像机、计算机、VCD、DVD等家用电器的广泛普及,音/视频信号的切换控制电路已越来越重要。特别在安防监控系统中,往往有多路摄像机的视频信号需要切换,而在同一时间内只能有一路视频信号进入监视设备,因此视频、音频的无损切换越来越受到用户的重视。笔者用MAXIM 公司提供的MAX4312试用样品,设计了几款由两片MAX4312构成的多路切换电路。
MAX4312的5~12脚是8路视频输入端。16脚是视频信号输出端; 15脚是内部可调增益放大器的反相输入端,可以通过改变15脚外接的电阻和电位器的阻值来调节整个电路的增益。1~3脚是地址使能端,可输入三位二进制代码,依次实现输入、输出8选1控制。14脚是低功耗关断模式控制端,该端接地或负电源使输出处于低功耗关断模式,输出呈高阻态(35kΩ),并把电源电流降至560μA;若该端接正电源,则处于正常输出状态。由于该集成电路输入电容小,在反馈电阻R\(_{F}\)较大时,会出现相位延迟现象。因此,在有些情况下,有必要在它的15与16脚之间接入6.8pF的反馈电容,以提高视频输出性能。
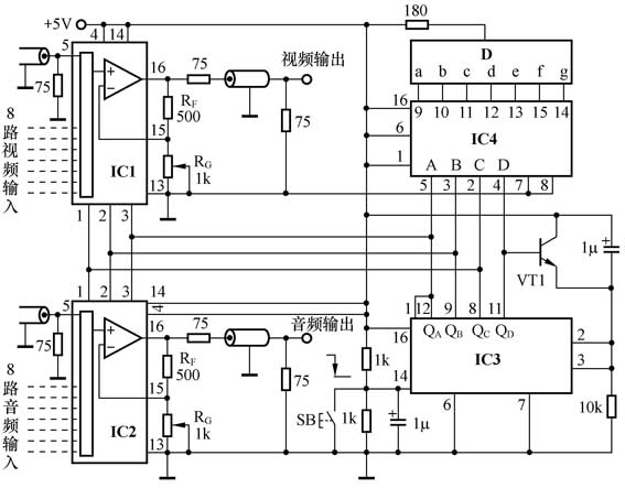
数显双路8选1数显视频/音频切换电路
数显双路8选1数显视频/音频切换电路如图1所示。图1中由二-五-十进制计数器IC3 (SN7490)产生3位2进制代码。一路送到7段BCD锁存/译码驱动集成电路IC4(MC14543),由它驱动共阳极LED显示器,显示0~7个数字,另一路分别送到IC1和IC2两片8路视频选择电路MAX4312,切换8路视频/音频,图中VT1是普通小功率三极管。

每按下按钮S时产生一下降沿脉冲,由IC3的Q\(_{A}\)、Q\(_{B}\)、Q\(_{C}\)、Q\(_{D}\)输出四位二进制代码。当 IC3的11脚(即Q\(_{D}\))为高电平时,VT1导通,将IC3的2、3端置高电平,IC3复位,从零开始计数,所以实际上IC3输出的是三位二进制代码,实现了IC4在十进制计数时的8位计数(即正确显示0~7个数字,如果不要求数字显示,只须将IC1和IC2的1、2、3端分别接入IC3的Q\(_{A}\)、Q\(_{B}\)、Q\(_{C}\)即可),同时三位二进制代码也送到IC1和IC2的地址使能端,对双路8选1视频/音频信号进行切换控制。当IC4第6脚为高电平时,可驱动共阳极LED显示器,真值表如表1所示。

16选1视频切换电路
16选1视频切换电路如图2所示。该电路利用MAX4312的低功耗关断模式的高阻输出,轮流使二片MAX4312呈高阻态,将原来一片MAX4312的8选1电路,组合成16选1电路。

IC4是一块双D触发器CD4013,本电路中接成双稳态电路。当IC4被复位后1脚置低电平,第2、5脚置高电平。这时IC1的14脚置高电平,由按钮SB正常选通IC1输出,而IC2的14脚置低电平,输出呈高阻态。当第9次按下开关SB后,IC3的Q\(_{D}\)为高电平时,VT1导通将IC3的2、3脚置高电平,IC3复位,同时IC4的3脚由原来的低电平跳变成高电平,它的第2、5脚由高电平翻转为低电平,将IC1的输出控制端14脚置低电平。而IC4第1脚同时由低电平翻转高电平,将IC2翻转为正常输出,这时继续按下按钮SB选通IC2正常输出。当IC3的Q\(_{D}\)再为高电平时, IC3又被复位,IC1选通,IC2输出端呈高阻态,循环往复地工作。
(文/李晓)