城市公共照明在我国照明耗电中占很大的比例(30%,约650亿/千瓦小时),以平均电价0.60元/千瓦小时计算,一年开支390亿元,而其中浪费相当惊人。浪费电耗达30%以上,举例说,东方人和西方人在生活方式上存在明显的差异,据调查,我国中小城市普遍在夜晚10点后,大中城市在午夜12点后,道路上就会人稀车少,从这一时段直至清晨6点路灯熄灭,在低交通流量的道路上仍然保持较高照度显然没有必要,其浪费可想而知。
随着道路照明技术的不断进步,路灯控制手段已由传统的人工操作、电子石英钟控制及光控发展到电脑智能化控制。传统的路灯主要采用光控和时控两种方式,其中光控方式存在着一致性差,难以调整准确,且受天气、灰尘影响易误动作等缺点,尤其不能实现半夜熄灯节电运行。电子石英钟定时控制克服了光控的缺点,但它定时固定不变,随着季节的变化,需要投入大量人力,对定时器进行时间调整。如果不及时调整,就会浪费电能。本文介绍的路灯经纬时控器便是一种新型的路灯电脑智能化控制产品。
“华联” HL80路灯数字智能节能经纬控制器是一种以数字控制技术为基础的单相、三相灯光及设备节电控制器,代表当今世界先进的节电控制技术,其先进的微处理器和独特的控制软件,可连续监控交流正弦波,从而有效实现对日光灯、钠灯及其他电器设备的节电控制。其独特的控制软件,不仅可有效实现节电,还可改善功率因数,并平衡输出功率。
本产品的基本原理是将供电系统的输入电压予以优质化,调整加在灯具及设备上的工作电压。采用本公司的特殊技术,可使用户节电20%~40%,并延长用电器具的使用寿命。
HL80路灯经纬时控数字智能节能控制器是采用先进的16位微电脑控制技术与新兴的电力电子器件相结合而开发出的新一代全数字智能照明节能控制器。它充分考虑了城市道路照明的实际状况,依据人体工程学中的视觉理论,采用现代控制论中的最佳控制理论和微电脑经纬度控制方法,实现了对路灯电压及照度的动态智能化管理,即TPO管理(TIME / PLACE / OCCASION)。此项技术的核心是: 能够根据所在城市的地理位置(经度和纬度)和季节(日期)的变化,自动地调整开、关灯时间,以保证每天开、关灯时的日照度相同,从而实现开关的智能化控制,在繁忙的时段,控制路灯稳压保持较强的照度以适应安全,接近午夜时分,开始自动降压/调光,在后半夜车稀人少时,则控制路灯保持低于正常值的合理照度的照明(类似室内照明的调光器,可以随需要而任意调光)。它的主要优点是在调光的同时也大幅降低了电耗,节约有功电耗达30%以上。达到方便、准确、节电的目的。
工作方式
我们开发的HL80微电脑多功能路灯节能自动控制器,具有功能完备,技术先进,实用性强,效益显著等特点,为科技推广项目。该控制汇集微电脑控制、电子开关、自动调压、调功、安全保护等功能于一身,是目前新一代理想的路灯节能控制设备,适用于工厂、商场、超市、城市道路、广场、高速公路、车站、码头、机场等灯光照明系统。
HL80路灯数字智能节能经纬控制器的主回路工作模式为:
⑴首先通过高精度的微电脑经纬度控制每天开、关灯时间。
⑵软启动、限幅主回路投入对灯光照明系统送电以确保自镇式的灯光(泡)充分预热启动,达到正常工作状态。
⑶当预热时间段完成后工作过程中电压进行调整,然后自动进入节电状态,并保持平稳节电运行。
⑷可以通过微电脑经纬度控制设定的第二节电水平恢复限幅输出。下半夜自动启动。
⑸关断可控硅,电压输出为零。
工作流程图如图1所示。

“华联” HL80路灯数字智能节能经纬控制器主要由微电脑经纬时钟控制器和智能移相触发调压器两部分组成,具有多种输入方式、软启动、限幅输出等多种功能。
路灯数字智能节能经纬控制器主回路工作原理如图2所示。
光电隔离的三相四线制可控硅移相触发卡(可直接移相触发三个800A以下的可控硅。或两个单向反并联的可控硅,触发输出没有极性。适用于主回路采用“Y”形接法且中性点接零的三相可控硅触发)。
外形及安装尺寸
智能移相触发调压器为盘面安装式,手动自动可自由切换,光柱动态指示输出功率,操作使用方便。面板尺寸96×96×105mm(宽×高×深)。
输入类型(Sn):
智能移相触发调压器可用于0~5V、1~5V、0~10mA、4~20mA的输入信号。仪表出厂设置一般为电压输入方式,用于电流输入时应在仪表的输入端(11,12)并接250Ω(500Ω)的电阻。
输入显示:
智能移相触发调压器把输入信号值经换算后显示于仪表的上显示窗,显示值的大小由(LoL)线性输入量程下限及(HiL)线性输入上限确定。
例:设定Sn=0,LoL=0,HiL=5000,Poin=_._ _ _
则当输入为0V时,仪表显示“0”;
当输入为5V时,仪表显示“5.000”。
输出显示:
智能移相触发调压器把输出百分比值显示于下显示窗,同时通过光柱显示。自动时,下显示窗显示“P×××”, 手动时显示“H×××”(参数Ldis应设为“P”,而不能设为“S”)。
软启动:
智能移相触发调压器在上电时具有软启动功能,软启动的时间由tc参数确定,tc的单位为秒,当tc为“0”时,无软启动功能。
输出方式:
智能移相触发调压器具有两种输出方式。
OP输出方式设为4-20,仪表无限幅(限压)输出功能;
OP输出方式设为“FrEE”,仪表具有限幅(限压)输出功能。
当仪表须限幅(限压)输出时,则通过设定OPH参数实现。例如要求输出的最大电压不能大于满度值的50%,则把OPH设为“120”。
当仪表出现输出值无法接近“0”值时,可把OPL设定为小于“40”的值。
控制方式:
仪表具有手动、自动两种控制方式,可由控制方式参数CtrL设定,也可由面板的AUTO / MAN按键切换。CtrL设成“Auto”为自动控制;CtrL设成“MAnu”为手动控制;
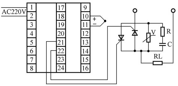
接线方式
接线方式如图3所示。智能移相触发调压器的接线方式参照“智能移相触发调压器(图4、5、6、7)”。





注: ⑴单向可控硅反并联及双向可控硅移相触发,有两相可不用; ⑵三相2线移相触发使用单向可控硅反并联及双向可控硅,有一相可不用; ⑶图中R1为200Ω/3W, D为1N4001; ⑷图中R为10Ω/5W, C为3μF/600V,图中V为压敏电阻;⑸图中RL为负载; ⑹在控制方式及参数要求不高的场合下智能移相触发调压器也可用可控硅移相触发模块代替。
以上介绍的电路还可对路灯进行调压控制,既节电,减少不必要的浪费,又保护灯具和线路,平均节电率达20%~40%,延长灯具寿命达3倍以上,大大减少维修维护费用。设备满载正常运行4~8个月,则可从节电和减少维护费中收回设备投入。经济效益和社会效益显著。
(文/陈九如)