示波器是反映信号瞬变过程的测量仪器,它能把不同的信号通过波形表现出来,如手机中的脉冲供电信号、时钟信号、数据信号、系统控制信号等,都能在示波器的荧屏上直观的看到。所以,我们通过观察关键测试点的波形与图纸上的标准波形(或平时积累的正常手机波形)进行比较,就能够为检修手机提供可靠的故障判断依据。为此,本篇重点介绍根据关键测试点的波形来判断和检修手机故障的方法与技巧。
一、手机波形的测量
20M双踪示波器一台。
手机加电开机后,用示波器测量关键测试点,方法是将示波器接地夹夹在手机电路板的接地端,将测试端搭接关键测试点,图1为测试斯达康UT702U-S331型小灵通手机32.768kHz副时钟波形的示意图,图2是该点的波形图。
二、手机的关键点波形
图3是诺基亚8250型手机主板在正常状态的关键点波形图,由图可见,该机主板的关键测试点主要有以下几处:⑴VXO 2.8V脉冲;⑵VCP 5V脉冲;⑶13MHz主时钟信号;⑷32.768kHz副时钟信号;⑸VRX 2.8V脉冲;⑹26MHz时钟信号;⑺DCS/GSM射频信号。

⒈VXO 2.8V脉冲
VXO 2.8V脉冲是给26MHz时钟振荡器提供工作电压的,如果它的波形异常,就会导致26MHz时钟振荡器工作不稳定或不能工作,出现不能开机故障。
⒉VCP 5V脉冲
VCP 5V脉冲主要给射频处理芯片提供工作电压,如果它的波形异常,就会导致射频电路工作异常或不能工作,出现不能开机、不能上网或接收灵敏度低的故障。
⒊13MHz主时钟信号
13MHz主时钟信号为微处理芯片提供逻辑系统工作所需的系统时钟信号,如果它的波形异常,就会导致微处理电路工作异常或不能工作,出现不能开机、开机困难等故障。
⒋32.768kHz副时钟信号
32.768kHz副时钟信号主要为即时时钟显示电路提供基准时钟信号,如果它的波形异常,就会导致即时时钟显示电路工作异常或不能工作,出现无即时时钟显示或即时时钟显示不准故障。
⒌VRX 2.8V脉冲
VRX 2.8V脉冲为接收控制脉冲,如果它的波形异常,就会导致接收电路工作异常或不能工作,出现不能上网故障。
⒍26MHz时钟信号
26MHz时钟信号为射频电路提供基准时钟以及分频后为微处理电路提供13MHz主时钟信号,如果它的波形异常,就会导致射频电路、微处理控制电路工作异常或不能工作,出现不能开机、上网困难等故障。
⒎DCS/GSM射频信号
DCS/GSM射频信号是接收电路中DCS频段和GSM频段的接收信号,如果它的波形异常,就会导致接收DCS/GSM的高放电路工作异常或不能工作,出现对应频段不能上网或接收灵敏度低故障。
三、维修实例
分析与检修:
与故障有关电路如图4所示。检查该机,发现用电池和外接稳压电源均不能开机,但按开关机键时有26mA左右的电流出现,说明开关机控制电路工作正常,故障在开机保持相关的电路。拆开机壳,取出电路板与手机专用维修电源连接,加电后用示波器检查,发现19.6MHz主时钟晶体第3脚输出端的波形幅度明显偏小,但检查其第4脚输入端的供电电压正常,断开电源后测量19.6MHz主时钟晶体各脚对地的正反向电阻与正常值比较,发现第3脚明显偏小(19.6MHz主时钟晶体正常数据见表1),检查外围相关元件无漏电,用热风枪吹下19.6MHz主时钟晶体检查,发现其第4脚与第2脚之间存在漏电,更换19.6MHz主时钟晶体后开机,一切正常,故障排除。
分析与检修:
与故障有关电路如图5所示。能够正常开关机,说明电源供电与逻辑控制电路基本正常,无接收信号,不能上网问题应该在射频电路。根据原理,用示波器检查射频电路。首先观察IFR3000接收中频处理芯片第11脚、第12脚输入的中频信号波形,结果正常。观察IFR3000接收中频处理芯片第39脚~第42脚、第45脚~第48脚接收解调信号输出端,发现无波形,但观察相关的第36脚19.68MHz主时钟信号输入端有正常的19.68MHz主时钟信号波形。检查IFR3000接收中频处理芯片第4脚、第6脚、第14脚、第15脚、第17脚、第20脚供电端有正常的3V供电电压,检查第44脚数字电路供电端,发现没有供电电压,但在其外接的滤波电容上可以测量到3V的供电电压,通过上面检查,说明IFR3000接收中频处理芯片第44脚虚焊或其相关的印制线存在暗断,检查结果是第44脚虚焊,将其补焊后故障排除。
特别提示:
IFR3000接收中频处理芯片采用48脚贴片式封装,其引脚功能说明见本期配刊光盘的“本期程序”文件夹。
例3. 海尔地文星HC1000型手机开关机正常,但接收灵敏度低,上网困难
分析与检修:
结合上例,能够正常开关机,说明电源供电与逻辑控制电路基本正常,接收灵敏度低,上网困难问题通常是射频接收电路增益低。根据原理,用示波器检查射频接收电路。首先观察IFR3000接收中频处理芯片第11脚、第12脚输入的中频信号波形(参见图5),发现信号幅度小,观察85.33MHz接收中频滤波器输出端信号波形幅度也小,但观察其信号输入端的波形幅度正常,说明85.33MHz接收中频滤波器存在不良,将其更换后故障排除。
例4. 三星SCH-A399型手机不能开机
分析与检修:
与故障有关电路如图6所示。由原理可见,手机要正常开机,必须具备以下条件:⑴逻辑电路供电正常; ⑵逻辑电路的19.680MHz主时钟正常; ⑶逻辑电路的软件运行正常; ⑷由微处理芯片提供的开机维持信号正常。拆开机壳加电试机,发现在按开机键时有25mA的电流出现,说明开机控制基本正常,问题出在开机保持相关的电路。首先用示波器检查,发现C354电容上观察不到19.68MHz的标准时钟信号,在OSC300时钟晶体第3脚输出端也观察不到19.68MHz的标准时钟信号,检查OSC300第4脚供电电压只有1.21V,正常应为2.8V左右,检查相关元件,发现C367电容存在漏电,将其更换后故障排除。
特别提示:
逻辑时钟电路产生的是一个19.68MHz的标准时钟信号,其作用:一是用于频率合成电路作频率合成的基准时钟信号;二是用于逻辑电路作为逻辑时钟信号。若19.68MHz的基准时钟信号不能送到频率合成电路,则手机不能接收,不能进入服务状态。若19.68MHz的基准时钟信号不能送到逻辑电路,则手机不能开机。逻辑时钟电路受微处理芯片输出的TRK-LO-ADJ信号控制,该信号实际上相当一个自动频率控制信号(AFC),它还用于控制整机与系统同步检查。
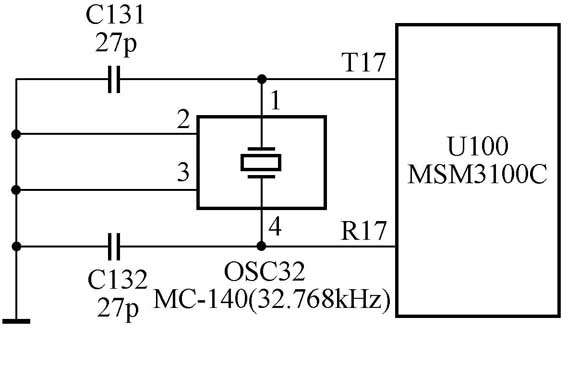
例5. 三星SCH-A599型手机即时时钟显示时有时无
分析与检修:
与故障有关电路如图7所示。由原理可见,即时时钟显示是由32.768kHz即时时钟显示电路完成。用示波器观察U100(MSM3100C)微处理芯片第T17脚、第R17脚外接的OSC32(32.768kHz)时钟晶体两端,发现波形也时有时无,怀疑OSC32时钟晶体本身存在虚焊或接触不良,首先补焊OSC32晶体引脚,结果故障现象不变,检查相关的C131、C132电容没有发现问题,因手头没有32.768kHz时钟晶体更换,采用应急修理,在32.768kHz时钟晶体两端贴焊一只1MΩ电阻,提高时钟振荡器的起振能力,结果即时时钟显示恢复正常,故障排除。
(文/周立云)



