前几期我们学习了单片机C语言的基本知识,了解了单片机内部资源的C语言编程方法,本期笔者为学习C语言的读者介绍如何编写计数器程序。
计数器
要求:编写一个计数器程序,将T0作为计数器,对外部信号计数,将所计数字显示在数码管上。
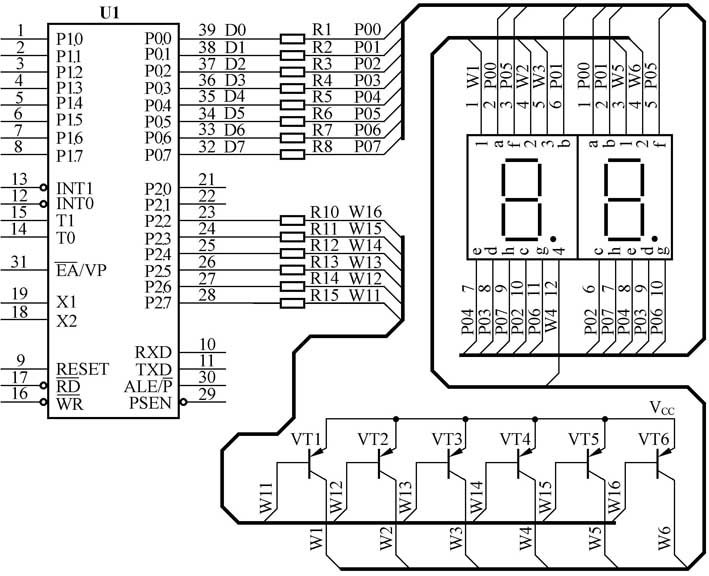
该部分的硬件电路如图1所示,U1的P0口和P2口的部分引脚构成了6位LED数码管驱动电路,数码管采用共阳型,使用PNP型三极管作为片选端的驱动,各三极管的发射极连在一起,接到正电源端,它们的基极则分别连到P2.0~P2.5,当P2.0~P2.5中某引脚输出低电平时,三极管导通,给相应的数码管供电,该位数码管点亮哪些笔段,则取决于笔段引脚是高或低电平。图中看出,所有6位数码管的笔段连在一起,通过限流电阻后接到P0口,因此,哪些笔段点亮完全取决于P0口8根线的状态。

编写程序时,首先根据硬件连线写出LED数码管的字形码、位驱动码,然后编写程序如下:
#include “reg51.h”
#define uchar unsigned char
#define uint unsigned int
uchar code
BitTab[]={0x7F,0xBF,0xDF,0xEF,0xF7,0xFB}; //位驱动码
uchar code
DispTab[]={0xC0,0xF9,0xA4,0xB0,0x99,0x92,0x82,0xF8,0x80,0x90,0x88,0x83,0xC6,0xA1,0x86,0x8E,0xFF}; //字形码
uchar DispBuf[6]; //显示缓冲区
void Timer1() interrupt 3
{ uchar tmp;
uchar Count; //计数器,显示程序通过它得知现正显示哪个数码管
TH1=(65536-3000)/256;
TL1=(65536-3000)%256;//重置初值
tmp=BitTab[Count]; //取位值
P2=P2|0xfc; //P2与11111100B
相或
P2=P2&tmp; //P2与取出的位
值相与
tmp=DispBuf[Count];//取出待显
示的数
tmp=DispTab[tmp]; //取字形码
P0=tmp;
Count++;
if(Count==6)
Count=0; }
void main()
{ uint tmp;
P1=0xff;
P0=0xff;
TMOD=0x15; //定时器0工作于计数方式1,定时器1工作于定时方式1
TH1=(65536-3000)/256;
TL1=(65536-3000)%256; //定时时间为3000个周期
TR0=1; //计数器0开始运行
TR1=1;
EA=1;
ET1=1;
for(;;)
{ tmp=TL0|(TH0<<8); //取T0中
的数值
DispBuf[5]=tmp%10;
DispBuf[4]=tmp%10;
tmp/=10;
tmp/=10;
DispBuf[3]=tmp%10;
tmp/=10;
DispBuf[2]=tmp%10;
DispBuf[1]=tmp/10;
DispBuf[0]=0;
}}
这个程序中用到了一个新的知识点,即数组,首先作一个介绍。
数组是C51的一种构造数据类型,数组必须由具有相同数据类型的元素构成,这些数据类型就是数组的基本类型,如:数组中的所有元素都是整型,则该数组称为整型数组,如所有元素都是字符型,则该数组称为字符型数组。
数组必须要先定义,后使用,这里仅介绍一维数组的定义,其方式为:
类型说明符 数组名[整型表达式]
定义好数组后,可以通过: 数组名[整型表达式]来使用数组元素。
在定义数组时,可以对数组进行初始化,即给其赋予初值,可用以下的一些方法实现:
1. 在定义数组时对数组的全部元素赋予初值。
例:int a[5]={1,2,3,4,5};
2. 只对数组的部分元素初始化。
例:int a[5]={1,2};
上面定义的a数组共有5个元素,但只对前两个赋初值,因此a[0]和a[1]的值是1、2,而后面3个元素的值全是0。
3. 在定义数组时对数组元素的全部元素不赋初值,则数组元素值均被初始化为0。
4. 可以在定义时不指明数组元素的个数,而根据赋值部分由编译器自动确定。
例:uchar BitTab[]={0x7F,0xBF,0xDF,0xEF,0xF7,0xFB};
相当于定义了BitTab[6]这样一个数组。
5.可以为数组指定存储空间,这个例子中,未指定空间时,将数组定义在内部RAM中,可以用code关键字将数组元素定义在ROM空间中。
uchar code BitTab[]={0x7F,0xBF,0xDF,0xEF,0xF7,0xFB};
用这两种定义分别编译,可以看出使用了code关键字后系统占用的RAM数减少了,这种方式适用于编程中不需要改变内容的场合,如显示数码管的字形码等是很合适的。
6.C语言并不对越界使用数组进行检测,例如上例中数组的长度是6,其元素应该是从BitTab[0]~BitTab[5],但是如果你在程序中写上BitTab[6],编译器并不会认为这有语法错误,也不会给出警告(其他语言如BASCI等则有严格的规定,这种情况将视为语法错误),因此,编程者必须小心确认这是否是你需要的结果。
程序分析:
程序中将定时器T1用作数码管显示,通过interrupt 3关键字定义函数Timer1()为定时器1中断服务程序,在这个中断服务程序中,使用
TH1=(65536-3000)/256;
TL1=(65536-3000)%256; 来重置定时器初值,这其中3000即为定时周期,这样的写法可以直观地看到定时周期数,是常用的一种写法。其余程序段分别完成取位码以选择数码管、从显示缓冲区获得待显示数值、根据该数值取段码以点亮相应笔段等任务。其中使用了一个计数器,该计数器的值为0~5对应第1到第6位的数码管。
主程序的第一部分是做一些初始化的操作,设置定时器工作模式、开启定时器T1、开启计数器T0、开启T1中断及总中断,随后进入主循环,主循环首先用unsigned int型变量tmp取出T0中的数值,这里使用了“tmp=TL0|(TH0<<8);”这样的形式,相当于tmp=TH0*256+TL0,但较之于后一种形式,该方式可以得到更高的效率,其后就是将tmp值不断地除10取整,这样将int型数据的各位分离并送入相应的显示缓冲区。
(文/周坚)