许多计算机用户都希望拥有一个遥控装置,能对电脑进行遥控。市面上出售的遥控装置一般采用红外遥控,且具有方向性。本文介绍的遥控装置采用电磁波传输,因此可克服方向限制这一缺点,另外,只要PC机具有一个空串口,便可使用该遥控装置。
1.硬件电路
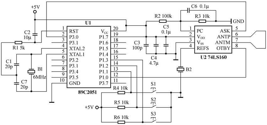
遥控装置的发射电路主要采用单片发射芯片MICRF102,它是Micrel生产的单片UHF ASK发射机,它的频率范围为280~480MHz,具有低功耗模式,数据传输速率可达20kbps。是一个“数据输入—无线输出”的单片无线发射器件。该芯片的详细信息可到www.micrel.com/_PDF/micrf102.pdf上查询。
发射电路见图1。电路中只用了3个按键,其功能为:S1——重新启动,S2——关机,S3——打开预定程序,以后可以根据用户的要求来确定按键的数目及其定义。按键经单片机编码后由串行口输出至MICRF102,然后MICRF102对输入数据进行调制,最后由天线发射出去。
R2、R3分压控制发射机的发射功率,通常电压为0.2~0.4V。C3、C4、C5用来滤除电路的杂波。ASK为数据输入端。STBY为发射机模式选择端,它由单片机P1.7控制,P1.7为低电平时,MICRF102进入低功耗状态。ANTP、ANTM为天线驱动端,它采用差分输出。
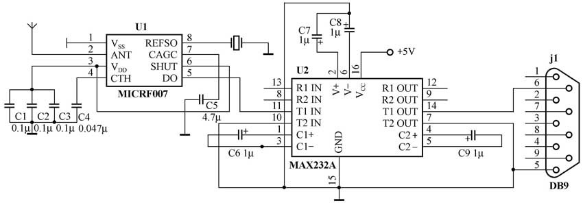
接收电路的核心为MICRF007,MICRF007是Micrel公司推出的单片UHF ASK/OOK(导通-关断键控)超外差无线电接收芯片。它的工作频率为300~440MHz,具有低功耗模式,数据传输速率可达 1.2kbps。是一个“无线输入—数据输出”的单片无线接收器件。该芯片的详细信息读者可到www.micrel.com/_PDF/micrf007.pdf上查询。
接收电路见图2。天线接收到数据后由MICRF007解调,输出的数据经RS232接口转换后上传给PC机。接收机一直处于监听状态(SHUT接VDD)。C1、C2、C3用来滤除电源杂波。
2.软件编程
本机软件编制有两个方面:单片机编程和PC机编程。
开机时先初始化(初始化I/O口、串口等),然后进入休眠状态。若有键按下时,退出休眠,对按键进行编码,再通过串口发送出去。完成之后,若在5s内没有键按下再次进入休眠。
(2)PC机编程
主要采用面向对象程序开发工具Delphi。该程序界面如图3所示。
3.小结
虽然本控制系统功能简单,但只要稍加修改,就可以实现功能更强的远距离控制。除此以外,还可以用来实现远程数据采集的功能。本文涉及到的单片机及PC机的源程序及可执行程序可到本刊网站www.radio.com.cn上下载。
(文/吴小锋)


