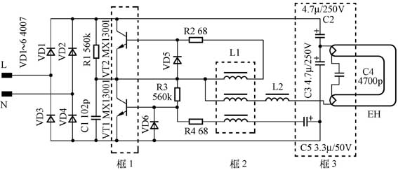
HJDZ—2001A32W交流电子镇流器的外形及内部元器件安装板如图1所示,其电路如图2所示(依照电路板所测绘)。从图中看出,电路由VD1~VD4组成直流电路。R1、C1即作吸收保护,其分压点又作启振工作电源。VT1、VT2、R2、R3、R4、VD5、VD6、L1(虚线框2为三个绕组同绕在一个磁环上)组成高频振荡电路。L2、C2、C3、C4、C5组成启辉、点燃电路。灯管与电路用插件连接。线路设计简洁,元件排列有序,便于维修。现举两例常见故障的检修实例。


例1:灯突然不亮,不能启辉。
经分析检查是电路图虚线框1中的TV1、TV2因电网电压波动幅度较大,R1、C1没能起到有效吸收保护作用而导致过功率击穿,更换虚线框1中的TV1、TV2(MX13001)高频功率管就能使电路恢复正常工作。
例2:开始有闪跳,而后就不亮,有时还能闪跳。
经分析检查是电路图虚线框3中的那几只电解电容作怪,因为铝电解电容器在长期通电使用的过程中,受到温度影响而使其容量下降,或耐压下降,甚至软击穿、漏电而失效。这些现象用眼睛是不容易看出来的,只有通过数字万用表来测量。一般通过更换虚线框3中的C3、C4、C5电容即能恢复正常工作了,大家不妨一试。
(文/林文彬)