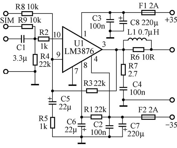
简单而可靠的功率放大器用途极为广泛,如推动环绕声扬声器、电脑音频输出扬声器等。下面向高保真音响爱好者介绍一款噪音低,失真小,各方面性能极为优越,特别是简单易于制作的50W/8Ω功率放大器。电路原理图见图1。

图中SIM为声音监控单元电路的输出,为了防止放大器工作于超出极限的范围,建议加入此电路,以更好的保护放大器。
放大器的电压增益是27dB,通过调整反馈通路的电阻值(3脚和9脚之间的R3,现数值为22k),可以改变电压增益大小。电感L1用0.4mm的漆包线绕10圈,绕在10Ω电阻上。刮掉漆包线两端漆皮并焊在电阻两端。
10Ω和2.7Ω电阻的功率必须是1W,其它电阻为误差1%的金属膜电阻。所有电容耐压为50V,电源滤波电路的100nF(0.1μF)电容要尽可能紧靠集成电路以防止产生振荡。
在满负载时,供电电压为+/- 35V,以此使这个电路输出功率能够达到最大56W(25℃时最小额定输出)。为了使电路在最大功率输出时能正常工作,散热是非常重要的,因此要考虑选择尽可能小的散热器罩。 安装非绝缘的云母垫片效果比较好,但要注意散热器已直接与电源相连,必须与机壳绝缘。
图2给出集成电路LM3876的管脚输出,必须注意其管脚成形不是一字形的,而是交错排列,这样在PCB布线时,管脚之间就可以有更大的间隙。

图3是放大器的PCB组件图片(没有散热器),这是一个立体声放大器(双声道),使用单面板,电源保险管也安装在板上。一个包括了4个保险管的完整的立体声机板只有115mm×40mm,非常小巧。

读者可根据电路原理图,参考PCB组件图的元件分布,可以很方便地排出PCB印制板图。
集成电路芯片中保护电路名为SPiKeTM,即“Self Peak instantaneous Temperature”,几乎可以全方位地保护放大器,或者确切地说是确保将放大器用于没有钳位限幅发生的场合。必须反复强调,如果不安装散热器,放大器很快就会过热,内部保护电路将启动,放大器将停止工作,读者最好不要去做这样的尝试。
(文/向荣)