晶体三极管是电子电路中重要的核心器件,担负着放大、振荡、开关、阻抗变换等功能。除此以外,在一些特殊情况下,晶体三极管还可以变通用作稳压、检波、整流、以及光电转换等。
利用晶体三极管的一个PN结,即可构成一个稳压二极管。这是因为半导体PN结在一定的条件下,具有稳定的正向压降(硅管约0.7V,锗管约0.3V),因此晶体三极管的一个PN结可以作为低电压的稳压二极管使用。一般是使用三极管的基极-发射极PN结,如图1所示,硅NPN型三极管VT的基极经限流电阻R接电源+V\(_{cc}\)、发射极接地,实际上是VT的基极-发射极PN结正向接入电源+V\(_{cc}\)与地之间,在VT基极即可得到+0.7V的稳定电压。限流电阻R的作用是控制流过该PN结的正向电流I\(_{VT}\),R=(+V\(_{cc}\)-0.7)/I\(_{VT}\)。I\(_{VT}\)一般为数毫安。
也可以使用三极管的基极-集电极PN结,如图2所示,硅NPN三极管VT的基极经R接电源 +V\(_{cc}\)、集电极接地,在VT基极同样可以得到 +0.7V的稳定电压。限流电阻R的计算同上。

如果需要较高的稳压值,可采用若干个三极管的PN结正向串接。图3所示为三个硅三极管VT1、VT2、VT3的PN结正向串接,可以得到 +2.1V的稳定电压 ,R= (+V\(_{cc}\)-3×0.7)/I\(_{VT}\)。

对于那些一个PN结被烧毁的报废的晶体三极管,只要其另一个PN结完好,就可作为稳压二极管使用,真正的废物利用,而且效果很好。
利用高频晶体三极管的一个PN结,可以作为检波二极管使用。图4所示为超外差收音机电路中,用高频三极管替代检波二极管的例子。(a)图为正向检波电路,检出调幅波的正半周;(b)图为反向检波电路,检出调幅波的负半周。
用高频三极管替代电路中的检波二极管时应注意:原电路中的检波二极管如果是锗二极管,应使用锗高频三极管;原电路中的检波二极管如果是硅二极管,则应使用硅高频三极管;这样才能保证替代效果。低频晶体三极管因为结电容较大、工作频率较低,不宜用作检波二极管。
利用低频晶体三极管的一个PN结,可以作为整流二极管使用。图5所示为半波整流电路,低频三极管的基极-发射极PN结构成一个整流二极管,在负载R上即得到上正下负的直流电压。C为滤波电容。
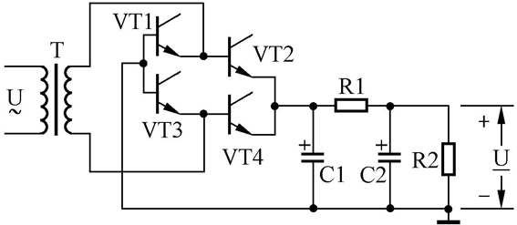
利用四个同样的低频晶体三极管(每个三极管利用其一个PN结),可以构成桥式全波整流电路,如图6所示。VT1~VT4均作整流二极管用,R2为负载电阻。交流电压正半周时,经VT2、R1、R2、VT3形成回路;交流电压负半周时,经VT4、R1、R2、VT1形成回路;在负载R2上即得到上正下负的直流电压。R1、C1、C2组成π型滤波器。

高频晶体三极管由于其PN结允许通过的电流较小,一般不用作整流二极管。
晶体三极管的管芯受到光照时,其集电极-发射极间的反向穿透电流将会增大。利用这一特性,对晶体三极管稍做改造,即可作为光电三极管使用。
对于玻璃封装的三极管,只需如图7所示刮去玻璃壳上的漆层,使光线能够照射到管芯上即可。

对于金属封装的三极管,可按图8所示切去金属管壳的顶部,裸露出管芯,其打开的顶部即为受光窗口。为防止管芯长期暴露在空气中受损,可用一小片透明塑料或有机玻璃覆盖住窗口并粘牢。更好的办法是,从已烧坏的手电筒聚光小电珠上切下聚光玻璃珠,覆盖并粘牢在窗口上,如图9所示,这样不仅起到保护作用,而且由于玻璃珠的聚光作用,还可以增加管子的光灵敏度。

由于光电三极管工作时不需要基极引脚,因此可以利用那些基极引脚齐根折断而报废的晶体三极管,改造为光电三极管使用。
五、晶体三极管作晶闸管
用两只不同导电极性的晶体三极管,可以组成一只模拟的晶体闸流管。一只PNP型晶体三极管(VT1)和一只NPN型晶体三极管(VT2)如图10所示连接,即等效为一只单向晶体闸流管(VS)。如果采用四只晶体三极管:两只PNP型晶体三极管(VT1、VT3),两只NPN型晶体三极管(VT2、VT4),按图11所示连接,即等效为一只双向晶体闸流管。
(文/莫恩)



