本文主要介绍以三极管为主要元器件,配合简单的充放电电路构成振荡器,通过几个实验电路让初学者对电路的特性有初步认识,逐步掌握电路设计和应用的技巧。
振荡器的基本电路如图1所示。在图1电路中,通过选取不同的元器件参数可以实现不同的功能,下面分析其工作原理。
刚接通电源时,由于电容C两端电压不能突变,因此VT2截止,VT1导通,而导通电流为:I\(_{0}\)≈(V\(_{CC}\)-V\(_{CE1}\))/(R2+R3)+I‘。
其中I‘近似等于R4对电容C的充电电流(C的实际充电电流应该是I’减掉VT2的基极电流,但VT2的基极电流足够小,可以忽略),随着C两端电压的逐渐上升,VT2逐渐导通,导致VT1基极电流的下降,从而I\(_{0}\)急剧下降(I\(_{0}\)≈β×I\(_{b1}\)),因此R2两端的电压迅速下降,VT2发射极电位下降;由于电容的储能效应,其两端电压不能突变,从而 VT2导通加剧,如果R1取值较大,最终可以导致VT1的截止,这样一来VT2将由C两端的电压来维持导通,随着C上电压的下降,VT2的导通电流也下降,VT2逐渐截止,则VT1逐步导通,R2两端电压逐步上升,使VT2发射极电位上升,因C两端的电压不能突变,从而B点电位也不能突变,导致VT2截止,VT1完全导通,随着R4对C的充电(其充电电压由R3上压降决定),VT2又逐步导通,这样,又开始重复以上过程,产生了振荡。
通过以上分析可知,其振荡周期主要由R4及C的值决定。当然R2及R3与I\(_{0}\)的值也对振荡周期产生影响。
此电路所使用的器件很少,可作为初学者或学生业余学习、实验,以提高学习兴趣,培养分析电路及动手的能力。
如果对此电路加以适当的变形并对元器件选取不同的参数,可以有多种用途,下面试举三例。
通路测试仪电路如图2所示,此电路可完成一般数字万用表中的通路检测功能。通过引出E、F两点检测有关线路,当短路时,电路系统振荡,则可通过扬声器发生讯响信号。
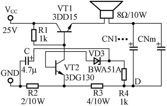
在某些特定使用场合下,要求当电路电流高于某一设定值(或称预置电流时)发出报警信号。比如电容老炼设备,当电流超限时要求报警,以及时排除故障。过流报警仪电路如图3所示。
由于设置了稳压管VD3 (BWA51A,稳压值为2.5V),正常情况下(本例中电流<0.5A)VT2不导通,当电流超限时(比如大于0.75A),D点电位上升导致VT2导通,则电路产生振荡。
3.功率振荡源
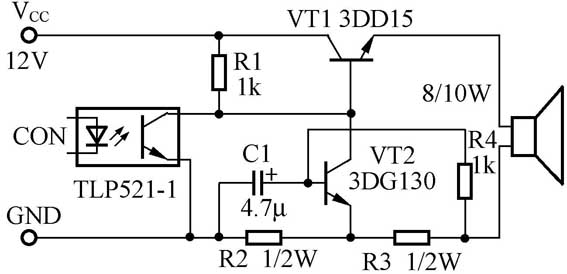
在很多特殊使用场合,要求振荡源具有大功率输出能力(比如警报器)。以往的实现方法是将振荡源产生的信号通过功放电路来驱动,线路较复杂,且成本也高,功耗较大。但是如果选用本文介绍的电路,只要相应选取功率较大的三极管作为功率驱动管(VT1),适当改变电路结构和参数,就可以实现上述功能。
功率振荡电路如图4所示。光电耦合器用来控制VT1的基极电位,当光电耦合器导通时,VT1截止;反之电路振荡。此电路可方便地与微机接口连接,实现相应的自动化控制。
通过以上实例可以发现,某些电路其原理尽管非常简单,但只要熟练掌握基本特性,可通过改变相关参数及电路结构,灵活运用于不同的领域中,就可产生意想不到的效果。
(文/黄颖)



