CS434X系列数模转换器(DAC)是Cirrus Logic公司(网址:www.cirrus.com )新推出的192kHz立体声数模转换器。CS434X系列数模转换器包括CS4344、CS4345、CS4346和CS4348 四款产品。
特点:
CS434X系列数模转换器采用小尺寸10管脚封装,与目前的8管脚系列DAC相比,体积缩小了50%,从而有助于降低印制电路板对空间的要求。
由于CS434X系列产品采用了先进的多位Delta-Sigma结构,总谐波失真加噪音仅为-95dB,动态范围达105dB。CS434X系列数模转换器可在+3.3V或+5V单电源下运行,并且具有其他优异性能,例如:拥有专利权的自动采样率检测、片上数字去重,以及能够消除电流循环嘀嗒声和爆破音的Cirrus Logic Popguard(r)技术, 该技术将有助于减少所需外部器件的数量。CS434X系列产品与 Cirrus Logic 公司的CS4334、CS4340 和 CS4340A等广泛使用的产品兼容,采用这些产品的厂商只需简单升级即可获得最新功能。
CS4344、CS4345、CS4346和 CS4348之间的区别仅在于它们所支持的串行音频接口格式,它们是下一代要求小空间、低成本DAC,并提供优异模拟性能和声音质量的音频产品的理想解决方案。
应用范围:
CS434X系列数模转换器(DAC)适合应用在DVD以及其他娱乐产品中,如数字电视、机顶盒和车载娱乐系统。
应用电路:
CS434X系列数模转换器的典型应用电路如图1所示。
TPS40020/ TPS40021是德州仪器公司(网址:www.ti.com)推出的两款新型同步 DC/DC 降压控制器。
特点:
TPS40020/ TPS40021可以在2.25 ~5.5V的输入电压及高达25A的输出电流情况下,提高非隔离式系统的性能,其效率高达92%,而且还可节约空间并简化电源设计。
TPS40020/TPS40021的输出电压低至0.7 V,并拥有1%精确度的内部 0.7V参考电压;外部可调整软启动电路与短路限流电路可以确保TPS40020/TPS40021的安全。频率可以固定在100kHz~1MHz,且带有电源状况良好指示的快速响应输出瞬态比较器,可以实现更快速的响应时间。
TPS40020/TPS40021均采用16引脚 HTSSOP PowerPadTM封装。
应用范围:
TPS40020/TPS40021适合应用在工业、电信、数据通信、无线基站与服务器中。
应用电路:
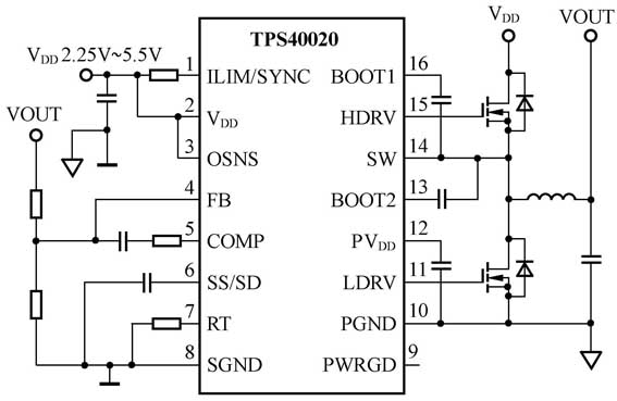
TPS40020/TPS40021的典型应用电路如图2所示。
特点:
LTC3703是凌特公司(网址:www.linear.com.cn)推出的一种成本低廉的高效、高电压输入直流同步降压控制器。
LTC3703的效率达95%,输入电压为100V,门驱动电阻为1Ω,频率可在100kHz~600kHz之间调节,参考精度达±1%,输出电流可调节。LTC3703无需使用变压器和电流检测电阻,它采用线路前馈补偿,从而减小了输入电源瞬态对输出的影响。该产品的高带宽(25MHz)误差变压器和环路补偿提供了快速线路及负载瞬态响应。
LTC3703的额定工作温度范围在-40℃~85℃,有16引脚SSOP和28引脚SSOP两种封装形式。
应用范围:
该产品可用于将36V~72V电源转换至电信系统或者服务器所需要的的12V或5V电源,也可用于汽车和工业系统的电源电路中,输出电流高达20A。
编者注:以上器件的详细资料见本期配刊光盘的“本期元器件资料”文件夹



