PT8A977/PT8A978是PTI(百利通)公司(网址: http://www.pti.com.cn/ )生产的新型多通道遥控编/解码电路。由于采用PT8A977/PT8A978芯片生产的遥控部件不需要专门的驱动电路即可驱动负载,而且调试简单、可靠性高,故PT8A977/PT8A978被广泛用于在比例遥控航模、遥控玩具等电子产品中。
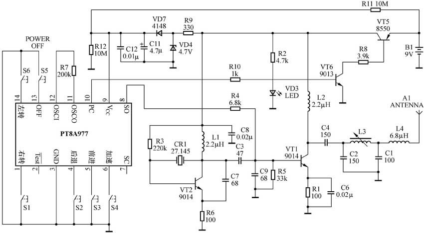
PT8A977是编码控制芯片,能输出前进、后退、左转、右转和加速功能的五路控制信号。PT8A977设计的编码电路如图1所示。
PT8A977的1、4、5、6、14脚分别为编码信号控制脚,按下相应引脚上的按键,8脚就输出相应的编码信号,经过该编码信号调制的27.145MHz信号(由VT2和27.145MHz晶振产生)经VT1放大后向空间辐射。C1、L3、C2组成天线匹配网络。
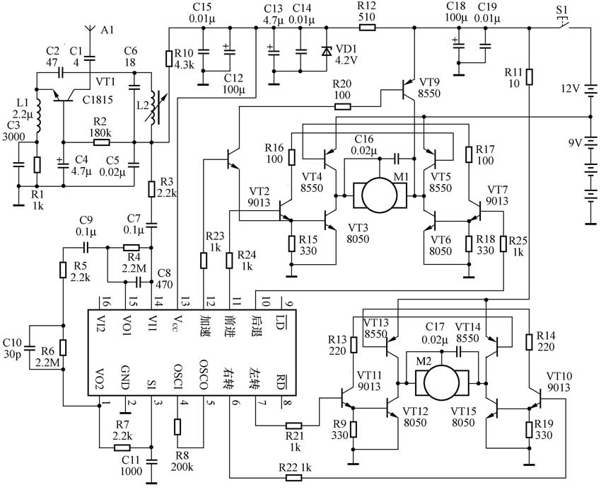
PT8A978是解码控制芯片,能接收PT8A977B 的编码信号并输出相应的前进、后退、左转、右转和加速功能的五通道控制电平。PT8A978设计的解码/驱动电路如图2所示。
在按下编码电路板上的相应按键时,解码芯片PT8A978上的相应控制端输出高电平,控制驱动电路完成相应的操作。PT8A977/ PT8A978的功能输出表如附表所示。

(文/赵政先)

