稳压电源(恒压电源)在电源中应用最为广泛,而恒流源(恒流电源)则用得较少,只在某些情况下有一定的应用,例如,为保证光学仪器中的灯光发光强度的稳定性(它会影响仪器的测量精度),需要恒流供电; 一些传感器的供电需要恒流供电(如压力传感器等桥式传感器);另外,镍镉电池也需要恒流充电。
功率MOSFET能输出较大的电流,并有较好的输出特性:当P管的-V\(_{GS}\)一定时,它有一定的-I\(_{D}\),并且在一定范围内V\(_{DS}\)的大小变化与-I\(_{D}\)无关。例如,型号为Si9405的P沟道功率MOSFET的输出特性非常好(如图1所示),它有较好的恒流性能。利用这种特性设计成的恒流源如图2所示。为-V\(_{GS}\)的稳定,采用了稳压二极管,用RP来调节CV\(_{GS}\),可调节输出不同的-I\(_{D}\)。


该电路的特点是电路简单,但在输出电流CI\(_{D}\)较大,负载电阻变化较大的使用场合(V\(_{DS}\)变化较大),其管耗较大(P\(_{D}\)=-I\(_{D}\)×-V\(_{DS}\))。管耗大而产生的热量会使结温升高,若不采取合适的散热措施,会造成较大的温度漂移,从而使恒流性能变坏,甚至于烧掉功率MOSFET。所以通风、散热(加合适的散热片)十分重要。因此,这种电路较适合输出电流不大,负载电阻变化不大的场合。
如果用功率MOSFET的恒流特性,再加上电流反馈电路,则其恒流精度更高,如图3所示。

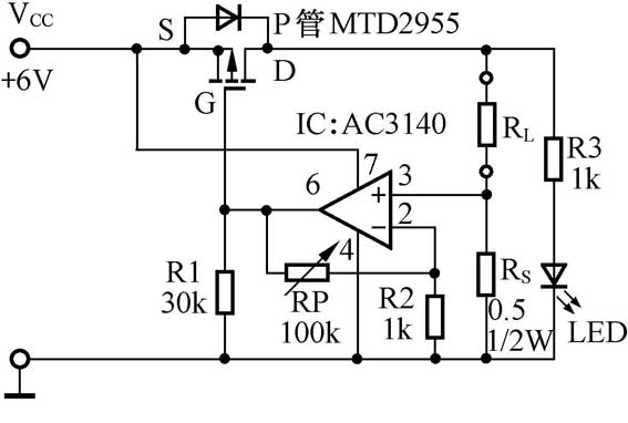
有电流反馈的恒流源
该电路由P沟道功率MOSFET、运算放大器、电流检测电阻R\(_{S}\)等组成。工作原理如下:运放CA3140组成同相端输入放大器。当恒流源输出电流经负载R\(_{L}\)及R\(_{S}\),在RS上产生的电压(R\(_{S}\)×-I\(_{D}\))输入同相端,经放大后直接控制P管的栅极G而组成电流反馈电路,使输出电流达到稳定。例如,如有-I\(_{D}\)↓、R\(_{D}\)上的电压↓、同相端的输入电压↓、运放的输出电压↓、运放输出电压↓(R1的电压)↓、-V\(_{GS}\)(V\(_{CC}\)-V\(_{R1}\))↑、-I\(_{D}\)↑,这样可保持恒流的稳定性。
输出电流-I\(_{D}\)的大小是通过电位器RP的调节而达到的。改变RP的大小,改变了运放的增益,改变了运放的输出电压,从而改变了P管的-V\(_{GS}\)的大小,也改变了P管的漏极电流-I\(_{D}\)。例如要使-I\(_{D}\)增加可减小RP值。RP值↓、使运放增益AV↓、运放输出电压↓、-V\(_{GS}\)↑、-I\(_{D}\)↑。
这里的R3及LED仅用作有恒流时的指示(R\(_{L}\)×-I\(_{D}\)>1.8V时LED才会亮)。R3、LED也可不用。
元器件选择
P沟道功率MOSFET采用MTD2955,它耐压高、输出电流大,可组成大电流恒流源。其主要参数: -V\(_{DS}\)=60V、最大连续-I\(_{D}\)=12A、R\(_{DS(ON)}\)=0.3Ω(I\(_{D}\)=6A),最大功耗P\(_{D}\)=1.75W。其封装及管脚排列如图4所示。

MTD2955是贴片式器件,散热条件差,不加散热片时其功耗较小,极易过热而损坏(因为本电路是用在线性范围)。在做本电路实验时加了一个小型散热片,如图5所示。

运算放大器可采用通用型、单电源运放,这里用了现成的CA3140,也可用其他通用型单运放。
电位器RP可采用多圈小型电位器,如图6所示。它可以作较细的调节,不仅调节方便、精确,并且占印制板面积小。电流检测电阻R\(_{S}\)可用1/2W、0.5Ω的金属膜电阻。在恒流电流大于1A时,可采用专用的贴片式电流采样电阻(阻值0.01Ω、0.02Ω等,2W),它有更高的阻值精度。当恒流电流较小(如几十毫安),R\(_{S}\)可增加到1Ω。

实验电路
按图3搭了个实验电路,目的是试其恒流的稳定性及恒流的调节范围。R\(_{L}\)=13.3Ω/5W、V\(_{CC}\)由可调稳压电源提供,设恒流IL=200mA,V\(_{CC}\)设6V(实测5.77V)。
采用测R\(_{L}\)上的电压来测电流的方法较之用直流电流表测电流方便及精度高。调RP,使R\(_{L}\)上的电压为2.67V,则相当I\(_{L}\)=200mA。通电10分钟后,调节I\(_{L}\)=200mA,每隔10分钟测一次V\(_{RL}\)值,测四次值都相同(用数字电压表20V挡),说明恒流稳定性良好。其他参数实测数据:V\(_{RS}\)=0.098V;CA3140输出电压V\(_{OUT}\)=1.82V; -V\(_{GS}\)=3.95V;V\(_{DS}\)=3.01V。用V\(_{CC}\)=-V\(_{GS}\)+V\(_{OUT}\)及V\(_{CC}\)=-V\(_{DS}\)+ V\(_{RL}\)+ V\(_{RS}\)来核算,基本正确。
恒流调节范围的测试。RL不变,调RP的阻值最小时,测V\(_{RL}\)=5.25V,计算得I\(_{L}\)=0.395mA;调RP的阻值最大,V\(_{RL}\)=0.55V,I\(_{L}\)=41mA。在R\(_{L}\)=13.3Ω时,恒流的调节范围约40~400mA。
要特别说明的是,V\(_{CC}\)必须是稳压的。若V\(_{CC}\)变动,必然会改变-V\(_{GS}\),则-I\(_{D}\)会自动作相应变动。另外,MTD2955在不加散热片,安装在印制板上的功耗P\(_{D}\)在T\(_{A}\)=25℃仅1.75W,这时用于开关状态是合适的,但用于线性状态时不加散热片不行。若RL很小(-V\(_{DS}\)大),-I\(_{D}\)大,则极易过热烧毁。例如,若-V\(_{DS}\)=5V,-I\(_{D}\)=1A,则P\(_{D}\)=5W。因此,在这种情况时建议采用TO-220封装的器件,与贴片式MTD2955相应的TO-220封装器件,加上合适的散热片,其PD可达40W。
V\(_{CC}\)的选取与要求的恒流电流I\(_{L}\)有关。V\(_{CC}\)越大、-V\(_{GS}\)越大,则-I\(_{D}\)越也大(即I\(_{L}\)越大)。若I\(_{L}\)的变化范围不大,则设计时尽可能使V\(_{CC}\)小一些,不仅可减少P管损耗,并可使恒流工作更稳定、安全。
编者注:本制作的供货信息见第66页广告。
(文/戴维德)