本电路的特点是所有用户均采用并联的形式,只需用两根电缆连接,没有复杂的编码、解码系统,大大简化了电路,并且工作可靠,适合于楼房、四合院等一门多户的场所。
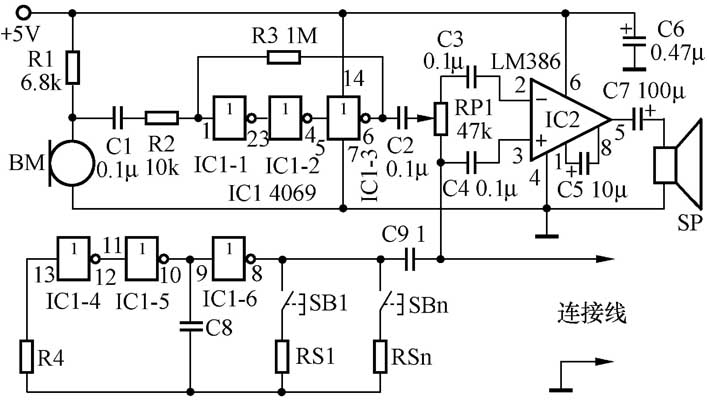
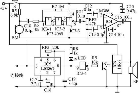
图1为门口控制电路,图2为各用户端室内电路。门口控制电路由音频放大、消侧音、多谐振荡器电路组成,当依次按下SB1~SBn时,振荡器电路将会分别产生一个彼此频率不同的方波信号。用户端电路中的IC5组成音频解码电路,其中心频率与门口控制电路中对应的按键所产生的频率相同,当有人按某一户的门铃时,该户的终端电路检测到与其中心频率相同的振荡信号,就会输出低电平控制信号,经非门IC3-4反相,变为高电平,使VT导通,触发门铃电路IC6发出声音,此时,该用户只需闭合开关S,即可与来访者通话,而其他用户电路的中心频率与此振荡信号不同,故不会触发门铃电路发出声音。


工作原理
图1中IC1的IC1-4、IC1-5、IC1-6三个非门组成多谐振荡器。通常情况下振荡频率f=1/(2.2Rsn×C8)。其中R4用于稳定振荡频率,其阻值取Rsn的6~10倍,可采用不同的Rsn值来获得不同的振荡频率,读者可在500kHz的范围内自行设定其振荡频率,也可采用555定时电路组成振荡器。
IC1中的IC1-1、IC1-2、IC1-3三个非门组成放大电路,常作为一般小信号的前置音频放大器使用,由于非门的相移为180°,偶数级串联可能引起电路失稳或自激振荡,故实际电路多采用奇数级串联,其中R3为负反馈电阻,用以改善电路的线性和稳定性,它的增益Au=R3/R2。
IC2组成消侧音电路。侧音是指在本方的扬声器中听到自己的声音,这种声音形成电声反馈,就会干扰正常的对讲通话。消侧音电路的工作原理是将前置放大后的音频信号分别送入正、负向输入端,调节RP1,使其输出信号正负抵消,进而使扬声器无声音,而用户端送来的音频信号则大部分送入了其正向输入端,经放大后推动扬声器发出声音,LM386的1、8脚为增益调节端,开路时增益只能达到20dB,若电路中出现啸叫,可在7脚加一只几微法的电解电容到地。
IC5组成音频解码电路。LM567是一种锁相环单音频译码集成电路,它5、6脚外接的RP3与C19决定着其内部振荡频率f\(_{0}\),f\(_{0}\)=1/(1.1×RP3×C19), 它的中心频率的调节范围为0.01Hz~500kHz。C18为低通滤波电容,其大小与测量精度有关,容量越大,则通频带越窄,测量越精。C17为输出滤波电容,其容量一般取C18的两倍,3脚是音频信号的输入端,要求输入的音频信号幅度大于25mV。8脚是逻辑输出端,当3脚输入的信号频率与LM567的中心频率相同时,8脚输出低电平,按图中所标元件值,它所设定的最低中心频率为227Hz。
安装调试
读者可根据实际的户数选定频率值,先确定电容的值,再分别通过公式计算出各用户对应的电阻值,选择阻值相近的电阻连接到电路。在图1中的C2处加入一个音频信号源,仔细调节RP1,使扬声器的输出越来越小,直到无声(经实验得知,该点确实存在),同样调节各用户端的消侧音电路。将图1中按键SB1~SBn依次按下,调节其对应用户电路中的RP3,使发光二极管点亮或频闪(如果设定的频率低时),扬声器发出声音即可。只是注意在每一次通话完毕后一定要将开关S断开。
(文/吕建国 张丽媛)