我们知道,正常的供电电压是手机能够正常工作的先决条件,所以用万用表测量相关测试点的电压与图纸上的标准电压(或平时积累的正常电压)进行比较,往往能够判断故障,找出故障元件,直至排除故障。为此,本篇重点介绍根据相关测试点电压判断和检修手机故障的方法与技巧。
图1、图2是诺基亚8250手机主板在正常状态下的关键点电压图,由图可见,该机主板和键盘板的关键电压测试点主要有以下几处:

VXO(Vtxo)电压为2.8V,主要给26MHz晶振及射频处理芯片供电。如果该电压异常,就会出现不能开机、不能上网等故障。
VRX(VRxrf)电压为2.8V脉冲,主要给射频处理芯片内部接收电路供电,如果该电压异常,就会出现不能接收故障。
⒊VSYN-1(VLna)电压
VSYN-1(VLna)电压为2.8V,主要给射频处理芯片及接收前置电路供电,如果该电压异常,就会出现不能接收故障。
⒋VSYN-2(Vsynte)电压
VSYN-2(Vsynte)电压为2.8V,主要给射频处理芯片内部的锁相环电路供电,如果该电压异常,就会出现不能上网故障。
⒌VTX(Vmod)电压
VTX(Vmod)电压为2.8V,主要给发射电路供电,如果该电压异常,就会出现不能发射故障。
⒍VCOBBA电压
VCOBBA电压为2.8V,主要给音频处理芯片内部的送话放大电路供电,如果该电压异常,就会出现不能送话或送话异常故障。
⒎VBB电压
VBB电压为2.8V电压,主要给微处理芯片、存储器芯片、写码芯片、LCD电压驱动等逻辑部分供电,如果该电压异常,就会出现不能开机、无液晶显示、软件运行出错、不能写码等故障。
⒏VREF电压
VREF电压为1.5V,主要给编解码芯片及射频处理芯片作参考电压用,如果该电压异常,就会出现不能接收、不能上网等故障。
⒐VCORE电压
VCORE电压为2.0V,主要给微处理芯片供电,如果该电压异常,就会出现不能开机故障。
⒑V5V、VCP电压
V5V、VCP电压为5V,主要给第一本振及射频处理芯片复位供电,如果该电压异常,就会出现不能上网、不能开机等故障。
⒒VBAT电池电压
VBAT电池电压为3.6~4.3V,可以在电池板和主板的电池接触点上测到,提供整机电源,如果该电压异常,就会出现不能开机、不能上网、打电话困难等故障。
二、维修实例
例1、 TCL1838型手机无背光照明,其他功能正常
分析与检修:
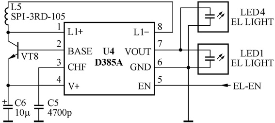
与故障有关电路如图3所示。其他功能正常,说明故障只限于背光照明电路本身。首先用万能表测量U4(D385A)背光照明驱动芯片第4脚,发现有正常的3V左右供电电压,检查其第7脚,发现没有交流的背光驱动信号(正常时该信号用示波器观察为正弦波),检查相关元件,发现L5升压电感虚焊,补焊后故障排除。
例2、 三星SCH-A599型手机无键盘照明,但其他功能正常
分析与检修:
与故障有关电路如图4所示。由于LED1~LED12键盘照明灯采用并联供电,遇到所有键盘照明灯都不亮的故障,不是V-BAT供电线开路就是BACKLIGHT控制信号或相关的VT250、VT251等控制元件存在不良。首先检查V-BAT供电,正常。检查BACKLIGHT控制信号,也正常。检查相关的控制元件,发现VT251驱动管b-e极间击穿,将其更换后故障排除。
例3、 三星SCH-A599型手机按开机键不能开机
分析与检修:
与故障有关电路如图5所示。拆开机壳,取出电路板,连接好手机专用维修电源后按开机键,发现有27mA左右的电流,但电流马上消失为零。根据故障现象,说明电源电路已经工作,只是不能维持工作而已。首先用示波器检查与电源维持有关的19.68MHz主时钟信号,发现在C182上波形正常,但在U110(TC7S04FU)时钟信号放大芯片第4脚上没有时钟信号波形,用万用表测量U110芯片第5脚供电,有正常的3V左右电压,检查相关外围元件正常,更换U110芯片,再试机,一切正常,故障排除。
例4、 TCL1828型手机打电话时对方听不到自己的声音,但自己听对方的声音正常
分析与检修:
与故障有关电路如图6所示。从故障现象看,问题应该出在发送音频电路。由原理可见,机内送话器与外接耳机送话器共用U203(TC75S56TU)音频放大芯片组成的发送音频放大器。为了快速判断故障部位,用外接耳机做通话试验,结果发现也是对方听不到自己的声音,说明故障在两者的共用发送音频放大电路。首先用万用表测量U203音频放大芯片第5脚3V供电电压,结果为零,异常,但测量3.0-P端有3V电压,怀疑U203芯片第5脚存在虚焊,但补焊该脚无效,说明3.0-P印制线存在暗断点,用漆包线将U203芯片第5脚直接与3.0-P端连通,再试机,一切正常,故障排除。
特别提示:
J202外接耳机簧片接触不良是该型手机的常见故障,也会出现和该故障类似的情况。
例5、 三星SCH-A599型手机不能充电,但其他功能正常
分析与检修:
与故障有关电路如图7所示。根据故障现象,重点检查充电电路本身。在充电状态,用万用表检查U220(LTC1734ES6-4.2WTR)充电控制芯片第3脚充电输入电压正常,检查其第6脚充电电压调整脚为高电平,异常,正常应为低电平。检查U220芯片第4脚充电编程端为高电平也异常,但检查相关的CHG-ON充电开信号为高电平正常,检查相关元件,发现R222电阻存在虚焊,补焊后再试机,一切正常,故障排除。
(文/周立云)


