单片机彩灯(广告灯)控制电路大体上可分两大类:一类是单片机固化程序控制器,这类控制器也称专用彩灯控制器,它是把彩灯闪烁变化的程序在制作集成芯片时,就已设计好,并固化在芯片内,用户只需配接适当的电源及外电路,就可按块内程序闪烁发光。另一类就是单片机编程控制器,这类控制器的闪光程序,并没有事先设计好,用户要制作这类彩灯控制器,就要根据闪光变化的需要来设计程序,然后,依靠计算机或仿真器的帮助把编好程序烧录到单片机内,用户只要连接好电源与外电路,彩灯便可按照厂家设计的程序闪烁。
单片机彩灯控制器根据电路的结构的不同又可分为并行输出与矩阵输出两种形式,并行输出的控制器电路中,把所有路(个)的彩灯的正极都经过一个限流电阻接到电源的正极端,所有负极连在一起接地,再从彩灯的正极处引线接到单片机相应I/O端口上。这种形式的控制器适宜作流水、跳跃、反向、固定广告语、音乐喷泉、模拟礼花等花样变化的控制,对于单片机来说,具备多少I/O输出端口均可,少则3个端口就可设计出流水状的控制花样。
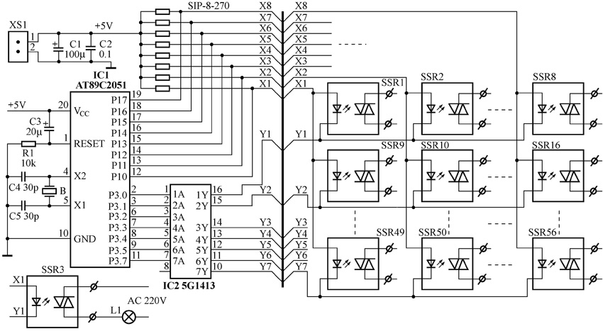
矩阵输出形式的彩灯控制器采取如图1所示的电路,电路中,也是把所有路(个)彩灯的正极分别经一限流降压电阻接到电源正极处,而所有负极不是接在一起,而是分别接至单片机的一组I/O端口上,然后,再把所有路(个)彩灯的正极又分别接至单片机另一组I/O端口上,形式像矩阵。这种形式的控制器,适宜作多花样控制,也可作字符显示屏闪烁花样的控制,不过这种形式的控制器要求单片机需有多组I/O输出端口,或需用多个单片并联扩展使用。

AT89C2051矩阵输出56组彩灯控制器
矩阵输出方式的彩灯控制器电路原理图如图1所示。单片机IC1的控制输出信号由两个I/O口完成。由P1口输出8个行驱动信号与由P3口输出7个列驱动信号进行矩阵连接,可以对56组彩灯实施多花样变化的控制。若在P1口线上输出高电平信号,在P3口线上也输出高电平信号,P3口上的高电平信号经IC2反相后会变为低电平,这时被P1、P3口控制的固态继电器就会被触而导通,所有组的彩灯都会被点亮。
在通常情况下,P1、P3口多半都不同时输出高电平,因此,各组彩灯也多半不会同时都点亮,哪组彩灯被点亮要看P1与P3口的输出状态,当P1口输出00 时,SSR1~SSR56都不会导通,彩灯也全部熄灭。当P1口输出01H,P3口输出01H时,由继电器控制的彩灯(L1)被点亮; 当P1口输出02H,P3口仍然输出01H,P1.1口线上处于高电平的SSR2导通,由SSR2控制的彩灯(L2)被点亮。因此通过编制软件,改变P1口和P3口的输出状态,从而达到彩灯的不同显示效果。
2.编程设计
彩灯显示花样规律: 彩灯全亮1s → 全灭1s → L1亮1s → L1、L2亮1s → L1~L3亮1s → L1~L4亮1s …… 全亮1s(循环)。
前8组彩灯发光程序清单较长,不便刊出,见本期配刊光盘的“本期程序”文件夹。
AT89CX051编程节奏可调彩灯控制器
用单片机编程设计实现彩灯花样控制大多存在灯亮变化节奏不能连续可调的弊端。其实,只要把原有控制电路稍作改进,问题就能解决。图2是一款用AT89CX051编程控制的彩灯控制器电路,电路中加有一个可以改变灯亮变化节奏的调整电位器RP1。
这种做法的特点是:通过电位器对RC电路时间常数的调整完成A/D变换,只占用MCU两个引脚就能实现延时功能。
该设计的基本汇编程序如下:
ORG 00H
AJMP MAIN
ORG 30H
MOV SP,# 3FH
MOV R0,# 0H; 计数器赋初值
MOV A,# 01H
ROUND:MOV P1,A;
以下是流水灯的程序:
ACALL DELAY
RL A
MOV R1,A
SJMP ROUND
DELAY:
SETB P3.5
NOP
NOP
NOP
CLR P3.5
SETB P3.7; 给电容充电
SSK: NOP
JNB P1.0, SSK
INC R0
CJNE R0, # F0H, DE
RET
END
程序中用实时查询的方法对系统资源占用较大,当然也可在编程时通过定时器溢出中断来查询P3.7脚是否到达动作数值。
单片机彩灯控制器的功率扩展
图2中用单片机编程设计出来的彩灯控制器的输出功率一般都很小,若要驱动大功率彩灯电路,需对原电路进行功率扩展,扩展的方法一般有光耦合器扩展电路、扩展电路、继电器与固态继电器扩展电路。
图1是一款直接用固态继电器扩展的56路单片机彩灯控制器,图3则是一款用光耦合器、电子触发电路与固态继电器扩展的单片机彩灯控制器电路。
(文/邹天汉)
