对于大屏幕彩电的黑屏(或亮度极低)故障,一般是由电源系统、行扫描系统、CRT及尾板、亮度通道、ABL电路等引起的,只要以上系统各关键测试点直流电压不正常,CPU、I\(^{2}\)C总线传输数据就不正常,有可能引起黑屏故障。分析黑屏故障时,要忽略无伴音现象,从而使问题简单化。以下举两例来说明检查黑屏故障的思路及排除方法。
故障1
一台北京光彩超画质音王2922T彩电,开机2秒钟后,“咔哒”一声,机内交流继电器吸合,随后听到机内“沙”的一声(高压产生),但屏幕黑屏、无伴音,字符显示正常。
开机首先测量电源系统、行扫描系统输出电压基本正常。测量CRT及尾板有关电压,在黑屏状态下TDA6108J各脚的电压分别是:1脚Bin、2脚Gin、3脚Rin,三脚电压均为3.5V,略高(正常在2.8~3.2V之间); 6脚V\(_{CC}\)=195V,正常200V;7脚Bout、8脚Gout、9脚Rout三脚电压均为75V,正常100V;5脚BLK脚为4.0V(正常6.2V)。5脚BLK脚为暗平衡监测输出端,监测信息送往小信号单片集成电路TDA8843的18脚(见图1),CPU根据18脚电压的大小,通过I\(^{2}\)C总线送出设置数据,调整TDA8843的19、20、21脚B、G、R三基色信号的直流电压和交流信号幅度,进而实现暗亮平衡的自动调整;TDA6108J的5脚BLK脚直流电压低于5.0V时(即黑屏时),TDA8843的18脚直流电压低于4.6V,此时CPU通过I2C总线送出信号使彩电静音。黑屏时TDA8843的18脚为4.6V(正常5.0~7V),当用500型三用表直流250V挡测量TDA6108J的5脚BLK脚时,黑屏故障消失,图像、伴音、色彩立即正常,显然5脚BLK脚电压低。但是从+5V电源端通过一只R=12kΩ的电阻(680Ω<R<2200Ω)直接接到5脚BLK脚时,彩电能正常工作,但这不是解决问题的根本办法。再深入分析,加速极电压过低,也会引起黑屏,立即对加速极电压进行测量为120V(正常在300~550V内),调节Screen电位器,最高只能调到300V,此时黑屏故障消除。因购不到同型号的行输出变压器,而且只有Screen电位器损坏,本人从行管c极(或H-DY一端)引出行脉冲,通过两只串联的1N4007整流(提高耐压值),分出500V电压加到CRT的尾板,电路如图2所示至此,彩电工作恢复正常。


故障2
一台长虹C2592AV彩电,开机后黑屏,伴音正常;关机时瞬间出现一条约10cm长的水平亮线。
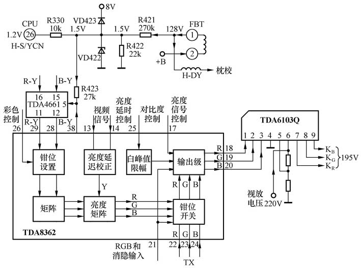
开机后用500型表测量FBT9脚灯丝电压、加速极电压、视放电压,分别为6V(交流10V挡;因表不同,一般在3.6~6.0V之间)、420V、220V,均正常。调节加速极电压升至600V时,开机后仍是黑屏,开机时能听到轻微的高压声。测量K\(_{R}\)、K\(_{B}\)、K\(_{G}\)三基色控制极电压均为195V,说明处于截止状态。测量TDA6103Q的1、2、3脚的R、B、G三基色输入电压均为1.5V,偏低,正常值为3.0V左右;测量TDA8362的18、19、20脚的R、B、G三基色输出脚电压均为0.6V,偏低,正常值为2.0V左右。至此,故障范围很可能在以TDA8362为中心的亮度、色度信号处理通道。
参见图3。亮度信号处理通道的输入脚为:13脚是视频信号输入脚。有视频信号输入时,该脚电压为3.9V左右,无视频信号输入时,该脚电压为3.3V;14脚是亮度延迟校正控制输入脚。经R241、RP240分压,一般为2.2V左右;17脚是亮度信号控制脚。此信号来自微处理器的3脚BRI,有视频信号输入时,该脚电压为0.5~4.5V可调,无视频信号输入时,该脚电压为0V;一般为3.0V左右;25脚是对比度控制输入脚,此信号来自于微处理器的5脚CONT,有视频信号输入时,该脚电压为0.5~3.5V可调,一般为2.2V左右。21脚是TV/TX的R、G、B转换、叠加及快速消隐控制信号输入脚。该脚电压为0~0.3V时,TX的R、G、B信号被切断,TV的R、G、B信号被显示;当该脚电压为0.5~0.8V时,TV/TX信号叠加;当该脚电压为0.9~3.0V时,TX的R、G、B信号允许输入,TV的R、G、B信号被切断;当该脚电压超过4.0V时,TV/TX的R、G、B信号均被切断,TDA8362的18、19、20脚三基色信号输出电压均小于0.6V,既无图像又无字符显示。根据上述分析,在黑屏状态分别测出21、13、14、17、25脚的电压分别是0.2V、4.0V、3.0V、3.3V、2.2V,均正常,下一步需要检查色度电路。

色度处理电路与沙堡脉冲关系密切。TDA8362的38脚,既是沙堡脉冲输出,又是行回扫脉冲输入。它分别加至TDA4661的5脚、TDA8395的15脚,用于U(B-Y)、V(R-Y)信号延迟和SECAM制式选择。沙堡脉冲不正常,(B-Y)、(R-Y)信号无输出,后续解码电路解调不出R、G、B三基色信号,造成黑屏。正常时该脚的电压为1.2V,在黑屏状态测量是0.1V,显然故障与该脚有关。测行回扫脉冲,R421两端分别是128V、1.5V,均正常。TDA8362的41脚是场回扫脉冲输入,正常时该脚的电压为2.8V,在黑屏状态测量是3.6V;显然是场回扫脉冲不正常,导致沙堡脉冲输出不正常。测量场输出块TDA3654的9脚V\(_{CC}\)为26.2V,正常,泵电源6脚26.0V正常,场激励输入1、3脚3.0V,正常,只有场输出5脚24.0V不正常,正常为13.0V左右。果断更换TDA3654后,机器正常。
另外,用三菱芯片M37220M3(CPU)、M52340(小信号处理)组成的大屏幕彩电,若M52340的1脚H.SYNC(行逆程脉冲同步信号输入端)丢失或被地短路,均会造成大屏幕彩电黑屏、无字符显示故障,敬请留意。
(文/张建忠 李宝奎)