目前,彩色电视机搜索选台的方式有两种:一种是电压合成选台方式,采用电压合成式调谐器,由微处理器直接输出调谐电压对本振及各波段滤波器调谐。另一种是频率合成选台方式。采用的是频率合成式调谐器。它和电压合成式调谐器的主要不同是增加了一个锁相环。本机振荡器(压控振荡器)与锁相环一起组成锁相环频率合成器。微处理器通过I\(^{2}\)C总线将数据送到锁相环,使锁相环输出与数据对应的调谐电压V\(_{t}\)去调谐本振与各波段的滤波器。这两种选台方式的微处理器自动搜索原理是相同的。
自动搜索记忆的工作过程:CPU按VHF—L—VHF—H—UHF的顺序自动搜索,首先检测从同步分离或行扫描电路送来的行同步信号,如果检测到行同步信号,CPU内部的行同步检出信号被送到AFT比较器,同时,CPU还通过检测由中放送来的AFT信号,使AFT比较器产生向上微调或向下微调信号,使搜索计数器由快速记数变为慢速加或减记数,由快速搜索调谐变为慢速调谐,直至AFT入锁,检出调谐点,搜索计数器自动停止搜索。CPU向存储器发出控制信号和存储数据,使存储器进行存储操作,然后,CPU使频道预置号加1,继续进行节目搜索。从低到高的频道位置号一一对应。这样,直至将所有频道位置号预置完毕,或者到UHF频道最高段,便自动停止搜索,然后回到频道1,并从存储器中读出频道1中相应的数据而恢复正常工作状态。
如果搜台过程中,上述两个识别信号不能同时得到满足,则即使搜到了节目,CPU也判定为没有搜到节目,存储器不进行存储操作。不同机型CPU与两个识别信号的接口电路不同,对行同步信号和AFT电压的识别方法也有差别,要根据具体机型电路进行识别和分析。
2.故障分析
(1)不能自动搜索选台或自动搜台少
自动搜索节目时,微处理输出调谐电压V\(_{t}\)由0变化到30V,换一个频段,再从0变化到30V,这样反复地对每个频段进行搜索,若调谐电压不变化,搜索就立即停止。因此,不能自动搜索选台或自动搜台少的故障,应重点检查微处理输出的调谐电压及高频调谐器Vt端子各波段切换电压。
检修方法:对于使用电压合成选台方式的机型,可以通过测量波段电压和调谐电压来判断。正常情况下,三个波段端子为+12V高电位,且随着波段键或节目键的操作,可在0V/12V之间跳变;调谐端子电压稳定,可在进行节目调节时有电压跳变,在搜台操作时能在0V~30V线性变化。测试结果若正常可判断公用通道所需选台条件具备,否则,应对高频头相应端子和控制信号产生接口电路及CPU进行检查。
对于通过I\(^{2}\)C总线提供选台条件的高频头,只能通过测量总线电压进行分析判断。正常情况下,I\(^{2}\)C总线中的SCL SDA引脚电压在4.5V左右, 即当正常收看节目时它应该稳定在4.5V,而当其在进行搜台操作时在4.5V摆动。如果测试结果低于正常值很多,说明I\(^{2}\)C总线工作异常,先用断开法查明原因。可先断开高频头两根总线引脚,然后测量总线引脚电压,如果恢复正常,说明所断开的高频头有问题,应更换,如果电压仍然偏低,应进一步检查。
(2)自动搜索不能完成
电视机自动搜索时,节目号不变化,分两种情况: 一是接上天线信号后,自动搜索节目,屏幕上无图像出现,只有雪花点出现,节目号不变化,这种现象的故障说明图像公共通道存在故障。二是搜索到的图像在屏幕上一闪而过,不能停住,频道预置号不变,不能完成搜索操作,当然也不能记忆调谐数据。这类故障是送到微处理的两个电台识别信号缺少或不良。与中放、视频检波电路有关。大多由AFT电路有问题引起。
视频同步信号的检查方法:
视频同步信号的检查用示波器检测较为直观,如无示波器也可用电压法检测。具体为:测量视频信号引入端电压,看在静态(无节目接收)和动态(有节目接收或自动搜索过程中检索到节目的瞬间)情况下电压有无约0.6V的跳变,如果有0.6V的跳变,且动态值与图上标注的值基本一致,说明对CPU提供了正常的视频信号,反之应进一步检查。另外,将电视机置于AV状态,输入视频信号,如电视机的图像、伴音正常,可说明中放组件输往CPU的同步识别信号正常。这种方法在检测中较为实用。
AFT电压的检查:
主要用电压法检测,主要检测点是:CPU的AFT电压引入端和中频集成电路AFT电压输出端。正常情况下,在搜台过程中当搜索到节目前后CPU的AFT电压引入端应有一定的电压摆动范围。检查时应先测量CPU的AFT电压引入端在搜台过程中的电压,然后进一步测量此引脚的动态(接收节目)电压。如果在搜台过程中,有电压摆动且动态情况下的测试值与标注值一致,可判断这个接口电路工作正常。反之,进一步检查中频集成电路AFT电压输出端电压,测试内容除搜台、动态值外,还要测量静态电压。若静态正常,可判断AFT接口电路有问题,反之,说明AFT形成电路有问题。
另外,当微处理器的同步信号不稳定,会造成图像的不稳定,甚至出现图像翻滚现象。
(3)自动搜索选台后不能存储
自动搜索选台时搜索正常,调出的图像在屏幕上能稳定1~2秒时间,节目号能自动变化,但不能把搜索到的节目对应的数据存储下来。这类故障多由存储器及存储器供电电路引起。
3.检修实例
例1:海信TC2125彩电自动搜台时,屏幕无图像,而是满屏的雪花点。
用万用表检测高频头上的调谐电压始终为30V的高电压, 测量电平转换管V785基极电压在0~5V之间变化, 正常情况下应在1~0V之间变化, 经检查是电平转换管V785be结开路,更换V785,故障排除。
例2:长虹N2918彩电自动搜索节目时,节目号不变。
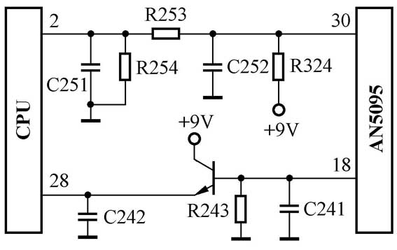
电视机工作在自动搜索状态时,节目号要变化,需要CPU28脚输入正常的图像识别信号和2脚输入正常的AFT电压(参见附图)。用遥控器微调节目,发现在微调节目时,有伴音出现,说明AN5095的18脚输出的图像识别信号正常,查CPU脚和AN5095间电路也是正常的,使电视机工作在全自动搜索状态,测量CPU28脚电压,正常情况下该脚电压在0~4V间变化,实际测量发现此脚电压变化太小,检查CPU2脚与AN5095的30脚间元件,发现R253阻值变大,更换R253,故障排除。
例3:长虹C2588自动搜索节目时,节目号不变。
将电视机置于AV状态下,输入视频信号,电视机的图像、伴音正常,说明中放组件输往CPU的同步信号正常。关闭蓝背景,屏幕上噪点正常,用微调功能预置节目,搜到节目后图像和伴音不能兼顾,说明图像中放电路工作异常是造成自动搜索节目号不变的原因,调整38MHz图像中频中频变压器,自动搜索节目,节目号变化正常。
例4:长虹N2918彩电自动搜索节目时,节目号变化正常,搜索完节目后,图像消失
自动搜索节目,节目号变化正常,说明CPU28脚及2脚外部的电路工作正常,输往内部的图像识别信号也是正常的。搜索完节目后,图像消失,说明节目未存储,决定节目存储的电路是存储器。节目不能存储的故障在CPU与存储器之间的线路上或存储器工作不正常。检查存储器的供电电压正常,查CPU与存储器之间的元件也正常。更换存储器,故障排除。
(文/牛百齐 许斌)
