扬声器选择
低音扬声器选用南鲸6.5英寸系列产品中久负盛名的YD166-8XAU,该型号扬声器采用涂复纸盆,虽然口径只有6.5英寸,但由于采用大磁钢以及优质的纸基复合PP盆材料,其频响达到43~7000Hz;用其制作的书架式音箱,虽体积小巧,但音质在柔美中不失震撼,它是一款性能价格比很高的小口径低音扬声器单元,其外形如图1所示。

高音扬声器选用了音色柔和、细腻的YDQG20-8HA型PU软膜球顶高音扬声器,其外形如图2所示。

YD166-8XAU和YDQG20-8HA扬声器的参数见附表。

箱体制作/装配
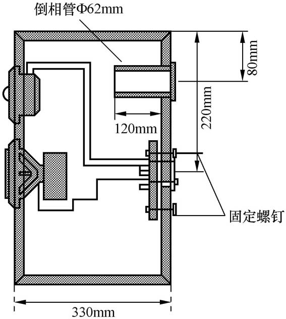
箱体尺寸分别为210mm(宽)×330mm(深)×385mm(高)。音箱箱体采用厚度为18mm的中密度板制作,左右两只音箱前面板尺寸以及扬声器排列均相同,如图3所示。侧面视图如图4所示。


箱体拼装时,各边要涂匀白乳胶,对接处要整齐合缝,将箱体各面用力压紧并固定,音箱箱体的连接采用长约5cm的大号木螺钉进行固定,如图5所示。

将箱体制作好以后,箱体内壁最好用沥青浇灌一遍,这样既可增强箱体的刚性和密封性,又能抗共震、减少声染色。要往箱体内部灌入适量的沥青,以确保箱体内部密不透风。
另外,需要注意的是要在箱体内部高音扬声器单元后面,用吸音材料(海绵即可)做个护罩(将高音单元后部包围即可),以减少来自低音单元的声波对高音的冲击与干扰,使高音更明亮。音箱外观的装饰视个人爱好而定。
由于YD166-8XAU型扬声器在购买时已经随产品附带了一个橡胶垫,因此,在安装时不需要另外制作橡胶垫,直接将该橡胶垫垫在低音扬声器与面板之间即可。
分频器采用南京电声股份有限公司生产的RCL-S3A型二分频器,其外形如图6所示。在安装时,将分频器、接线柱分别安装在如图4所示的位置即可。

倒相孔设在箱体背面上方,倒相管采用市售成品倒相管(长度为 120mm,直径62mm)。
由于倒相管在音箱背面,所以,摆放时音箱后面板不要紧靠墙壁,要距墙壁等大面积反射面15cm以上。
编者注:本文介绍的音箱套件供货信息见本期第72页河南省沈丘县科普电子部广告。
(文/赵广林)