利用汽车电瓶制作小功率负电源,一般的开关式转换电路会有一些缺点,如由于不能直接连接“地”,要制造人工“地”,很容易造成混乱,低频噪声的问题以及电压不稳的问题。
下图所示的简单电路,避免了上述缺陷,特别适合做前置放大器,均衡器等电路的电源,可以提供约20mA的电流。

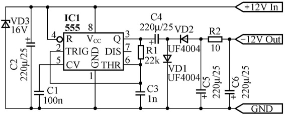
整流二极管VD1、VD2要选择快速恢复二极管(UF4004或同类产品)。稳压二极管VD3用来避免电路受到瞬间过载电压的伤害,该元件是可选元件(推荐加入)。
时基电路555构成一个振荡器,工作频率大约在17kHz。稳压二极管(VD3)为16V/1W,电阻均为1/2W碳膜电阻,小电容为聚脂或聚脂薄膜电容,用在此电路中耐压63V就足够了。
时基电路555要采用标准双极NE555定时器,不要CMOS类型的,因为CMOS类型的没有双极型的开关特性好,输出电压会很低。
整流电路是一个简单的倍压电路。虽然是倍压电路,但输出电压不是-24V,这是因为定时器输出是交流偶合信号,12V电压供电时,输出电压实际有效值只有6V。当输入13.8V时,倍压电路空载输出电压为-12.5V。
该电路无负载时电流只有10mA,带载输出电流20mA时总电流升至30mA,所以没有特殊的技术要求。R2和C6组成滤波电路,来消除终端电路输出信号中的开关噪波。
为了减少噪声,该电路或其电源线不要靠近前置放大器或功率放大器。由于开关频率比较高,一般人耳朵听不出来,但如果被放大后会引起高频扬声器的损坏。如果能听到开关噪音,可以减小R1为18kΩ或15kΩ,提高开关频率,但此时会稍微降低一些转换效率。
注意,当使用此电路时,输出电压正、负值不是绝对相等的,用于绝大多数放大器是没有问题的。但极个别放大器要求正负电源必须平衡,电路才能正常工作,此时必须注意。
(王力)