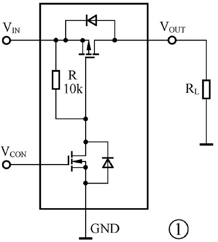
负载开关(Load Switch)由一个N管及一个P管组成,如图1所示。它相当于一个功率模拟开关,如图2所示。在V\(_{CON}\)端施加高电平时,N 管饱和导通,P管的-V\(_{GS}\)≈V\(_{IN}\), P管导通,负载R\(_{L}\)得电。采用TTL电平控制的N管,应用十分方便;采用导通电阻R\(_{DSCON}\)小的P管,负载开关的损耗很小;采用耐压高,输出的电流I\(_{D}\)大的P管,则可以驱动多种负载(如整个电路,直流电动机等)。


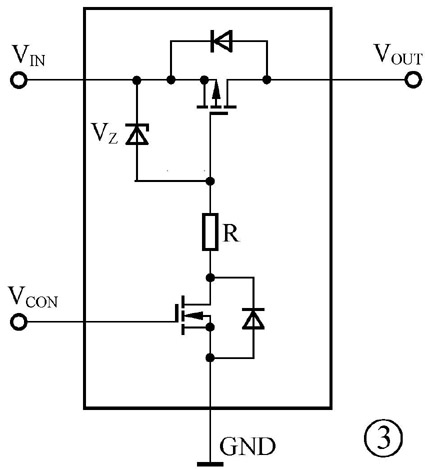
如果V\(_{IN}\)≥15V,为防止P管的V\(_{GS}\)过高而击穿(一般的P 管其-V\(_{GS}\)≤20V),可采用一个稳压二级管V\(_{Z}\)来保护,V\(_{Z}\)可取6~10V,如图3所示。图中R为限流电阻,R值可按下表来计算:R=(V\(_{IN}\)-V\(_{Z}\))/(3~5)mA。

N管与P管的选择
在低电压的场合,采用一个N 管及一个P管封装在一起的功率MOSFET是较合适的,既省印制板面积,价格又便宜。这里推荐SiliconiX公司的Si9942及Si9952,它们采用SO-8封装,管脚如图4所示。

在工作电压较高时,用一个单N管及一个单P 管组成。由于N管仅用来驱动P管,可采用I\(_{D}\)小,封装小的功率MOSFET,如2N7002。它的主要参数;V\(_{DS}\)=60V;I\(_{D}\)=180mA;在V\(_{GS}\)=4.5V,I\(_{D}\)=75mA时,R\(_{DS}\)(ON)=5.3;V\(_{GS}\)(th)=3V(最大值)时,P\(_{D}\)=250mW。小尺寸SOT-23封装,管脚排列如图5所示。

P管可采用中压功率MOSFET,如MTD2955, MTD2955的主要参数:-V\(_{DS}\)=60V;I\(_{D}\)=12A;在-I\(_{D}\)=6A时,R\(_{DS}\)(ON)max=0.3Ω;P\(_{D}\)=1.75W,它采用DPAK封装,管脚排列如图6所示。

若要求P管的R\(_{DS}\)(ON)更小时,可采用Si9430,它的主要参数:-V\(_{DS}\)=20V;-V\(_{GS}\)=20V;在V\(_{GS}\)=10V时,R\(_{DS}\)(ON)=0.05Ω;-V\(_{GS}\)=4.5V时,R\(_{DS}\)(ON)=0.09Ω;I\(_{D}\)=5.8A;,SI9430为SO-8封装,管脚排到如图7所示。

应用电路
大功率器件或模块,由于发热量大需要通风散热。采用散热风扇自动控制电路不仅省电,并可延长风扇寿命,散热风扇自动控制电路如图8所示。它由NTC(负温度系数)热敏电阻RT、CMOS输出电压检测AN051A(IC1)负载开关及散热风扇(直流无刷电动机)等组成。

该电路在设定的阈值温度(T\(_{th}\))以下时,风扇不工作,当温度超过设定的T\(_{th}\)时,风扇工作,进行散热,降温,其工作原理是,由NTC 热敏电阻作温度传感器(它粘贴或安装在散热片上),当温度低于设定的T\(_{th}\)时,R\(_{t}\)及R\(_{p}\)组成的分压器的中间头(A点)的电压V\(_{A}\)小于电压检测器检测电压(V\(_{DET}\))及滞后电压(V\(_{HYS}\))之和,即V\(_{A}\)<V\(_{DET}\)+V\(_{HYS}\)电压检测器输出低电平,负载开关断开,风扇不工作。一旦散热器上的温度升到T\(_{th}\)以上时,使V\(_{A}\)>V\(_{DET}\)+V\(_{HYS}\),则电压检测器输出高电平,负载开关导通z,散热风扇得电工作,使散热片泠却,降温。
由于电压检测器有滞后电压V\(_{HYS}\),要等温度降到比设定的阈值低一些的温度(由V\(_{HYS}\)大小而定 ),风扇才停转,这样可保证工作的稳定性。
电压检测器的滞后特性如图9所示。V\(_{HYS}\)一般为5%V\(_{DET}\),例如,电压检测器的V\(_{DET}\)=2.5V,则V\(_{HYS}\)=0.125V;V\(_{IN}\)从小增大时,当V\(_{IN}\)>2.65V 时,其输出电压才从低电平跳变到高电平;在V\(_{IN}\)>2.65V后降低时,要V\(_{IN}\)降到V\(_{DET}\)以下时,即V\(_{IN}\)小于2.5V时,输出才从高电平跳变到低电平。
电压检测器选用CMOS输出结构,检测电压V\(_{DET}\)=2.5V的,它有TO-92封装或SOT-89封装,如图10所示。

热敏电阻可选NTC的,阻值2~3kΩ(25℃时的阻值),由于NTC热敏电阻有一定的离散性,因此电路需要在阈值温度T\(_{th}\)时调整R\(_{p}\)。倒如,T\(_{th}\)设定为75℃(用一保温瓶,使水温为75℃)将RT放入容器中,在75℃下调节R\(_{p}\)。使A点电压V\(_{A}\)=2.5V即可,若有小型恒温箱,调恒温箱温度为75℃,则更为方便,精确,但R\(_{t}\)放入恒温箱要等温度平衡后才能调试。电路中的V\(_{CC}\)(5V)电压应稳定。
2.电池过放电保护电路。
4节电池的终止放电电压是4V,当电池电压降到4V时应停止放电,否则会造成过放电,这不仅会影响电路的工作,也对电池有害。电池过放电保护电路如图11所示,电路工作原理如下:电压检测器的检测电压V\(_{DET}\)=4.0V,当电池电压降到4.0V 以下时,电压检测器(开路输出)输出低电平,负载开关断开,负载电路失电而不工作,在电压检测器输出低电平时,电阻及LED用作上拉电阻,LED亮,表示电池该充电了。
电池电压大于4.2V时(V\(_{DET}\)+V\(_{HYS}\)),电压检测器输出高电平,负载开关导通,负载电路工作,LED灭。
(戴维德)
