半导体二极管包括整流二极管、检波二极管、稳压二极管、发光二极管等,它们除了正常的整流、检波、稳压、发光指示等功能外,还可以变通运用。这些变通运用方法,在应急维修或买不到合适元器件的特殊情况下,不失为解决问题的有效方法。
一、普通二极管作稳压管
利用半导体二极管具有较稳定的正向管压降的特性,普通二极管(整流、检波或开关二极管)可以作为低电压的稳压二极管使用。如图1所示,硅二极管VD串接一限流电阻R后,正向接入电源 +Vcc与地之间,在VD正极即可得到 +0.7V的稳定电压。限流电阻R的作用是控制流过二极管VD的正向电流I\(_{VD}\),R= (+V\(_{CC}\)-0.7)/I\(_{VD}\),I\(_{VD}\)一般为数毫安。

如果需要更低的稳压值,VD可采用锗二极管,如图2所示,可以得到约 +0.3V的稳定电压。R =(+V\(_{CC}\)-0.3)/I\(_{VD}\)。

如果需要较高的稳压值,可采用若干个硅二极管正向串接。图3所示为两个硅二极管VD1、VD2正向串接,可以得到+1.4V的稳定电压,R =(+V\(_{CC}\)-2 X 0.7)/I\(_{VD}\)。

二、用二极管提高稳压管的稳压值
在没有合适的稳压管的情况下,可以用普通二极管来提高稳压二极管的稳压值。例如,需要5.8V的稳定电压,但只有5.1 V的稳压二极管,则可以在稳压二极管VD1回路中正向串接入一只硅二极管VD2,如图4所示,就可得到 +5.8V的稳定电压。R为原稳压二极管VD1的限流电阻,一般可不作调整。

三、发光二极管作稳压管
发光二极管正向运用时会发光,同时也具有较稳定的正向管压降,所以,发光二极管也可以作为稳压二极管使用。发光二极管的正向管压降一般为2V左右。图5电路中,在发光二极管VD正极可以得到 +2V的稳定电压。发光二极管的正向工作电流一般可取10mA ,限流电阻R =(+V\(_{CC}\)-0.2)/10(kΩ)。在电源电路中采用发光二极管兼作稳压管,同时作电源指示灯,提高了元器件的利用率。

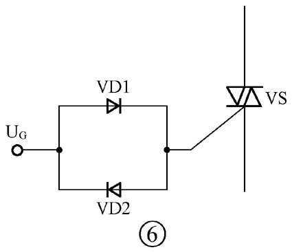
四、普通二极管作双向触发二极管
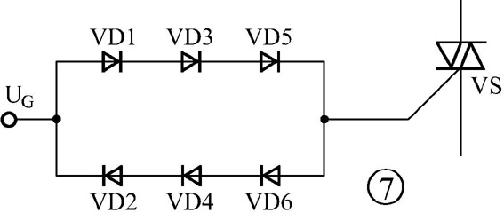
缺少双向触发二极管时,可以用普通二极管代用。图6为双向晶闸管触发电路,2只硅二极管VD1、VD2反向并联作为双向触发二极管使用,触发电压U\(_{G}\)= 0.7V 。如需提高触发电压,可用数只硅二极管正向串联后分别代替图6中的VD1、VD2。图7所示为6只硅二极管(每3只正向串联)组成的双向晶闸管触发电路,触发电压U\(_{G}\)=2.1V 。


五、稳压二极管作双向触发二极管
利用稳压二极管也可以构成双向触发二极管。如图8所示,2只稳压二极管VD1、VD2反向串联后作为双向触发二极管使用,触发电压U\(_{G}\)等于一只稳压二极管的稳压值U\(_{Z}\)加上另一只稳压二极管的正向管压降,即U\(_{G}\)= U\(_{Z}\)+0.7V 。

利用稳压二极管还可以方便地构成正、反向触发电压不一致的双向触发二极管,只需要采用2只稳压值不一样的稳压二极管反向串联即可。例如,VD1的稳压值U\(_{Z1}\)=10V ,VD2的稳压值U\(_{Z2}\)=15V ,则正向触发电压U\(_{G正}\)=U\(_{Z1}\)+0.7V=10.7V ,反向触发电压U\(_{G反}\)=U\(_{Z2}\)+0.7V=15.7V 。
六、普通二极管作温度传感器
半导体二极管的正向管压降会随温度的变化而有所变化,当通过二极管的正向电流为恒定电流时,其正向管压降随温度的变化具有良好的线性度,因此普通二极管可以作为温度传感器使用。图9所示为采用硅二极管1N4148(VD)构成的测温电路,从VD正极得到的输出电压U\(_{O}\)是温度的函数。结型场效应管VT构成恒流源,为二极管VD提供恒定的正向电流I\(_{VD}\),I\(_{VD}\)=|U\(_{p}\)|/R(U\(_{P}\)为场效应管夹断电压)。为避免二极管PN结自身发热影响测量精度,应使I\(_{VD}\)较小,例如10 。1N4148的正向管压降温度特性为-2.2 mV / ℃,温度每升高1℃,其管压降(即U\(_{O}\))就降低2.2 mV。将U\(_{o}\)放大并处理后显示出来,即成为一台电子温度计。
七、稳压二极管作温度传感器
稳压二极管的稳压值也会随温度的变化而有所变化,因此稳压二极管也可以作为温度传感器使用,电路如图10所示,VT构成的场效应管恒流源为稳压二极管VD提供恒定的反向工作电流I\(_{VD}\),I\(_{VD}\)可取1mA左右。稳压二极管稳定电压(U\(_{O}\))的温度变化幅度通常为数毫伏/℃,变化方向有正有负,一般稳压值小于6V的稳压二极管具有负电压温度系数,稳压值大于6V的稳压二极管具有正电压温度系数。图10电路中,VD采用9.1V稳压二极管,其电压温度特性为 +3.8 mV / ℃,即以20℃为参考点,温度每升高1℃,输出电压U\(_{O}\)就升高3.8 mV;温度每降低1℃,输出电压U\(_{O}\)就降低3.8 mV。
(莫恩)