以往的电脑遥控器是专用的遥控发射器(俗称遥控板)以及其他一些复杂的设备,而本文要介绍的却是利用任意一种遥控器(彩色电视机遥控器、VCD遥控器、功放遥控器......)就可以遥控电脑的遥控系统。
自制这套遥控系统需要硬件装配、软件安装与设置这两个环节。
一、硬件装配
硬件装配有普通型和灵敏型两种方案。本文只介绍容易制作的普通型。
元件的实物如图2所示,另外还要准备一个RS232C串口(9芯孔)插头,外形和老式鼠标的插头一样,但不能用鼠标的插头线代替,因为二者的引线不同。

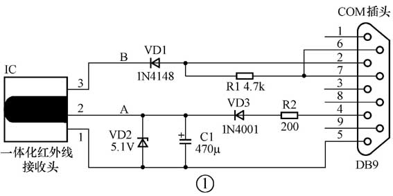
印制板如图3所示。由于电路比较简单,所以笔者采用刀刻的方法制作,大约十分钟就可以处理好这块“袖珍”电路板。钻孔、砂磨、清洁、涂抹助焊剂之后就可以焊接了,焊接后的电路板如图4所示。然后将带插头的RS232C串口线与电路板连接,把RS232C的9孔插头插入电脑的COM插座(默认为COM1),开机后用万用表检测图1中A点应该有5.1V的直流电压,测B点应该有约4V的直流电压,且用遥控板对准接收头按下遥控板上任意一键,B点的电压下降,说明电路工作正常,最后把电路板放入一个适当的外壳,就完成了硬件的制作,如图5所示。



二、软件安装与设置
本制作配套的“PC遥控器IRCtrl1.6版”软件可以从本期配刊光盘的“本期程序”文件夹中找到,也可以到http://www.fldz.com/pcir.htm下载,文件大小为869K。该软件安装过程十分简单,一直点击“下一步”即可顺利安装。
安装后桌面上将形成一个如图6所示的图标,同时PC遥控软件也将自动运行。点击桌面右下角的图标,将弹出如图7所示的设置窗口,窗口的左边为功能区,按照不同的功能进行分组,如“窗口控制”组包含关闭、切换和显示桌面三个功能,可以用遥控器上任意的三个按键来操作“窗口控制”的关闭、切换和显示桌面三个功能。当然,这些功能可以由你添加和删除,以满足实际使用的需要,甚至可以通过遥控器打开和关闭程序。


设置每个功能都需要四个步骤,现在我们以设置音量控制的相关功能来介绍具体的设置过程,首先我们设置“音量增加”:
第一步:选中要设置的功能,用鼠标选择左边功能区的“音量增加”;
第二步:点击右边的“按键学习”,识别和学习遥控板上面的按键,这一步应该保证“输入允许”和“重复允许”已经打勾;
第三步:按下遥控器上的相应按键。笔者用的是电视机遥控器,并用遥控器上的“音量+”来控制电脑的“音量增加”,所以现在按下“音量+”键,此时可以看到设置窗口左下角的“接收数据”栏里显示有十六进制的代码,说明遥控板发射的编码已经被电脑接收处理,这个编码也会在右上角的输入窗口出现,直到编码没有变化才可以松开遥控板的按键。通常按下遥控板按键的时间在1s以上为好。
第四步:点击设置窗口右边的“应用”按钮;
第五步:点击设置窗口右边的“保存”按钮。
至此,“音量增加”的遥控功能设置完成,其它功能请按照以上步骤设置,一个功能必须对应一个独立的按键。
接下来检验一下设置后的遥控效果,按下遥控器上面的音量控制键(+或-),桌面中央出现如图8所示的OSD显示,此时可以看到音量变化情况,同时多媒体音箱的音量也随之变化,至此设置成功。

通过设置窗口的“编辑”菜单,你还可以增加功能命令和命令组,以及选择串口(默认为COM1)、开机自动运行等。
(唐奂知)

