ATMEL公司的AVR单片机吸取了PIC 及8051单片机的优点,并作了重大改进。对于单片机学习者来说最大的也是最有用的优点就是程序可以串行在线下载擦写,即不必将IC拆下拿到编程器上烧录,而是可直接在电路板上进行程序修改烧录等操作。而串行下载只需购买或自己做一条下载线,省去了购买编程器的费用。本文为您介绍制作AVR并口下载线和AT90S8535单片机试验板的方法。
并口下载线
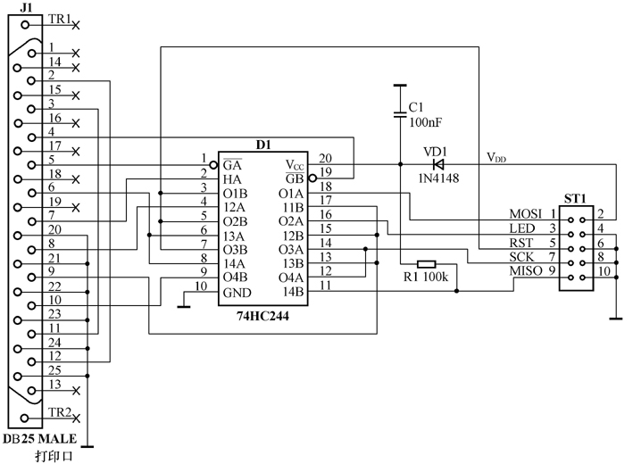
并口(计算机打印口)下载线电路见图1。如果你需要高可靠性,那你就使用图2所示的电路,电路中加了一片缓冲芯片。该下载线支持带有SPI接口的AVR系列、AT89S系列、PIC16F87X系列等芯片,所使用的软件为PONY-PROG或ATMELISP(均为免费软件)。


制作下载线最简单、直接的方法是买一条打印线,从线中间剪断就可以做一根下载线,按图1所示将图中未列出的引线取下,将②脚与,③脚与连接起来。引出的5根线除地线与复位线外,其余3根线找一个带插头的3线排线连接起来,连接时根据你所使用的芯片的管脚排列确定排线的引线排列顺序。插头要用可以插在单排插针上的那种。做好的下载线如图3所示。

单片机试验板
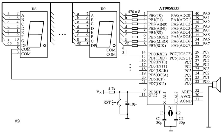
用万能试验板制作单片机试验板是非常方便的,笔者用的是如图4所示的万能试验板, 40脚芯片插座可以直接插焊在上面,电路原理见图5。该实验板可做数码管显示试验和音乐发声实验,比如将下载线与试验板连接并给实验板加电后将电脑中用AVR STUDIO编译好的时钟程序(HEX文件)用PONY-PROG写入芯片中,写入完毕后,取下下载线,插上跳线,试验板便成了一块LED电子钟。音乐试验同上。板上留有扩展空间,可插焊、搭接其他电路。


晶振可以焊在芯片插座里面,也可以通过插针座连接到外部,做成可插拔式,晶振电容直接焊在焊接面上。单片机与外围的接口采用了双排插针,当单片机应用电路可以直接在试验板上搭建时,比如数码管是与双排插针的外侧插针相连,插上跳线即可与单片机I/O口连接。这里数码管字段a~h对应连接8535的PB0~7,共阴极从左往右对应PD0~6。当应用电路无法在试验板上搭建而需要外接时,取下跳线,外围电路用带插针座的排线通过内侧插针与单片机连接。一个8Ω的蜂鸣器通过外侧的插针与PC0相连用于单片机做发声试验。数码管也是插在两个芯片插座上的,一个42脚、一个28脚,刚好可以插7个数码管。在焊插座时,先要用漆包线将板子上对应的每个数码管的相同字段连接起来,若有双联或四联装的数码管,就省事多了。漆包线不是暴露在焊接面,而是在元件面,比如连a段,先用锋利的刻刀将漆包线头部去漆,焊在右边第一个数码管的a段的焊盘上,线从正面横向隔4个眼穿下去,即第二个数码管的a段,将漆包线去漆后从原孔中穿出,要刚好留一点刚才刮去漆的那一段,焊在焊盘上,依此类推。其中刮漆是最重要的一步,需要保持十分的细心和耐心。最后将连接好的8根线通过8个470Ω的电阻(最好是贴片电阻)和与单片机PB口对应的外侧插针连接,再将7个数码管的共阴极用漆包线和与单片机PD口相对应的外侧插针连接。当不插跳线时,数码管可作为一个独立的模块供其他单片机试验板使用,还可以更换为共阳极数码管。做出的实物如图6所示。另有一块是AT90S2313试验板见图7,用的是贴片晶振。
2. 元件选择:
试验板所用元件没什么特殊要求,数码管要可以插在40脚芯片插座上的,如GEM5101AE。蜂鸣器内阻最好不要大于16Ω,否则声音太小,直接接8Ω的扬声器也没问题。晶振频率只要不大于单片机型号中标注的最大频率即可,如AT90S8535-8PI表示最高频率为8MHz。若找不到晶振,用电子表或石英表中那个像小电解电容一样的时间晶体(频率32.768KHz)也能起振,只是单片机运行速度非常低。晶振电容在20~30pF之间选取。购买双排插针时不要忘了索取配套的跳线,插针用报废光驱或硬盘的数据接口也行。数码管的8个470Ω限流电阻、晶振电容和复位电阻、电容以及2313试验板上的晶振(10MHz)我都采用了从报废的电脑配件上拆下的贴片元件,主要是因为这样可以让板子非常简洁,而且贴片元件在试验板的焊盘上很容易焊接。
下载线与实验板的使用
在编程时,将下载线的MOSI、MISO、SCK、RST、GND分别插在与单片机的⑥、⑦、⑧、⑨、相对应的内侧插针上,脚要接上5V电源。将打印头插在打印口上。启动PONY-PROG即可对芯片编程。PONY-PROG支持的AT89S单片机为89S53与89S8252。
89系列单片机的编辑、编译可以用8051 IDE 或者Keil。8051 IDE是Windows界面,含源程序编写、汇编调试,软件仿真三位一体的软件。8051IDE集成了一个多窗口的编辑器、编译器以及8051微处理器的代码级模拟器,可以进行8051、8052、8751、8752、89c51、89c52、89c2051等单片机全代码级的调试,包括寄存器、端口、存储器、标志位等,提供单步追踪和断点设置。8051 IDE源码长度限制32K。AVR单片机的编辑、编译用AVR STUDIO软件。初学AVR的朋友要注意AVR单片机程序的编写需要器件配置文件,并将器件配置文件放在你要建立项目(project)的文件夹中,否则无法编译。PIC单片机的编辑、编译用MPLAB。以上3种软件均为免费软件,可以从网上下载。
8051 IDE 汉化版的下载网址是http://x198.cn99.com。
PONY PROG及ATMEL ISP可从双龙公司www.sl.com.cn下载。
MPLAB可从微芯公司www.microchip.com.cn中文网站下载。
电子DIY多功能编程软件网址为ediy.yeah.net。
(吕刚)
