分立元件组成的放大器按晶体管的组态可以接成三种形式:一种是共射极电路,它是最常用的一种,主要用于多级放大电路中;另二种是共集电极电路,其应用量仅次于第一种,通常应用于输入级、输出级和缓冲级电路中;还有一种是共基极电路,共基极电路往往只用于调谐器的高频放大器电路中。
单管放大电路具有电路简单、调试方便、价格便宜等优点,广泛应用在各种家用电器、工业设备放大电路中,下面以两种最常用的共射极单管放大电路为例具体分析其工作原理。
共射极是指输入、输出回路共用发射极作为公共端的意思。三极管有三个电极,当它用来放大时有输入和输出两个回路,这两个回路有四个端点,那么三极管的一个电极必是输入、输出回路共用的,共用了什么电极便称之为共什么电路。
一、共射极单管放大电路基本工作原理
1.集电极-基极偏置电路分析
(1) 原理分析
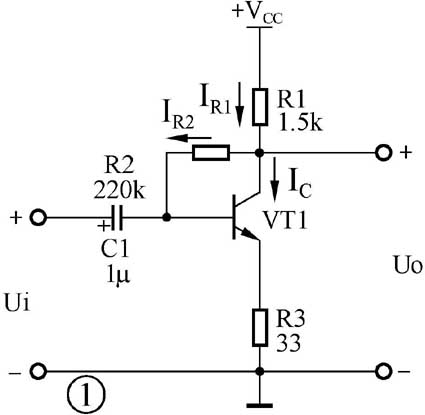
图1是一种典型的集电极-基极偏置工作点稳定电路,它是交流放大器中比较常用的一种基本电路。这个电路稳定工作点的原理如下:当温度上升→I\(_{C}\)↑→V\(_{C}\)↓→I\(_{R2}\)↓,从而钳制了I\(_{C}\)的增加:即由于I\(_{C}\)的增加,在R1上产生的压降I\(_{R1}\)×R1也要增加,则VT1集电极电压适度降低,因V\(_{B}\)=V\(_{C}\)-I\(_{R2}\)×R2,所以,V\(_{B}\)也会降低,使I\(_{B}\)自动减小,结果钳制了I\(_{C}\)的增加。显然,这个电路稳定工作点的实质是利用V\(_{C}\)的变化通过电阻R2回送到输入回路控制I\(_{R2}\)来克服I\(_{C}\)的变化。R1越大,同样的I\(_{C}\)变化引起V\(_{C}\)的变化越大,稳定性也越好。同时R2越小,同样的V\(_{C}\)变化引起I\(_{R2}\)的变化越大,稳定性也越好。由此可见无论是增大R1或是减小R2都将使稳定性提高。

(2) 电路有关参数的近似估算
静态工作点:由于R1×I\(_{R1}\)+R2×I\(_{R2}\)+0.6+R3×I\(_{R1}\)=V\(_{CC}\),I\(_{R2}\)=I\(_{C}\)/β=I\(_{R1}\)/β。假设+V\(_{CC}\)=5.0V,β=200,以图1中参数,计算得:I\(_{R2}\)=8.36μA,I\(_{R1}\)=1.67mA,V\(_{C}\)=5-R1×I\(_{R1}\)=2.495V,基本是电源电压的中点,比较理想。V\(_{B}\)=V\(_{C}\)-I\(_{R2}\)×R2=0.656V,假设β=300,其他参数不变,计算得:I\(_{R2}\)=6.47μA,I\(_{R1}\)=1.94mA,V\(_{C}\)=2.09V,即静态工作点下移偏离中点电压,因此,这种电路对β值的范围有一定要求,即β值的一致性要好!
电压放大倍数:由于推导本电路的交流输出特性需要该电路的微变等效电路(小信号h参数模型),加之计算过程比较复杂,所以在此只给出结果:A\(_{V}\)≈-β×R1/[(r\(_{be}\)+(1+β)×R3)。式中r\(_{be}\)=r\(_{b}\)+(1+β)×26(mV)/I\(_{E}\)(mA),其中r\(_{b}\)为三极管基极等效电阻,低频小功率管的r\(_{b}\)约为200Ω左右,I\(_{E}\)是V\(_{T1}\)射极静态电流。上述公式成立的条件是:0.1mA<I\(_{E}\)<5mA,否则,会造成较大误差。以图1中参数,计算得:rbe=200+(1+200)×26/1.67≈3.33kΩ,于是有:A\(_{V}\)=-β×R1/[(r\(_{be}\)+(1+β)×R3)≈-30(倍),其中负号表示输出-输入信反相;另外,如果改变R3的阻值,则可以调整电压放大倍数。
2.射极偏置工作点稳定电路分析
(1) 原理分析
图2是一种典型的射极偏置电路,它是交流放大器中最常用的一种基本电路。这个电路的稳定工作点的原理如下:利用Rb1和Rb2分压以固定基极电位。如果I\(_{Rb1}\)>>\(_{B}\)(流过Rb1的电流是流过Rb2的电流和基极电流I\(_{B}\)之和,当I\(_{B}\)很小时,可认为流过的Rb1、Rb2的电流近似相等),就可近似地认为基极电位V\(_{B}\)≈Rb2×V\(_{CC}\)/(Rb1+Rb2)。在此条件下,当温度上升,I\(_{C}\)和I\(_{E}\)都将增加,由于I\(_{E}\)的增加,在R4上产生的压降IE×R4也要增加,IE×R4的增加部分反馈到基极-发射极回路去控制V\(_{BE}\),使外加于管子的V\(_{BE}\)减小(因VBE=VB-IE×R4,而VB又被Rb1和Rb2所固定),由于VBE的减小使IB自动减小,结果钳制了I\(_{C}\)的增加,从而使I\(_{C}\)基本恒定,这就是反馈的原理。

(2) 电路有关参数的近似估算
静态工作点:因为V\(_{B}\)=Rb2×V\(_{CC}\)/(Rb1+Rb2),I\(_{C}\)≈I\(_{E}\)=(V\(_{B}\)-V\(_{BE}\))/R4,所以V\(_{CE}\)=V\(_{CC}\)-I\(_{C}\)×R3-I\(_{E}\)×R4≈V\(_{CC}\)-I\(_{-}\)C×(R3+R4),I\(_{B}\)=I\(_{C}\)/β。假设+V\(_{CC}\)=5.0V,β=200,以图2中参数,计算得:V\(_{B}\)=2.0V,I\(_{C}\)≈I\(_{E}\)=1.4mA,I\(_{B}\)=I\(_{C}\)/β=7μA,V\(_{C}\)=5-R3×I\(_{R3}\)=1.92V。
实际计算得:I\(_{R1}\)=22.2μA,I\(_{R2}\)=16.7μA,I\(_{B}\)=I\(_{R1}\)-I\(_{R2}\)=5.5μA,I\(_{C}\)=I\(_{B}\)×β=1.1mA,V\(_{B}\)=1.67V,V\(_{C}\)=2.58V,由此可见,当R1、R2数值太大时,估计计算有一定误差。当然,如果用β值较大的三极管,误差会小一些,当β=400时,I\(_{B}\)=3.0μA,I\(_{C}\)=1.2mA,由此可见本例电路中β值的大小对静态工作点的影响并不大。当然,如果适当减小R1、R2的值,满足I\(_{Rb1}\)>>I\(_{B}\),估计计算造成误差比较小;但也不能太小,R1、R2太小、电路的输入阻抗相应降低,对前级电路而言意味着负载加重,所以,R1、R2的值要兼顾多方面而选择。
电压放大倍数:由于推导本电路的交流输出特性需要该电路的微变等效电路(小信号h参数模型),加之计算过程比较复杂,所以在此只给出结果:A\(_{V}\)=-β×R3/[(r\(_{be}\)+(1+β)×R4)。式中r\(_{be}\)=rb+(1+β)×26(mV)/I\(_{E}\)(mA) ,参考上面的计算过程,以图2中参数,计算得:r\(_{be}\)=200+(1+200)×26/1.4≈3.93kΩ,于是有:A\(_{V}\)=-β×R3/[(r\(_{be}\)+(1+β)×R4)=-2.15(倍)。
\(_{V}\)=-β×R3/[(r\(_{be}\)+(1+β)×R4)可知,由于R4的接入,虽然带来了稳定工作点的好处,但却使放大倍数下降了,而且R4越大,下降就越多。为解决这个问题,通常在R4上并联一个大电容Ce(大约几十到几微法),它对直流相当于开路,所以不会影响直流工作点,但对交流接近于短路,因此对交流而言可看成发射极直接接地,所以Ce又被称为射极旁路电容。它消除了R4对交流分量的影响,使放大倍数不致于下降。当然,若实际电路不需要太大的A\(_{V}\),射极旁路电容就不必加上。
二、共射极单管放大电路典型应用电路
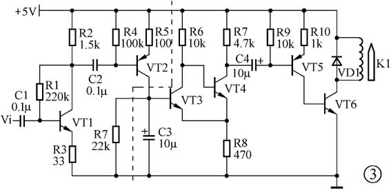
1.自动选曲电路
图3是高档磁带机自动选曲电路,电路中,V\(_{i}\)是选曲信号(交流信号),K1是插棒式继电器,VT6是K1的驱动管,显然在VT6导通时线圈K1才有电流流过。VD1是VT6的保护二极管,当VT6从导通转变为截止时,线圈电压极性上负下正,若无VD1存在,则线圈感应电压和电源电压同相,相加后作用在VT6集电极,可能导致VT6损坏。若有VD1,线圈上负下正的电压迫使VD1导通,从而抑制VT6集电极电压的升高。

进入选曲状态后,当磁头快速搜索在有节目段磁带上时,选曲信号V\(_{i}\)幅度足够大,经VT1放大,从集电极输出,由C2耦合到VT2基极。R4不是VT2的基极偏置电阻,这样VT2无静态工作电流而处于整流、放大状态。当VT2基极的选曲信号为正半周时,VT2截止;在负半周时则导通和放大,其集电极输出电流对C3充电,使VT3基极保持足够大的高电位而饱和导通,V\(_{CE3}\)只有0.2V,VT4截止,其集电极为高电位。由于C4的隔离作用,VT5基极于VT4集电极直流电路被分开,VT5截止,VT6也因无基极电流而呈截止状态,K1不动作,机器处于选曲时的快速搜索状态。
当磁头搜索到无节目的空白段磁带时,Vi幅度明显减小,VT1集电极输出信号大大减小,VT2截止,无集电极电流对C3充电。C3通过R7放电,使VT3基极电压下降,当下降到一定程度时VT3截止,+5V经R6为VT4提供足够大的基极电流,VT4从截止突变到饱和,其集电极从高电位突变为低电位。由于C4两端电压不能突变,于是,VT4集电极低电位加到VT5基极,使其导通、集电极电流流入VT6基极,VT6导通,K1线圈中有电流流过而动作,释放快进或快退键,中止选曲状态,机器自动进入放音状态,完成自动选曲功能。
VT2构成电平检出电路,它的集电极有无电流输出代表了磁头是搜索在有节目段或是空白段磁带上。R7和C3是RC时间常数电路,构成无曲目时间检出电路。VT2截止,C3通过R7放电,而在VT2导通时,其集电极输出电流对C3充电。因此,R7、C3的乘积决定了放电回的时间常数t,t大则放电慢,VT3基极保持高电平时间长些,反之则短。按图中参数计算:t=R7×C3=0.22(s)
从图3中可以清楚地看出,其第一级放大电路就是基极—集电极工作点稳定电路。由前面的计算知,A\(_{V}\)=-30(倍),其中负号表示输出-输入信号反相。
当VT2基极的选曲信号为正周时,VT2截止;当VT2基极的选曲信号为负半周时,则VT2导通和放大,其集电极输出电流对C3充电,使VT3基极保持足够大的高电位而饱和导通,V\(_{CE3}\)只有0.2V,VT4截止。
当磁头搜索到无节目的空白段磁带时,Vi幅度明显减小,VT1集电极输出信号大大减小,VT2截止,C3通过R7放电,使VT3基极电压下降,当下降到一定程度时VT3截止。+5V经R6为VT4提供足够大的基极电流,VT4从截止突变到饱和,VT4集电极会立即下跳为1.4V,从而引起VT5基极电压下跳,VT6短时导通,线圈K1有电流流过而动作,随后系统进入常速播放状态。当转到常速播放时,VT3有又变为饱和导通、某一刻VT4从饱和突变到截止,其集电极从低电位突变为高电位,然而,这个突变的高电位经C4耦合到后级,并不会改变VT5、VT6的工作状态,它们依然维持截止。
另外,测试电路时发现:C4的电容量不能太小,否则,耦合性能较差;一般来说,取4.7μF以上电解电容即可满足要求。
2.RF检测信号电路
图4是PHILIPS的7001/7003机芯RF信号检测电路,电路中,输入信号是来自前置放大集成电路TDA1300的RF网眼信号,输出是RF-OK高、低电平,连OM5284(机芯控制CPU)的②脚作为通知信号,低电平表示RF信号稳定形成。
从图4中可以看出,虚线左侧的电路结构和上面讲述的高档磁带机自动选轴电路检出信号电路很类似,但因RF信号频率较高,而磁带机信号较低,所以磁带机中C2的容值取得相对大一些。另外,其第一级放大电路不是基极—集电极工作点稳定电路,而是射极偏置工作点稳定电路。
当系统进入读碟状态后,光盘在主轴电机的带动下迅速转动起来,前置放大集成电路TVDA1300输出RF网眼信号,经C1耦合、VT1放大后从集电极输出,由C2耦合到VT2基极。因为来自TVDA1300的RF网眼信号峰-峰值一般为0.8~1.2V,所以,第一级放大电路只放大2倍左右就可以了。当VT2基极的RF信号为正半周时,VT2截止;为负半周时,则VT2导通和放大,其集电极输出电压加在R7上。VD2和C3组成检波电路,当RF网眼信号足够大时,C3电压维持较高电平,使VT3基极保持足够大的高电位而饱和导通,其集电极输出低电平。
如果碟片较花(磨损严重),RF信号较小或断断续续,经VD2整流、C3滤波后的信号不能一直维持较高电平,RF-OK是一串脉冲信号,表示RF信号没有稳定形成。另外,R8是C3的放电电阻,当RF的消失后,VD2截止,由R8迅速把C3的电荷放掉,VT3迅速截止;如无R8,仅靠R9和VT3的发射结放电,效果不够理想。
若电路中没有VD1,那么电容C2两端的RF网眼信号应该完全一样,区别仅在两者的直流电位不同,即电容C2上端是以+5V为直流中点电位上、下对称的网眼波形。同上例一样,R5也不是VT2的基极偏置电阻,这样VT2无静态工作电流而处于整流、放大状态。然而,仔细思考你会发现:C2上端是以+5V为直流中点电位上、下对称的RF网眼波形,但负半周4.4~5V区间段,VT2并不能真正导通,而只有低于4.4V(比电源低一个VT2的发射结)VT2才开始导通,所以,实际放大、导通的信号幅度非常有限,从集电极输出的电压幅度也非常有限,根本原因就在于VT2没有基极偏置电阻、从集电极输出的电压幅度也非常有限,根本原因就在于VT2没有基极偏置电阻、未设置静态工作点。
因为VD1的存在,当VT1输出RF网眼正半周信号时,经C2耦合,VT2基极最高电压被嵌位于5.6V(比电源高一个PN结压降),这时RF网眼信号整体下移,即使RF的整体振幅稍有减小,但是4.4V以下的交流分量比例却有所增加,因此,从集电极输出的电压幅度明显增大,经VD2整流,C3滤波后的信号能一直维持较高电平。
如果从交流特性分析可以看出:对于VT1输出的RF网眼信号,R3和R5是固定负载,正半周时VD1正向电阻是额外增加的负载,负半周时VT2的输入阻抗是额外增加的负载;也就是说:对VT1的输出而言,正、负半周负载是不同的。用示波器观察VT2基极电压波形,无VD1存在时,RF网眼信号并非完全对称,而是下半波(低于+5V)比上半波稍小,这是因为VT2的输入阻抗较小,对VT1的输出相当于增加负载。有VD1存在时,RF网眼信号上半周削波失真,在5.6V处被“压缩”成一平直亮线(示波器低频挡位),这是VD1的钳位作用造成的。
(葛中海)