微型350mA升压电路NCP1404
NCP1404是安森美半导体公司(网址:www.onsemiconductor.com )生产的微型350mA DC-DC升压电路。
NCP1404是专为需要采用单、双节碱性电池或者镍氢充电电池供电的设备而设计的一款升压电路,最大输出电流为350mA,可以满足数码相机、PDA、MP3播放器、手持式电子游戏机、电子辞典、便携仪器等设备的供电需要。
NCP1404的输入电压范围为0.8~5.5V,输出电压为1.9~5V,型号中不同的后缀名表示不同的输出电压值,如下表所示。

NCP1404有PWM、PFM两种工作模式,当负载减轻时,自动进入PFM工作模式以节省电能。
NCP1404的①脚为电池电压检测端,当该脚检测到电池电压低于设定值时,从⑤脚输出控制信号,控制MCU的相关电路提示电池电压过低。
单片锂电池充电器LTC4054
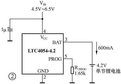
LTC4054是凌特公司(网址:www.linear.com.cn)生产的单节锂离子电池充电器控制集成电路,最大充电电流为800mA,外围无需晶体管即可完成全部充电控制工作。
LTC4054内含功率MOSFET三极管,只需外接一个电阻和一个电容即可组成一个全自动单节锂离子电池充电器。采用5引脚1mm高的SOT-23封装。
LTC4054的典型应用电路如图2所示。LTC4054的供电电压范围为4.25~6.5V,LTC4054输出的充电电流会随着电池两端的电压改变而调整,如图3所示,因此不用担心大电流充电会对电池造成损坏。


@
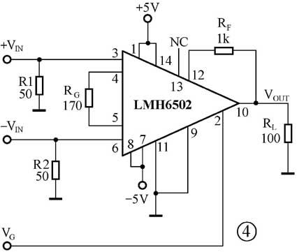
高性能可变增益放大器LMH6502/6503/6504
LMH6502/6503/6504是美国国家半导体公司推出的三款全新可变增益放大器。LMH6502/6503/6504系列产品的应用范围非常广泛,可以应用在专业级消费视频设备、高速数字用户线路 (SDL) 调制解调器、移动电话基站、显示器以及测量仪表、测试及医疗系统等领域中。
LMH6502/6503/6504是宽带压控可变增益放大器,不但可以处理较大的高频信号 (压摆率≤1500V/μs),而且还可驱动高电流 (75mA) 负载。此外,这三款芯片也确保设备与设备之间的增益可以互相准确匹配 (误差不超过0.7dB),而且衰减范围极宽 (>70dB),适用于通信、工业及视频产品上的自动增益控制系统。LMH6502的应用电路如图4所示。

LMH6502/6503的功耗约300mW,可与 CLC520/522/523的兼容,是CLC 系列芯片的升级版;LMH6504 芯片的功耗为100mW。LMH6502/6503 这两款芯片可以接受差动输入,而 LMH6504 则属于单端芯片。LMH6502 及 LMH6504 两款芯片的增益范围之中有一大段的 dB 增益控制呈线性状态,而在同一范围内 LMH6503 的 V/V 增益控制则呈线性状态。
(编者注:以上几种集成电路的详细原厂资料见本期配刊光盘的“本期元器件资料”文件夹。)
