在日常生活及工农业生产中,往往需要对水位进行监控,并要求有关设备在工作中安全可靠地运行。为此,笔者研制出一种性能优良的全自动水位控制器。
该控制器具有水位自动检测及控制、电机及电源监视保护、系统故障判断报警等多种功能。当水塔缺水,并在水源有水、电机及电源正常情况下自动启机向水塔供水;当水塔水位达到上限位置或电机、电源等出现异常时能自动停机;当系统出现异常情况时还进行自动报警,使该控制器在无人看管的情况下能安全可靠地对水塔进行自动控制。经一些单位长时间的使用,效果良好。
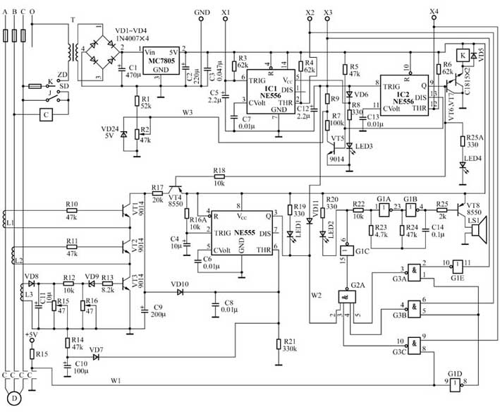
该水位控制电路原理图如附图所示。该控制器采用时基集成电路NE555、NE556作为核心器件。

水位探极
水位探极为X1~X4。X1、X2分别为水源高位探极和下限探极,X2装在最低允许抽水高度(通常稍高于水泵进水阀,以防止空抽)。X3、X4分别为水塔上限探极和下限探极,按要求分别装在水塔最高水位线和最低水位线上。GND分别接到水泵进水管及水塔出水管。当某一探极与水接触时,探极与地之间的电阻很小而呈低电位;反之,则呈高电位。因此,利用探极可取得反映水位的电信号,从而可实现水位的自动控制。
水塔水位自控电路
当电源正常(W3为正常高电平H)、电机正常(W2=H)、水源水位正常(IC1=H)时,若水塔水位低于下限探极X4,则IC2的THR和TRIG均为高电平H,水塔水位指示灯LED4灭(表示水塔缺水),VT6,VT7导通,继电器K及交流接触器C吸合,开机向水塔供水;当水位达到水塔上限探极X3时,X3、X4均为低电平L,IC2=H,指示灯LED4亮(表示水塔满水),VT6、VT7截止,继电器K及交流接触器C断开,水泵停止向水塔供水,直到水位再次低于下限探极X4时再开机向水塔供水。
水源监测
若水源缺水,则水源下限探极X2及高位探极X1均离开水面悬空,IC1的THR和TRIG为高电平H,IC1\(_{Q}\)=L,水源指示灯LED3灭(表示水源无水),IC2\(_{TRIG}\)=L,IC2\(_{Q}\)=H,VT6,VT7截止,电机不能启动;若水源水位正常(水位高于水位探极X1),则IC1\(_{THR}\)=IC1\(_{TRIG}\)=L,IC1\(_{Q}\)=H,水源指示灯LED3亮(表示水源正常)。
电源监测
若电源电压过低,则IC2\(_{TRIG}\)=W3,电位过低到达触发电平,IC2 Q=H,电机不能启动抽水,从而对电机实现欠压保护,VT4、R5、R7等作为回差调整,以避免临界状态电机可能出现的多次启停。
电机保护
当电机异常(即电机出现缺相或空抽运行),则某互感线圈互感电压为0或太小,VT1~VT3相应的三极管截止;或电机因某种原因造成过流,则R15动端输出较高电平时,NE555的THR为高电平,其输出Q(W3)为低电平,LED1亮(表示电机运行异常),VD11导通而使IC2\(_{TRIG}\)=L,IC2\(_{Q}\)=H,电机关闭进入保护状态。
系统监测与报警
该部分电路由四2输入端与非门CD4011、双4输入端与非门CD4012及六反相器(非门)CD4069组成的故障判别电路和由CD4069、二极管、三极管、阻容元件组成的警声发生电路构成。
当系统工作异常(电机缺相、过流或空抽,或电源缺水而电机继续运行抽水,或水塔满水仍抽水,或水塔缺水而不启动抽水等情况)时,Y为低电平,报警指示灯LED2亮,同时G1A、G1B组成的振荡器产生振荡,VT8推动扬声器发出报警声,告知维修人员及时处理,保证系统的正常运行。
(赵贵平)