本文介绍的收信机成本低、体积小、耗电省(13V供电时电流仅12mA),是一个很好的便携收信机。文中还介绍了该机工作在40m、20m、15m波段时的数据。
前端电路
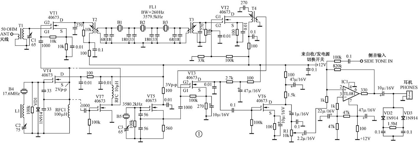
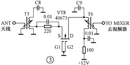
收信机电路如图1所示。在20m或40m时不需要RF放大器。工作在20m、40m时,信号直接进入VT1组成的混频器,所以本收信机的IMD、阻塞动态范围相当高。图3所示的前置放大器建议在15m时使用,尤其是接收弱信号时。想在20m段增加增益的读者可以采用同样的前置放大器,但要改变调谐回路的参数。


由磁环线圈、微调电容(T1、C1)构成的简单调谐回路对于20m、15m已经足够。调整C1,使回路谐振在所需频段的中间,能够获得足够的带宽。工作在40m时,如果需要覆盖7.0~7.1 MHz的频率范围,C1需要采用空气可变电容,固定在前面板上,供使用时调节。
本振电路
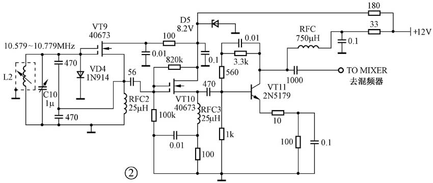
本收信机在40m时本振采用VFO(可变频率振荡器),这样才能覆盖7.0~7.2MHz。VFO电路见图2。在20m、15m时本振采用VXO(晶体可变频率振荡器),频率覆盖范围约为30 kHz。如果在本米段需要其他频率,需要把B4换成其他晶体。使用图1中B4的参数,可使收信机工作在20m(本振频率 - 中频频率)和15m(本振频率 + 中频频率)。VFO不适合工作在17 MHz这么高的频率,因为相对于本接收机的中频带宽来说,VFO的稳定度就不够了。VXO的稳定度却很高,但是,采用VXO时,VT4的频率变化不是线性的,随着C2接近最小容量,频率的变化率也变小了。

本收信机的性能适合于大多数场合的应用,通过把本振的幅度从2V\(_{p}\)-p提高到5V\(_{p}\)-p可以进一步扩大动态范围。这需要断开VT4与VT1之间的连线,接入放大管VT7。
要想获得较宽的频率覆盖范围,晶体B4很关键,必须采用基频晶体,不能采用3次泛音晶体。泛音晶体可以工作,但与AT切基频晶体相比,频率范围要小的多。
晶体滤波器
FL1是自制的下边带晶体滤波器,B1、B2、B3采用的是Radio Shack公司的电视彩色同步信号电路用的晶体。晶体的Q值为105000,串联电阻为38.6Ω。这些参数加上6-dB所需带宽就确定了晶体滤波器的中心电容和两端的电容。正确的滤波器端阻抗取决于这些特性。不同品牌的晶体其Q值、电阻也不一样。
晶体滤波器的中心电容和两端的电容值是非标准的,需要采用并联来达到所需要的容量。这个250 Hz带宽的滤波器两端的阻抗为450Ω。T2的初级、T3的次级都并有10 kΩ电阻,使变压器与滤波器相匹配。
这种晶体滤波器是不对称的,频率高的那一端的曲线要陡一些。因此,为了获得好的CW接收效果,应该把BFO(差拍振荡器)的频率调到比晶体滤波器的中心频率高700 Hz(在本机为3580.2 kHz)。与B5串联的C3用来把BFO的频率调到3580.2 kHz。
如果晶体滤波器按照电路图的参数制作,两端的阻抗匹配,晶体滤波器的带通内察觉不到波纹,带通也会很陡,尤其是在高端。
元件代换
电路中只采用了一级中放。T2、T3、T4采用的是Amidon L57-2带有屏蔽罩的线圈,线圈配有磁芯和磁罩。VT2的漏极接在T4的初级的抽头上,这是为了增加稳定性。
VT3是有源乘积检波器,能够提供一定的音频放大增益。VT3的输出信号送入VT6组成的低噪音音频放大器。R1的上端接有0.1 μF的旁路电容,以减少高频噪音。
IC1是耳机放大器,②脚接有侧音输入电路,与发射机配合使用。它的输出端接有限幅电路,用于限制大的信号和噪音峰值。VD2、VD3把输出的幅度限制在0.3V左右。8~2000Ω的耳机都可以用。
IC1的供电是单独的。其余部分的供
电应通过收发信机的收/发开关提供。
如果买不到用于T1的磁环,可用10k或7k电视中周骨架代用。T2、T3、T4、T5、T6完全可以利用10k或7k电视中周骨架绕制。L1可在10k中周骨架上绕30匝左右。L2可在10k中周骨架上绕10匝左右。RFC、RFC1、RFC2、RFC3是色码电感。双栅场效应管可用3SK74等代用。有几个双栅管的栅极并联使用代替单栅管,也可直接用MPF102、2SK241或国产3DJ6等代用。1N914可用1N4148或1SS53代用。IC1也可以采用其他运放。
这个收信机的带通为260 Hz,只适合于接收CW信号,但更换带通滤波器的晶体就能用于接收SSB信号。译者把晶体滤波器的晶体换成了9 MHz的晶体,带宽变成了3 kHz,这样就适合接收SSB信号了。如果采用4块晶体,带通特性还能进一步提高。采用4块9 MHz的晶体时,滤波器两端的电容为12p,也可以省去不用,中间的3个电容为100p。用于SSB滤波器,6~12MHz的晶体都可以用,读者可以根据自己手边的晶体情况选取,但这时本振的频率也要随之改动。例如,FL1采用8 MHz晶体时,VXO要采用15090~15060左右的晶体才能工作在7010~7090LSB;FL1采用9 MHz晶体时,VXO要采用16090 ~16060左右的晶体才能工作在7010~7090,LSB。用于LSB接收时,串在载频晶体B5下方的微调电容C3应改为一个可调电感(用7k中周,绕50匝左右),调节磁芯,B5的振荡频率低于晶体滤波器中心频率1.5kHz左右。在收信时调整磁芯,使收到的LSB信号能够清晰地接调出来,这时载频振荡频率约低于晶体滤波器中心频率1.5kHz左右。采用8~9 MHz中频时,T2~T3初级为16匝,次级4匝。谐振电容为100~150p。
调试
这个收信机调整很简单,只需调整C3、L1、T2、T3、T4。把频率计接在VT5的源极,调整C3,使B5振荡在要求值。把频率计接在VT4的源极,C1旋出(容量最小),调整L1,使B4振荡在标称值。把C1旋进(容量最大),看看低端覆盖情况。实际上这个VXO应该能覆盖60~80kHz。接上天线,依次微调T2、T3、T4,使收到的噪音或信号最大。
性能
本收信机可以接收到0.1μV的信号。如果没有QRM或QRN出现,0.3μV的信号已经能够清晰抄收。这样的灵敏度在20m、40m时已经不错。整机增益(90~100 dB)使1μV以上的信号有足够大的音频输出。强信号时应该把音量电位器R1调整到适当的音量,否则音频放大器U1出现过载、失真。没有AGC的收信机都会出现这个现象。
这个电路虽然简单,但灵敏度却很高,而且本底噪音小。但是,单靠T1组成的选频回路在20m选择性一般。加装带有两个选频回路的高放电路后,选择性非常好。
(赵辉 编译)