笔者为大家介绍一款编程器的制作,该编程器可以用来烧写AT89C2051和AT89C4051,电路参照相关原始资料进行了改进,有如下优点:
1.使用电脑USB接口供电,采用升压电路产生编程电压,省略了外接电源;
2.使用单面PCB板,降低了成本,且便于业余制作;
3.去掉了体积庞大的9针串口插座,减小了PCB面积;
4.与本刊2003年第9期刊登的《跟我学做EZ编程器》使用同一个上位机软件。
编程器电路原理图(不包括升压电路部分)如图1所示。主控芯片是一片AT89C2051,配合一片锁存器74LS573和3个晶体管VT3~VT5来实现编程逻辑,两个晶体管VT1、VT2组成的电路代替MAX232实现电平转换,用于串口通信。

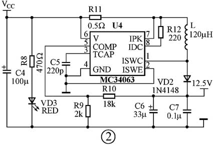
升压电路原理图如图2所示。VT1和VT2加4个电阻构成的电路代替昂贵的MAX232电路实现串口通信。一片MC34063用于从5V电源产生一个12.5V的编程电压。这两个简单的子电路可以为读者日后应用中借鉴。控制芯片采用一片AT89C2051,通过VT3、VT4、VT5来控制编程电压。

安装时,先把6条短跳线焊接好,再把分立元件焊接好,所有IC都使用IC插座,最后在PCB板背面使用细导线焊接好剩下的长跳线,编程器与电缆的接口必须采用有方向性的4针接插件,否则容易将电源接反,读者也可以自己为它设计一个保护电路。
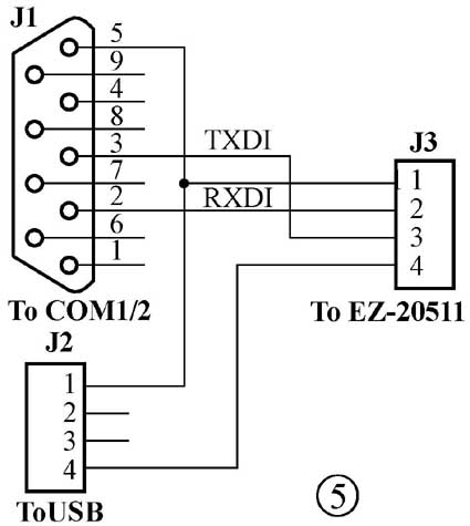
调试时分两步进行,为防止意外短路烧坏电脑主板,最好用外部电源调试。先不装89C2051,加上5V电源后,测试MC34063的输出是否为12.5V;再把写好程序的AT89C2051装上,按图纸接好电缆,电缆连接如图5所示。这时电源指示灯亮,运行软件EZ31.exe或Ezdl4.exe,监测连接是否正常,连接正常后就能对AT89C2051和AT89C4051编程了。

本编程器的Protel99格式的PCB文件和用于主控芯片AT89C2051的HEX文件以及上位机软件可在本期配刊光盘的“本期程序”文件夹中找到。上位机软件也可以在www.51c51.com网站上下载。
另外,这款编程器还可以用来做一些PC机跟89C2051通信的实验,把烧写好程序的89C2051装到编程器上主控芯片的位置上就行了,插座上还可以装一个配件来配合实验,比如装一个七段数码管或者一个日历芯片DS1302等。

(余恒昌)

