LA4581MB是日本三洋公司生产的单片放音集成电路,在爱华、索尼、三洋、东芝和我国生产的随身听中应用较多,如爱华HS-T系列机型、索尼FX系列机型、三洋的GP系列机型、东芝的KT系列机型等。
LA4581MB集成电路除具有一般立体声放音机集成电路所具有的双声道前置磁头放大器及后级耳机驱动用双声道功率放大器功能外,还具有磁头声道切换F/R电子开关电路(自动换向),配合收音电路的前置切断电子开关控制电路,以及重低音电源电路等。
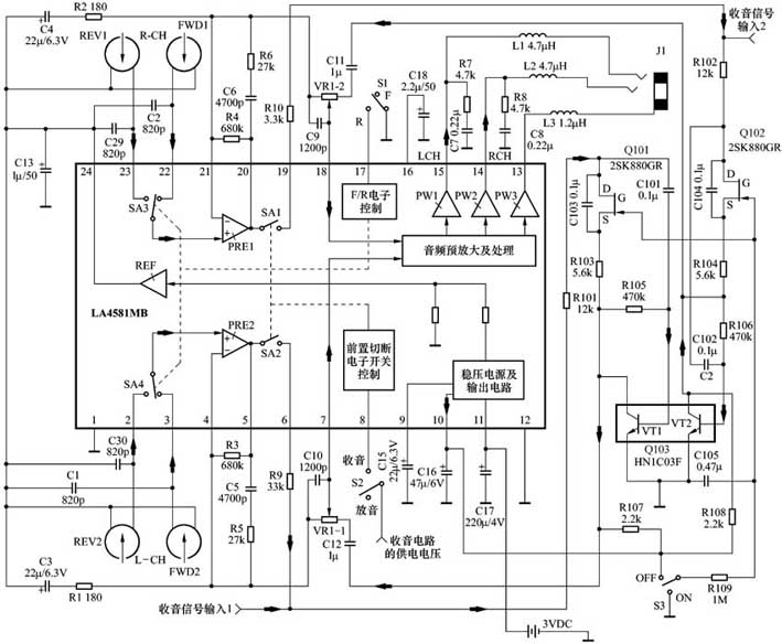
LA4581MB集成块采用24脚双列式封装,其内电路方框图见附图。各引脚功能及数据如附表所示。详细原厂资料见本期配刊光盘的“本期元器件资料”文件夹或从http://www.promelec.ru/pdf/la4581.pdf上查询。
2.LA4581MB主要参数
LA4581MB集成电路的工作电源电压范围为2~5.5V,其典型工作电压为3V;静态电流为18.5mA;谐波失真为0.05%;前级闭环增益为44dB;在3V电压、R\(_{L}\)=32Ω、THD=10%条件下,每个声道输出功率P\(_{0}\)=32mW。
3.LA4581MB典型应用电路
LA4581MB集成块典型应用电路如附图所示。该图为爱华系列机型常用电路,它是在⑥脚与⑦脚、与间连接了重低音提升电路,索尼等其他机型有的连接的是三段音调均衡调节电路等。
4.工作原理
(1)F/R控制及磁头电路
LA4581MB集成电路的双声道前置放大器与四迹固定式磁头四条引线的连接方法见附图。双声道前置放大器有四个输入端,但有效输入端只有两个,用于磁带的正转(或反转)放音。磁带是正转信号输入还是反转信号输入,是由IC内的电子开关SA3、SA4来切换决定的,而这两个电子开关电路又受外接的S1开关控制,通过F/R(正转/反转)控制电路来实现。
当LA4581MB外接开关S1断开使该脚悬空开路时,IC内部控制电路控制电子开关SA3、SA4自动转换;使电路处于正转放音状态。此时两磁头(FWD1、FWD2)拾取的信号经和③脚进入集成电路内,通过SA3、SA4电子开关转换电路后,加到声道(PRE1)和声道2(PRE2)电路。
当外接开关S1接地使该脚处于低电平(0V)时,电路自动转换使整机电路工作于反转放音状态。在磁带进行反转放音时,两磁头(REV1、REV2)拾取的信号经集成电路的和②脚进入IC内的电子开关电路后进入声道1和声道2电路。
这样,从LA4581MB集成电路两个有效输入端输入的音频信号,经SA3、SA4电子开关电路,由声道1、声道2进行前置放大后分为两路:一路从⑤、出,分别经C5、R5、R3和C6、R6、R4组成的负反馈网络加到④脚和上,以对放音信号的低频进行补偿;另一路经前置切断电子开关SA1、SA2后从⑥脚输出,去重低音提升电路 。
(2)前置切断控制电路
LA4581B的⑧脚为前置切断控制信号输入端,该脚外接的S2为前置切断开关,当该开关接通使LA4581MB的⑧脚与收音电路的供电电压接通时,IC内部的前置放大器被切断,以免在收音时其信号被干扰,由此就可同来自AM/FM收音电路的检波/鉴频信号输出端相连接。
(3)重低音提升电路。
该电路主要由Q101~Q103、C103、C104、C101、C102等组成。其中:Q101、Q102为左右声道重低音控制电子开关管,这两只管子的工作状态受重低音开关S3的控制。
当S3开关处于OFF位时,LA4581MB⑩脚输出的2.6V电压,一方面提供给重低音提升有源滤波器;另一方面经S3→R109加至Q101、Q102栅极G,使这两管均导通,等效于将C103、C104电容两端短接,使LA4581MB⑥脚输出的放音或收音电路送来的收音信号经R102、R101、Q101、Q102、R103、R104去功放电路。此时无重低音效果。
当S3开关处于ON位时,等效于将Q101、Q102的G极通过R109接地,使这两管均截止,C103、C104电容等组成的重低音提升网络接入电路,左、右声道放音或收音信号经提升低音以后,再经Q103放大后从集电极输出去后级电路。
(4)音频功放电路
经重低音提升电路送来的收音或放音信号,经C11、C12电容耦合→VR1-1、VR1-2音量控制后,从⑦、进入音频预放及功放后从输出,驱动立体声耳机发声。
LA4581MB的信号输出端采用直流输出方式,这种无耦合电容的全直流DC音响电路,把音频瞬态互调失真后的谐波及相位失真降低到最低的程度,故频响极佳、解析力出色、音质好,营造的音场及声像定位较真实和稳定。
功放输出端与耳机间串接的电感L1~L3,是为了利用耳机线作为FM波段接收天线,电感量从4.7μH到数十微亨均可。
(孙余凯 吴鸣山)
