DDX2060是美国APOGEE(http://www.apogeeddx.com/)公司生产的数字功放集成电路。DDX2060在供电电压为20V的情况下,可以向8Ω的负载提供约35W×2的功率,效率高达90%以上。因此,DDX2060被广泛应用在家用音响设备中。目前,DDX2060组成的数字音频功率放大器(D类功放)主要有万利达DAV-3600等机型。
DDX2060组成的数字音频功率放大器通常由数字音频接收电路、数字音频信号处理电路、数字功率放大电路、电源/复位电路四大部分构成。下面介绍各部分电路的具体工作原理。
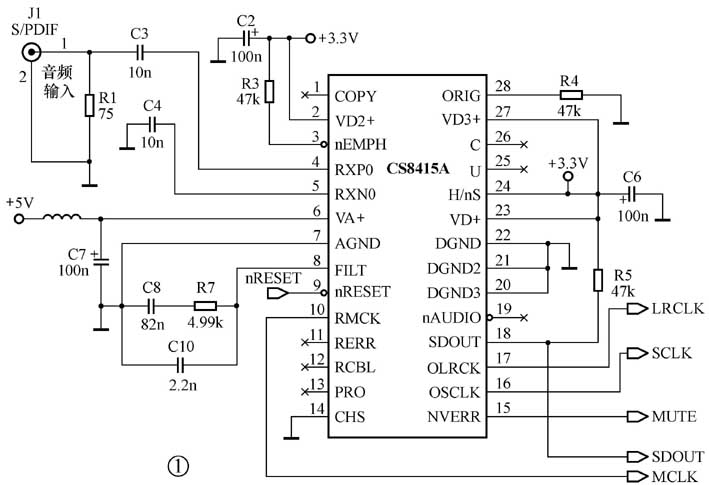
1.数字音频接收电路
数字音频接收电路由CS8415A及其外围元器件构成,电路如图1所示。

CS8415A是Cirrus Logic公司(http://www.cirrus.com/cn/)生产的96kHz数字音频接口芯片(详细资料见本期配刊光盘的“本期元器件资料”文件夹)。CS8415A相当于一个接收器,能接收和解码光纤或者同轴电缆传送过来的96kHz的PCM音频数据信号(最多7.1声道),可以接收和解码IEC60958、S/PDIF、EIAJ CP1201或AES3标准的数字音频信号。CS8415A除了具有接收功能外,它还具有低时基误差恢复机制,可以重新校正基准时钟来降低数字信号的时基误差抖动。
从音源输出的数字音频信号(同轴电缆或光纤S/PDIF数字信号)通过R1进行阻抗匹配,经C3耦合至CS8415A的④脚。CS8145A将输入的数字音频信号进行一系列变换后,从输出串行I2S PCM数字信号,从输出静音控制信号。
2.数字音频信号处理电路
数字音频信号处理电路由数字控制器DDX2000及音量控制器PIC12C671组成,电路如图2所示。
DDX2000内部集成有双声道的DDX处理电路、数字音量控制电路、静音电路以及一些特殊处理电路。该控制器可接收PCM串行格式的音频信号,并可借由外部时钟或晶振来工作。
DDX2000可以接收三组独立的时钟源:CS8415A输出的恢复时钟信号送至DDX2000的①、③脚;外接时钟源信号送至DDX2000的;⑩脚晶振产生的本机振荡信号。对于不同的取样频率,⑩脚外接晶振应选取不同的频率值,取样频率为44.1kHz时,晶振频率为11.2896MHz;取样频率为48kHz时,晶振频率为12.288MHz。
音量、平衡控制由A/D转换电路PIC12C671完成。RP1、RP2分别为平衡、音量调节电位器,平衡与音量控制电位器滑动臂的直流电平输入到PIC12C671的⑥、⑦脚,PIC12C671将该直流电平信号转换为串行音量数据控制信号从②脚输出,直接送到DDX2000的,经过DDX2000内部处理后对音量以及平衡进行控制。时钟及串行数据信号则分别由PIC12C671的③、⑤脚送到DDX2000的。
DDX2000对串行音频信号进行音量、静音控制,使其成为8倍于取样频率的脉宽调制(PWM)信号,从输出,送到后级电路进行放大。
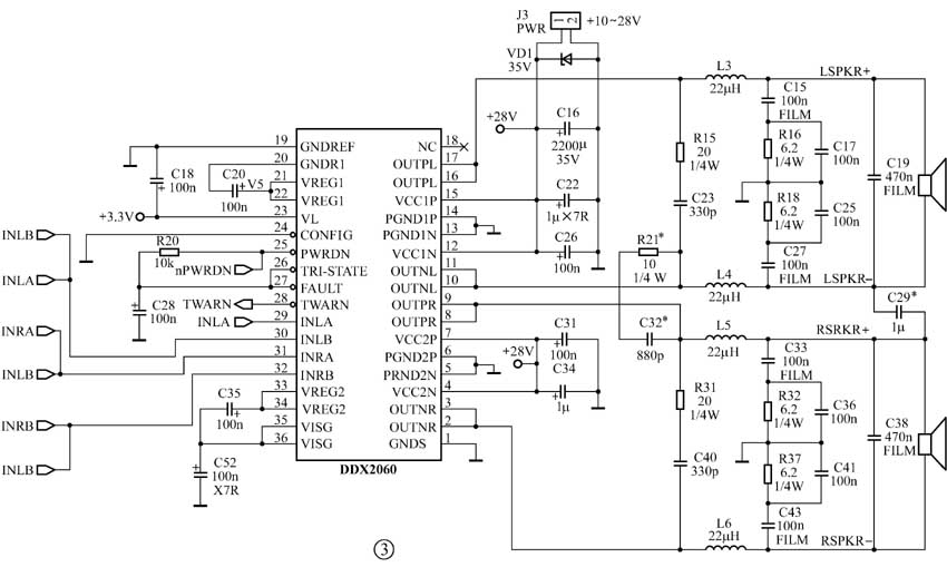
3.数字功率放大电路
数字功率放大电路主要由DDX2060组成,电路如图3所示。

DDX2060内部具有双声道D级H桥组件,具备逻辑接口、内部桥驱动器、高效MOSFET输出晶体管以及保护电路。
从DDX2000的输出的PWM信号直接输入到数字功率放大电路DDX2060的,DDX2060对这些PCM音频信号进行放大后,从⑧、⑨、②、③、⑩、输出音频信号,这些音频信号经过L5、L6、L4、L3、C33、R32、R37、C43、C15、R16、R18、C27等元器件组成的无源低通滤波器滤除高频信号后成为平滑的音频信号驱动扬声器发声。
R15、C23、R31、C40组成茹贝尔电路,可以保护DDX2060内部的输出MOS-FET管不会因为感性负载瞬时反向电动势而损坏。
DDX2060的为过温保护信号输出端,正常时,该脚电平为高电平;DDX2060表面温度高于120℃时,该脚输出低电平保护信号。
4.电源/复位电路
电源/复位电路如图4所示。电源/复位电路主要用来将整流电路送来的+28V电压通过变换产生+5V、+3.3V电压以及复位信号。另外,通常也将过温指示电路放在该电路中。
+28V电压经过开关型稳压器LM2594稳压后,输出+5V电压,VD3(40V/1A稳压管)为+5V电源过压保护元件;+5V电压再经过LM2937稳压后输出+3.3V电压。
复位电路有5V复位电路DS1233(详细资料见本期配刊光盘的“本期元器件资料”文件夹)构成。开机时,DS1233的②脚输出复位信号,使数字音频接收电路、数字音频信号处理电路复位,进入正常工作状态。在电压低于4.5V时,DS1233的②脚输出复位信号,迫使数字音频接收电路、数字音频信号处理电路、数字功率放大电路进行复位操作,防止死机情况的产生。
过温指示电路由双色发光二极管VD2中的红色发光管指示,当DDX2060表面温度正常时,输出高电平时,VT1导通,VT2截止,绿色发光管发光,作为电源指示;DDX2060表面温度高于120℃时,输出低电平保护信号,VT1截止,VT2导通,红色发光管发光报警(此时绿灯熄灭),此时DDX2060将因过温而关闭并锁定音频输出信号,直至再次开启电源。
(科林)