1.4GHz电流反馈放大器EL5166
EL5166是intersil公司(网址:http://www.intersil.com/cda/home/)生产的1.4GHz电流反馈放大器。
EL5166组成的放大器增益为1时,带宽为1.4GHz;增益为2时,带宽为800MHz。EL5166的工作电压为5~12V,工作电流为8.5mA。
转换速率6000V/μs,噪音为1.5nV/\(\sqrt{Hz}\),工作温度为-40℃~85℃。EL5166有6引脚SOT-23和8引脚SO两种封装形式,引脚排列如图1所示。

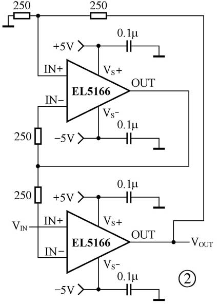
由于EL5166性能优异,故用于视频放大器、同轴电缆驱动器、RGB放大器、测试设备和仪表以及电流-电压转换器中均有不俗的表现。EL5166组成的高速放大器电路如图2所示。

EL5166还具有使能功能,通过控制使能控制端CE__的电平高低,即可控制输出信号的有无。在使能功能启动时,电流降低至13μA。
高效白色LED驱动器LTC3205
LTC3205是凌特公司(网址:http://www.linear.com.cn/)生产的一款多显示LED驱动器。LTC3205是一种低噪声、高效的升压/降压电荷泵,能给1~4个主白光LED以及1~2个次白光LED或者RGB彩色LED显示器供电。LTC3205使用3线串口进行单独的调暗和编程,可对每一个显示器实施数字控制。
LTC3205采用4mm×4mm QFN微型封装,引脚排列如图3所示。

LTC3205的输入电压为2.7~4.5V,非常适用于单节锂电池供电的电路中,不用电感器即可获得高达92%的效率,无信号电流仅为50μA,可以明显地延长电池的使用时间。
LTC3205内部的电荷泵可以根据输入电压和LED的正向电压状态来优化效率。主、次、RGB显示器的最大电流由单只电阻设定。LED的电流由内部电流源控制,所有显示器的调暗和开关通过3线串口控制。主次LED显示器有4种亮度状态,RGB LED显示器通过内部PWM脉冲可获得16种亮度状态以及4096种色彩组合。在启动和模式切换时,该器件还可防止浪涌电流和额外输入噪声。
LTC3205外部仅需要4个小容量电容和2个电阻就可构成微型的DC-DC变换器,同时为3个显示器LED供电。LTC3205的典型应用电路如图4所示。

三段触摸调光电路LG8150
LG8150是珞珈海泰微电子技术有限公司(网址:http://www.asic.net.cn/index.htm)生产的一款3段触摸调光电路。
用LG8150组成的调光灯具有3种亮度状态,手每触摸一次调光感应电极(通常为灯罩),灯光亮度就变化一次,其亮度循环变化为:关闭→微亮→中亮→最亮→关闭。
LG8150有DIP8和SOP8两种封装形式,外形如图5所示。由于LG8150具有灵敏度高、无需机械式开关、外围电路简单、在110V/60Hz以及220V/50Hz下均可以使用等特点,故在很多高档调光灯中均有应用。

LG8150在供电电压为220V/50Hz时的应用电路如图6所示。

(编者注:以上器件的详细参数见本期配刊光盘的“本期元器件资料”文件夹)