投影机在关闭后,其散热风扇仍然要继续运转,将投影机内部积存的热量散发出去,以避免投影机损坏,这样在关闭投影机后还需要继续为散热风扇供电,这个过程一般要2分钟左右。在使用中本人经常发现有的使用者或是不懂或是没有耐心等下去,在关闭投影机后立即切断投影机的电源,严重影响了投影机的使用寿命。为此,笔者设计了一个投影机延时断电保护器,该保护器在开机时可立即向投影机供电,而关机时可延时供电,到达预定时间会自动断电,达到保护投影机的效果。
原理图见图1。当双联开关S1闭合后,继电器K1闭合,使三极管VT导通,继电器K2闭合,向投影机供电。当S1断开,继电器K1立即断开,这时C3经R放电使VT继续导通,直至C3放电完毕,K2断开,停止向投影机供电并切断变换器自身的电源。

制作时,变压器可使用成品变压器;C3的大小决定了延迟时间的长短,当C3的电容为1000μF,延时约150s,为增加延迟时间,可适当增加C2的大小;继电器可选用小型的9V继电器,但K2的触点要能够承受3A以上的220V交流电流。
使用时,先闭合变换器的开关,再打开投影机;停用时,要先关闭投影机,当确认投影机灯泡已经关闭后,再关闭保护器的开关,这时保护器自动进行延时断电保护。
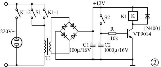
如果将图1的电路进行简化,就成了如图2所示的电路。这时投影机开机的步骤是:闭合S1和S2,打开投影机。投影机的关机步骤是:关闭投影机,关闭S2,关闭S1。

(李同强)