接近开关的优点是非接触式检测,无机械碰撞和磨损,动作速度高,可直接与电子电路连接,安全可靠寿命长。但若使用不当,不但这些优点得不到发挥,甚至会出现各种问题。
接近开关是一个开关元件,它只相当于一个ON/OFF接点。可以用它做限位、定位、方向、速度、计数、安全告警等检测和控制工作。它的输出电流为几百毫安,只能驱动小功率的负载。
接近开关在连接负载之前,应先了解负载的特性。前面已介绍过,如白炽灯、电动机和容性负载在接通电源的瞬间都会有比正常工作电流大几倍甚至十几倍的冲击浪涌电流。尽管接近开关内部也有保护措施,但因为受体积限制,保护元器件的功率不大,抗干扰能力有限。因此在用于这一类负载时,接近开关的负载电流值必须减额使用,必要时需在外部加接保护电路。比较好的办法是用接近开关的输出去控制中间继电器、固态继电器或大功率电子电路,作间接驱动。
可编程控制器(PLC)和工业控制计算机已被广泛应用在各个工业控制领域。它们的开关量输入单元就能接受接近开关输出的开关信号。
PLC和工控计算机品种繁多,它们的开关量输入单元的电路都采用光电耦合器隔离输入的方法,但具体电路却各有差异。有的输入单元能为接近开关提供直流电源;有的则不提供。有的在光耦器的输入端已串入负载电阻和限流电阻;有的则是把光耦器的输入直接引到输入单元输入端上的简单电路。大部分输入单元都有电源极性的要求;有的则正负极可以任意连接。
因此,在把PLC或工控机与接近开关连接之前,应该先搞清楚它们的输入单元的电路结构和电参数的要求,然后确定选用什么样的接近开关:是用直流电源还是交流电源,是2线式还是3线式,是NPN型还是PNP型,是接通型还是分断型等。只有在反输入、被输入两方面的情况都搞清楚,才能确定接近开关的类型并决定电路的接法。
下面以直流3线式为例介绍几种接法。
此例PLC内部有负载电阻R1和限流电阻R2,并提供+24V电源。因此选用集电极开路输出、NPN型、接通(常开)型接近开关。见图1。
接近开关不动作时,输出晶体管VT0截止,“输出”端为高电平。PLC输入单元中光耦器的发光二极管不导通,光耦器输出“0”电平,LED灯不亮。
接近开关动作时,VT0饱和导通,“输出”端为低电平。PLC内光耦器中发光二极管导通,光耦器输出“1”电平,LED灯点亮。
这种输入单元内部R1、R2的值都已按24V电源设计好,接上接近开关就能满足电参数要求。因此可以直接连接,十分方便。
此例中PLC不提供电源。接近开关要用外接电源。因为用的是集电极开路输出型电路,而PLC输入单元又不提供负载电阻,接近开关动作时,输出管VT0没有通路不会饱和导通,所以要在外部加接一个负载电阻RL,一般都取4.7kΩ到十几千欧之间。见图2。
一般情况下,如电源电压取值正确,PLC内部的输入电阻Ri会使输入电流限定在参数规定范围内。如不符合要求,可调整电源电压或在“OUT”和“IN”之间串入电阻进行调整。
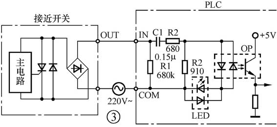
此例中PLC输入用的是交流输入单元,规定输入电源电压为200~240V、AC、50/60Hz,输入电流10mA(200V AC时)。因此可以用交流2线式接近开关,外接220V市电。见图3。
此例中PLC输入单元内光耦器和LED中都用2个反向并联的发光二极管,所以可以使用交流电源。接近开关用的是接通(常开)型。接近开关未检测到金属时,输出晶闸管处于阻断状态,相当于接点处于分断状态。但整流桥仍有很小电流维持内部电路工作。PLC的输入单元因得不到需要的电流值,光耦器和LED中发光二极管都不亮,光耦器输出“0”电平,LED灯不亮。当接近开关检测到金属时,输出晶闸管导通,相当于接点闭合,于是PLC的光耦和LED中发光二极管导通,光耦器有“1”电平输出,LED灯点亮。
这种机型的直流输入单元中,光耦和LED中用的也是2个反向并联的发光二极管,没有交流耦合电容C1。所以在连接输入元件时,正负极性可以任意连接,比较方便。
(4) 工控计算机与接近开关的连接
此例中工控计算机为IBM PC-XT/AT兼容机。图4右侧为其PI-32L输入模板。左侧是直流3线式、NPN型、集电极开路输出的接近开关。需外接24V DC电源,输入电流约10mA。
接近开关不动作时,输出管VT0截止,工控计算机输入模板中光耦器不工作,LED灯不亮。接近开关动作时,VT0饱和导通,输入模板中光耦器发光二极管导通,光电二极管也导通,光耦器输出经反相器后输出“1”电平,同时LED灯点亮。
3.接近开关的保护电路
接近开关的使用现场存在着各种电磁干扰。从负载来的干扰。如白炽灯、电动机、容性负载在接通电源的瞬间会产生浪涌电流。继电器和接触器线圈等电感性负载在断开电源的瞬间会产生很高的反电势,其数值可能远高于输出晶体管的反向击穿电压值而把它击穿。
从电源进入的干扰也是层出不穷。电力系统的短路故障,大容量变压器的通断操作,大功率电机、电器、接触器、开关等的通断操作,大功率晶闸管的导通和截止,还有雷击和雷电在线路上的感应等,都会产生瞬态浪涌电压电流或成串的干扰脉冲,造成损失。
还有外部空间辐射干扰。各种无线电波,工业电子设备、医疗设备、调光设备、家用电器、电动工具,乃至日光灯和节能灯的劣质电子镇流器都会产生射频骚扰。它们大多通过电源线、信号线进入电气、电子设备,少量以辐射形式通过设备外壳进入电气、电子设备。当它们的射频频率正好落在接近开关振荡电路的频率范围内时,就会造成干扰,使接近开关产生误动作。
为了对付干扰,接近开关内部已采取了多种保护措施,如反极性保护、抗短路过载保护、抗浪涌电流保护等。但由于受到体积和成本的限制,保护性能和容量都是有限的。体积大的接近开关保护功能和性能较为完善,而体积小的保护功能和性能就少些、差些,有的甚至还没有保护功能。
为此,用户在使用接近开关前应该先审视安装现场有无干扰源。首先是尽量避免在有较强干扰源的场合使用,其次是一定要按照说明书中规定的要求进行安装。如接近开关的电源线、信号线必须和高压线、动力线分开,加屏蔽和可靠地接地等。下面介绍几种接近开关的保护电路。
(1) 反向极性保护电路
为了防止接线时将电源极性接错,接近开关内部一般都有一只反极性保护二极管。见图5中的VD1。如果电源极性接反,接近开关不能工作。
(2) 电感负载反电势抑制电路
在继电器、接触器线圈等电感负载两端反向并联一个续流二极管VD3,可以释放电源断开时线圈产生的反电势。见图9。二极管的负载电流要足够大,反向耐压峰值至少要比电源电压大3倍。但这样做会使继电器的释放时间加长。因此对操作频率要求较高的接近开关可在线圈两端并联一个电阻与二极管串联的吸收回路,效果可有改善,见图5。
除此之外,也可采用在线圈两端并联压敏电阻或反向并联单向瞬态电压抑制二极管(TVS)。
(3) 浪涌电压电流抑制电路
接近开关内部晶体管的输出端一般都并联一个稳压二极管VD2,见图5,用来抑制浪涌电压电流。但限于体积,它的功率容量不会太大。
如果发现接近开关内部没有这个稳压管或现场有较大浪涌干扰,可以在接近开关外部的“输出”和“地”两端再并联一个40V以上、1A以上的稳压管,见图6。也可以采用并联压敏电阻或反向并联单向瞬态电压抑制二极管(TVS)的方法。
(4) 噪声干扰抑制电路
继电器、接触器线圈在通断操作时会产生单个干扰脉冲,而接点的弹跳会产生一串干扰脉冲。它们可能通过电源线、信号线进入电气、电子设备形成干扰。我们把这种干扰称为噪声干扰。
与PLC相连接的电压输出型接近开关内部输出晶体管的输出端有一个反向并联的二极管VD2,就是用于抑制噪声干扰、保护PLC输入单元的。如果接近开关内部没有此二极管,可在外部加上。如果噪声干扰较为严重,也可以并联一个RC吸收回路,见图7。
有时我们看到在继电器线圈两端也并联有这种电路。它们的功能同样是抑制噪声干扰,只是这时需要保护的是继电器和接触器而已。
(5) 3线错接保护电路
在最新的集成化接近开关芯片上,增加了3线错接保护电路。它是将一只反极性保护二极管VD1增加到3只,见图8。它能保证接近开关的3根线都不接错。如果接错,接近开关的内部电路和负载都因为得不到电源、没有通路而拒绝工作。
4.接近开关的电压降
接近开关本身的电压降U\(_{d}\),规定直流3线式为3.5V以下。实际上都只有1~2V。但是在增加了各种保护电路以后,有的产品可能会超过3.5V,甚至达到5V。因此当在电源电压较低、电源线较长时就要注意接近开关的电压降问题。例如用12V直流电源,驱动12V直流继电器。继电器的激励电压大约是10V上下,正常情况下应该不会有问题。但当电源线较长,电源线上压降较大,接近开关的电压降也较大时,可能会发生继电器吸合不稳或不能吸合的现象。
直流2线式接近开关的电压降U\(_{d}\)更大,可以高达7V,更须注意。
交流2线式接近开关的电压降U\(_{d}\)更高,可以超过10V,但因为它们一般都使用220V市电,所以仍能正常工作。
5.接近开关的准备延时时间
接近开关从接通电源到能正常动作的时间间隔称为准备延时或起始时间,也称前置时间、响应时间。也就是说接近开关不可能接上电源就能立即工作,总是会有一段滞后的时间。技术标准规定准备延时时间不大于300ms,实际产品一般都在几十毫秒到100ms之间。
因此,当使用操作频率较高的接近开关与PLC等连接时,在操作时一定要先接通接近开关的电源,再接PLC等控制装置的电源,以免漏检控制信号。
6.接近开关的安装与维护
(1) 安装非埋入式接近开关时应注意附近不能有金属等阻尼材料。如实在不可避免,则应使用埋入式。或者按说明书要求严格保持至少3Sn的间距。
(2) 电容式接近开关都有一个多圈螺旋电位器,可以对动作距离进行微调。安装好后必须按说明书要求进行调整才能取得最佳效果。电容式接近开关的检测物一定要可靠接地。
(3) 由于种种原因,例如现场使用着大量不符合EMC标准的陈旧设备或劣质的电子设备,或者有产生射频干扰的设备,如焊接机、电火花加工机床、高频加热炉、塑料热压机等,或是现场其他设备安装施工不规范、连接不正确、屏蔽接地不良等,这时电磁干扰将不可避免。
在这种情况下,我们可以从电源安装上采取一些措施:①将接近开关的电源线、信号线分开,分别穿入铁管,铁管外皮接地。②电源输入端加高频滤波器。③电源输入端加瞬态电压抑制二极管(TVS)以抑制浪涌电压电流。交流电源并联双向TVS;直流电源反向并联单向TVS。
也可以从安装位置上采取一些措施:①因为接近开关内部振荡电路中有磁性元件,所以可以用改变安装位置或旋转一个角度的方法,总能找到一个干扰较弱的位置或角度。②塑料外壳的接近开关可加装金属屏蔽盒,屏蔽盒要可靠接地,但这会减小原来的动作距离,需要重新调整。以上两种方法对磁干扰和射频干扰都有效。
(4) 定期检查维护:①检查接近开关的位置有无偏移、松动。②检查连接线有无松动,接触是否良好。③检查电缆的连接处,特别是屏蔽层的连接是否良好。因为经过长时间机械的、潮湿的影响,连接处的屏蔽性能会下降。④清洗接近开关的感应面,不使它沾有金属粉末或颗粒。⑤复检接近开关的动作距离。如有变化应重新调整。
(于鹤飞)




