在电子制作与维修的过程中,如果有一台性能良好,功能全面的信号源会大大提高工作效率。本人设计制作的这款数显多波形信号源是用数显频率计和信号发生器的电路组合而成,可获得三种常用的波形,频率调节范围大,波形失真小,制作简单,价格低廉,使用方便。
本信号源设计为数字显示频率,其频率可调范围是1Hz~100kHz,分挡输出则为:1~10Hz、10~100Hz、100~1kHz、1~10kHz、10~100kHz。分辨率为1Hz,6位数码管显示。三种波形(即方波、三角波、正弦波)对称输出,波形失真在1%以下。输出特性:正弦波幅度为V+/5、阻抗约为2kΩ;方波的幅度近似等于V+,阻抗约为1kΩ;三角波幅度为V+/3,阻抗约为2kΩ。
一、电路原理
电路原理图如图1所示。由图可见,本表由四部分组成,左面是一个频率计的电路,右面是一个单片精密函数波形发生器电路,上方是显示面板电路,下方是一个常用的双电源电路。本文只着重介绍信号源的工作原理。

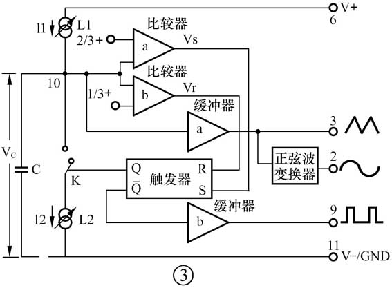
信号源核心电路是ICL8038,它是美国英特西尔(Intersil)公司生产的单片精密函数发生器集成电路,它具有频率范围宽(0.001~300kHz)、频率稳定度高(频率温漂仅为50ppm/℃)、外围电路简单、易于制作等优点,国产的型号为5G8038。它的工作电压范围宽,使用单电源供电时为+12~ +30V,使用双电源时为±6~±15V,工作电流约为15mA。ICL8038是采用14脚双列直插式封装,管脚的排列见图2,内部方框图如图3所示。其芯片内部包括恒流源L1、L2。电压比较器a、b,模拟开关K,RS触发器,两个缓冲器及正弦波变换器。C是外接振荡电容,如要构成固定频率的信号发生器可将⑦、⑧两脚短接。

ICL8038在工作时先假定L1、L2的恒流值分别为I1和I2,并且I1=I,I2=2I。当触发器的Q=0时,模拟开关K断开,这时L2没有加入工作,仅有L1向C充电,电容上的压降Vc沿直线上升,当Vc=2/3V+时,比较器a输出高电平,Vs=1,将触发器置1,Q=1使模拟开关接通,L2被接入电路,L1、L2虽然都在工作,但是L1是对C正向充电,L2是对C反向充电(这相当于C在放电),由于L1=I、L2=2I,所以当K接通时,Vc是沿直线下降的,当Vc=1/3V+时,比较器b输出高电平,将触发器置零,这时模拟开关K断开,L2又不起作用,只是L1对C正向充电。如此反复进行下去就形成了振荡。在C的两端就会产生三角波,从缓冲器a输出,触发器的Q端可产生占空比为50%的方波,并通过缓冲器b输出,正弦波的形成是由正弦波转换器将三角波的上下两个尖峰变得平滑,形成比较理想的正弦波。以上说明是在L2=2I的状态下,C的充电放电时间相同,在实际的应用中若使L2=2I,并且C的充电时间远远大于放电时间,那三角波就会变成锯齿波,方波则为窄脉冲(也就是脉冲宽度可调的方波)。
2.信号源电路工作原理
K1是一个两刀三位的转换开关,一个刀是用来选择你所需要的波形,另一个刀是接通发光二极管用来表示不同的波形(如用红色代表方波,绿色是三角波,黄色为正弦波),k1-1的输出一路通过R21送到输出插座,R21是防止外线短路时损坏芯片而设的。另一路经R20送到频率计电路,由于频率计的电路与信号源的电路用不同的电压,信号源输出的信号电压幅值有可能大于频率计的工作电压,造成频率计电路的损坏,R20、VD8、VD9就是为了保护频率计的输入门电路,将信号源的信号电压限制在12V以内。C6的作用是隔离正弦波的直流分量。ICL8038的方波输出脚的内部是集电极开路输出,相当于OC门。所以要用一个电阻(R22)接在V+与脚之间才能形成方波输出。RP1、RP2用来调整正弦波的失真大小及波形的对称性。R25、R26、RP3是调整波形的占空比。k2是选择外接振荡电容的,与RP4配合可调节输出信号的频率。k2为粗选,RP4为细调。电源电路是一般常用的双电源电路,由变压器降压,二极管桥式整流,桥式电容滤波,集成块三端稳压电路组成,电压输出为双15V,电流大于0.5A。
二、元件的选择
在制作的过程中,外接的振荡电容C7~C11要选用高频瓷片电容和钽电容,电阻使用1/4W的金属膜电阻,电位器均要用线性电位器,RP4要使用绕线电位器。电源变压器要用有屏蔽层的或另做一个电源盒。整个电路可也做在两块板子上(显示板50mm×120mm、主板50mm×80mm)。
三、表笔的制作
一块好的表也要配上一副好的表笔,本信号发生器的表笔可以自制,找一根0.5m的单芯带屏蔽层导线,红色万用表笔一只,莲花插头一个(要与信号发生器上的插座相配套即可),鳄鱼夹黑色一只,软导线一根。先将单芯带屏蔽层导线的一头焊接在莲花插头上,再将另一头的芯线焊在万用表笔芯上,在万用表笔的下部打一个眼,把软导线穿进去焊在导线的屏蔽层上,软导线的另一头焊在鳄鱼夹上,然后用热熔胶将其封住,即做成一副好用的表笔。
四、调整与使用方法
印制板电路如图4所示,电源电路如图5所示。全部的元件安装完毕后,认真检查无误才可通电调试。首先调试频率计电路部分,在调试时,先断开R20,用一个0.1μF瓷片电容跨接在IC4的与IC5的⑤脚之间,微调C3使数码管显示1024,频率计电路部分即被调好。这时接上R20,调节RP4和K2将一定频率的方波信号输出到示波器,调节RP3使输出方波信号的占空比为50%,并用磁漆将RP3封住,然后转换K1使信号发生器输出正弦波信号,调节RP1、RP2使输出的正弦波信号的上下对称,波形失真小,只要细心调节RP1、RP2,可以把失真调到小于0.1%。到此整个电路调整结束(以上的调试方法不可反向),再配上一个合适的外壳,本信号发生器即可投入使用。
(邹义政)
