MM1336DA是一块单片放音集成电路,在爱华公司生产的普及型TA系列机型中应用较广泛,如爱华TA143、TA145、TA153、TA157、TA163、TA171、TA173等。
MM1336DA集成电路除具有一般立体声放音机集成电路所具有的双声道前置磁头放大器,后级耳机驱动的双功率放大器功能外,还将直流电机稳速电路也集成在同一芯片上,故该集成电路包含了立体声放音机的全部功能。
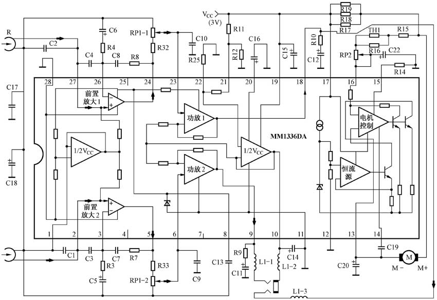
MM1336DA集成块采用28脚双列扁平贴片式封装,其内电路方框图如附图所示,各引脚功能及数据如附表所示。

2. MM1336DA主要电参数
MM1336DA集成电路使用电源电压范围为1.8~5V,其典型工作电压为3V;静态电流为17mA左右;谐波失真为0.05%;输入阻抗为23kΩ左右;前级闭环增益为42dB左右;在3V电压,RL=32Ω、THD=10%条件下,每个声道输出功率Po=29mW。
3. MM1336DA主要特点
MM1336DA集成电路具有:功耗小、噪声低、前置电路不用输入耦合电容,功放不用输出耦合电容,采用OCL形式的放大电路,故输出功率强劲、动态范围宽、音乐背景清晰。由于磁头地、电源地、耳塞地各自独立,从而也减少了前后级之间的干扰噪声,使音质更纯。
4.电路工作原理
MM1336DA集成电路的典型应用如附图所示。该图为基本电路,爱华随身听有的机型还在⑤脚与⑥脚、与间接有音效处理电路,如:重低音提升,100Hz、1kHz、10kHz三段音调均衡调节等电路。
(1) 前置放大电路
磁头拾取的信号从MM1336DA的②、输入至前置放大器2与1,经放大后从⑤、输出。C1、C2为磁头高频提升补偿电容。C5~C8、R7、R3、R4、R8为负反馈元件,用于对放音低频信号进行补偿。
(2) 功放电路
从⑤、输出的信号经音量调节后从⑥、输入至功放2与1,放大后的信号从⑨、输出,驱动立体声耳机发声。
MM1336DA的信号输出端采用直流输出方式,这种无耦合电容的全直流DC音响系统,把音频瞬态互调失真后的谐波、相位失真降低到了最低的程度,故频响相当好,解析力出色,音质好,营造的音场及声像定位较真实和稳定。
(3) 电机稳速电路
MM1336DA的为直流电机速度调节端;为电机提供控制电压。该电压的变化受集成电路内部电机控制电路的控制。调节RP2的值可改变电机的转速。
5.故障检修提示
MM1336DA的⑥、为关键点,检修放音无声故障时,可从这两个引脚注入干扰信号。如无声,则说明故障在功放电路;反之,则故障在放音前置放大电路。对于某一声道放音无声,可采用对比测量法来查找故障原因。内为电机稳速电路,这部分电路异常会导致放音变调或电机不转,若一时无MM1336DA可换,可断开原,另用一块稳速IC组成的电路代替损坏的部分。
(孙余凯 吴鸣山)
