编者按:
随着彩电技术的不断发展,彩电中的保护电路也不断改进,由开始的分立元件构成的局部保护电路,逐步向小信号处理电路和微处理器保护电路发展,特别是近几年出现的I 2C总线系统的保护电路,使保护电路延伸到彩电的各个被控电路,即便是由分立元件组成的保护电路,也在逐渐完善,保护检测的部位几乎覆盖了电视机的各个单元电路。当电视机发生故障时,大多进入保护状态,维修时看不到由故障电路引起的真实故障现象,只是看到保护后的故障现象,无法根据故障现象正确判断故障部位,给准确、快速维修造成困难。为此,从本期开始本刊请孙德印和孙铁刚老师,以彩电中分立元件构成的保护电路、微处理器中断口保护电路、总线系统保护电路、小信号处理电路保护电路、开关电源保护电路为思路,探讨各种保护电路的特点和维修方法。8
彩电中的保护电路大多由分立元件构成,尤其是故障检测电路更是如此,因此,了解分立元件保护电路的原理,是维修保护电路的基础。
电 路 构 成
彩电的保护电路的电路结构大多如图1所示,由故障检测电路、保护执行电路、保护被控电路三部分构成。故障检测电路对被检测的电压或电流进行检测,当被检测的电压或电流超过设定值时,检测电路的电压发生变化,将检测结果送往保护执行电路,保护执行电路的工作状态发生翻转,迫使保护被控电路相应的电路停止工作或进入相应的保护状态。

故障检测电路一般分为过流检测、过压检测、欠压、失压检测电路。
彩电中的过流检测电路如图2所示,它主要有:行输出电路过流检测电路,场输出电路过流检测电路,开关管过流检测电路,束电流过流检测电路等。
行输出电路过流检测电路和场输出电路过流检测电路如图2(a)所示。电阻Ra1为过流检测取样电阻,正常时行、场输出电路的电流流过该电阻产生的电压降较小,不足以使PNP检测三极管VTa导通,VTa处于截止状态,集电极无电压输出。当行、场输出电路发生短路、漏电等故障,造成行、场电流增加,使流过取样电阻Ra1的电压降增加到0.6~0.7V时,通过偏置电阻Ra2使三极管VTa由截止状态进入导通状态,其集电极有控制电压输出,该电压经隔离降压电阻Ra3送入保护执行电路,保护执行电路进入保护状态。图中的a点(检测管VTa的集电极)是该电路是否进入保护状态的测试点,正常时为低电平0V,检测到过流故障时变为高电平。
开关管过流检测电路如图2(b)所示。电阻Re为开关管VTk发射极电阻,也是过流检测取样电阻,三极管VTb是过流检测管。正常时开关管VTk的电流流过Re电阻产生的电压降较小,不足以使三极管VTb导通,VTb处于截止状态,对开关电源不产生影响。当开关电源或负载电路发生短路、漏电等故障,造成开关管VTk电流增加,使流过取样电阻Re的电压降增加到0.6~0.7V时,三极管VTb由截止状态进入导通状态,将开关管VTk的基极电压对地短路,迫使开关管停振,进入保护状态。
束电流过大保护电路,如图2(c) 所示。图中的Rc1和Rc2为显像管束电流电路中的分压电阻,c点为束电流取样点,通过降压隔离电阻Rc3送入保护执行电路。一般Rc1阻值较大(100~200k),接到+B电源或其他低压电源上,Rc2的阻值较小(10~20k),当束电流正常时,c点的电压在设定的正常范围内变化(一般在-10~+12V变化,根据机型和电路而不同),保护执行电路不启动。当显像管束电流过大时,在Rc1上的电压降增加,使c点的电压下降,超过正常变化范围时,c点的电压经隔离电阻Rc3使保护执行电路启动,进入保护状态。c点的电压为该故障检测电路的测试点。
彩电中的过压检测电路如图3所示,有:低压过压检测电路、高压过压检测电路。
低压过压检测电路如图3(a)、(b)、(c)、(d)所示。图3(a)、(b)采用NPN三极管作为检测管,图3(c)、(d)采用晶闸管作为检测管。由于所检测的电压较低,大多通过稳压二极管和限流电阻对被检测的电路进行检测,图中的VD1为取样基准二极管,R1为限流电阻,VT为检测管(三极管或晶闸管)。被检测电压正常时,低于基准稳压管VD1的稳压值,稳压管VD1截止,检测管VT也截止,对电路不产生影响。当被检测的电压高于基准稳压管VD1的稳压值时,基准稳压管VD1击穿,通过限流电阻R1将电压加到检测三极管VT的基极或晶闸管VT的控制极,检测管VT由截止变为导通。图3(a)、(c)正常时输出端为低电平,检测到过压故障时输出高电平;图3(b)、(d)正常时输出端为高电平,检测到过压故障时输出低电平。故障检测电路输出电压通过隔离电阻R3送入保护执行电路,图中的a点为过压检测电路的测试点。
高压过压检测电路大多如图3(e)、(f)所示。由于所检测的电压较高,大多采用分压电路R4、R5对所检测的电压进行分压后,将b点的电压送入检测电路,其检测电路与低压过压检测电路相同,也有部分机型用稳压二极管R2M直接接到电源输出的+B电压与地之间,当电源电压升高,超过R2M的稳压值时,稳压管击穿,造成+B电压对地短路,电源输出电流剧增,迫使电源电路进入过流保护或停振状态。
(3) 欠压、失压检测电路
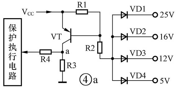
欠压、失压检测电路如图4所示。图4(a)为多路电压欠压、失压检测电路,二极管VD1、VD2、VD3、VD4为检测与隔离二极管,其负极分别接到各路被检测的电源电路中,正极均通过R2接到PNP检测管VT的基极,当被检测的电源电压正常时,检测隔离二极管均反偏截止,检测管VT基极为高电位,也截止,其集电极无电压输出。当被检测电源发生开路造成失去电压或负载电路短路造成电压过低,其相应的检测隔离二极管导通,将检测管VT的基极电压拉低,检测管VT导通,集电极有电压输出,通过隔离电阻R4将电压加到保护执行电路,进入保护状态。图中的a点为欠压、失压检测电路的测试点。
图4(b)为单路电压欠压、失压检测电路,大多用到电压较高的被检测电路中,被检测电压通过R5、R6分压电路,接到PNP检测管VT的基极。被检测电压正常时,R6上端电压高于检测管的发射极电压,检测管VT截止,当被检测电源发生开路造成失去电压或负载电路短路造成电压过低时,R6上端电压降低,通过R2使检测管基极电压低于发射极电压,检测管VT导通,其导通后的集电极电压通过隔离电阻R4,将电压加到保护执行电路,进入保护状态。
(4) 脉冲丢失检测电路
脉冲丢失检测电路如图5所示。当行扫描电路或场扫描电路发生故障时,就会无行、场脉冲输出。电容器C通过分压电路或降压电阻接行、场输出端,对行、场输出的脉冲进行监测,正常时不断有行、场脉冲通过C和R1输入到三极管VT的基极,VT处于脉冲放大状态。当行场扫描电路发生故障停止工作时,无脉冲送入VT的基极,VT处于截止状态,该状态电压经隔离电阻R3送入保护执行电路,进入保护状态。
2.保护执行电路
保护执行电路大多由三极管、晶闸管或模拟晶闸管电路组成,有的保护执行电路还兼作故障检测管。多数保护执行电路在正常时三极管或晶闸管截止,进入保护时三极管或晶闸管导通,个别的保护执行电路在正常时三极管或晶闸管导通,保护时截止。
(1) 三极管保护执行电路
由三极管组成的保护执行电路如图6(a)、(b) 所示,图6(a)为NPN三极管VT组成的保护执行电路,正常时其基极为低电平,三极管截止;进入保护状态时,基极变为高电平,三极管VT导通,进入保护状态。图6(b)为由PNP三极管VT组成的保护执行电路,正常时其基极为高电平,三极管VT截止;进入保护状态时,基极变为低电平,三极管VT导通,进入保护状态。
(2) 晶闸管保护执行电路
由晶闸管组成的保护执行电路如图6(c)、(d) 所示。正常时晶闸管VT控制极为低电平,晶闸管VT截止;进入保护状态时,控制极变为高电平,晶闸管VT导通,进入保护状态。 图6(c)执行保护时输出高电平、图6(d)执行保护时输出低电平。
(3) 模拟晶闸管组成的保护执行电路
模拟晶闸管组成的保护执行电路如图6(e)、(f)所示。由一个NPN三极管VT1和一个PNP三极管VT2构成,每个三极管的基极通过电阻分别接到另一个三极管的集电极。图6(e)为高电平进入保护状态,故障检测电路接到NPN三极管VT1的基极,正常工作时,VT1的基极为低电平,VT1、VT2均截止,执行保护时,故障检测电路送入高电平,VT1导通,其集电极电流通过R5将VT2基极电位拉低,VT2正偏导通,其集电极输出高电平,一方面通过R2为VT1基极提供正向电压,维持导通状态,另一方面通过R6输出控制电平,对被控电路实施控制。图6(f)为低电平进入保护状态,故障检测电路接到PNP三极管的基极,正常工作时,VT2 的基极为高电平,VT1、VT2均截止,执行保护时,故障检测电路送入低电平,VT2 导通,其集电极电流通过R2 为VT1 基极提供正向电流,VT1正偏导通,其集电极输出低电平,一方面通过R5为VT2基极提供正向电压,维持导通状态,另一方面通过R6输出控制电平,对被控电路实施控制。
保护执行电路主要有以下途径,一是保护执行电路与关机或待机电路相连接,进入保护时,迫使整机进入待机或关机状态;二是保护执行电路与行振荡或相关电路相连接,在进入保护时,切断行振荡、行输出级电源,或迫使行振荡电路停振;三是保护执行电路与亮度控制电路相连接,特别是束电流过流保护电路,在进入保护时,关闭亮度通道,变为黑屏幕。
检 修 技 巧
保护电路引发的故障主要分为二类,一类是被检测电路发生故障,如被检测的行、场扫描电路发生短路、漏电、电压升高,显像管束电流过大等,故障检测电路将检测结果送到保护执行电路,保护执行电路迫使保护被控电路进入保护状态;另一类是故障检测或保护执行电路发生短路、漏电、元件变质故障,如检测取样电阻、分压电阻变质,检测稳压二极管稳压值改变,三极管、二极管漏电等,保护执行电路引起被控电路误入保护状态。
检修时首先确定是否进入保护状态,如果进入保护状态,要对该机的保护电路,作全面的分析和了解。掌握保护电路的工作原理和主要测试点,便于区分是被检测的电路故障引起保护电路动作,还是保护电路本身元件变质损坏造成误保护。一般可通过三个途径确定故障范围。一是通过观察保护前的故障现象,确定是否进入保护状态;二是通过测量电压或电阻的方法,进一步判断是否保护和由哪路故障检测电路引起的保护,再对相应的被检测电路进行检测,找到故障元件;三是设法解除保护状态,看到真实的故障现象,根据真实的故障现象,对故障范围做出判断,再对其故障范围内的元件进行检测。三个途径可单独使用,也可兼用。
1.观察故障现象,判断是否保护
(1) 从开机瞬间的故障现象 确定是否进入保护状态
从开机到保护,要经历从电压建立,各电路进入工作状态,故障检测电路检测到故障,保护电路执行保护的过程,往往出现开机后开关电源有电压输出,行场扫描电路工作,然后又停止工作的故障现象。如果有指示灯显示功能,其指示灯往往发生变色、闪烁等故障报警显示。如果出现上述故障现象,可初步判断电视机进入保护状态。根据经验,如果开机瞬间高压建立的声音比正常时大,荧光屏产生的静电比正常时强,甚至手接近荧光屏有汗毛被荧光屏吸引和凉飕飕的感觉,然后停止工作,一般这是由于电源电压过高或行逆程电容器开路引起的过压保护。如果开机后光栅暗淡,高压建立的声音较正常时小,然后停机,多为欠压或过流保护。
(2) 从保护后的故障现象 判断故障范围
由于进入保护状态时,看不到由故障电路引起的真实故障现象,只是看到保护后的故障现象,根据机型和保护电路的差异,进入保护状态的故障现象也不相同:保护执行电路与关机或待机电路相连接,进入保护时的故障现象与电源故障和待机状态相同;保护执行电路与行振荡或相关电路相连接,进入保护时的故障现象与行振荡、行输出级故障相同;保护电路与亮度控制电路相连接,进入保护时的故障现象与亮度通道故障相同。根据保护后的故障现象,可大致判断是哪路保护电路进入保护状态。
2.测量关键点电压,确定故障范围
所谓关键点就是能体现保护电路动作时电压变化的测试点。一是测量保护执行元件的控制端电压,如:采用晶闸管检测电路的晶闸管控制极电压,正常时为0V低电平,检测到故障时变为高电平0.7V;采用三极管检测的发射结电压,正常时为截止状态0V,检测到故障时变为导通状态的0.7V。 二是测量故障检测电路的输出电压,如:过流检测三极管集电极的输出端电压,正常时为0V低电平,检测到故障时为高电平;失压、欠压检测二极管两端电压,正常时负极电压高于正极电压,为截止状态,检测到故障时变为正偏导通等。
测量关键点电压,一是抓住开机后、保护前的瞬间,测量关键点电压变化,二是进入保护状态后,测量关键点电压,三是退出保护状态或强行开机后测量关键点电压。根据关键点电压的变化,判断是哪路检测电路进入保护状态,确定故障范围。
3.解除保护,观察故障现象
解除保护状态前题是:电源和行输出电路无明显短路、漏电故障,而且电源电路工作正常,输出电压不应过高。为了稳妥,可分几步进行:第一步:测量行输出管的对地电阻,判断行输出电路是否存在严重直流短路现象,一般应大于6k以上。如果小于6k首先应排除行扫描电路的短路故障;第二步:断开行输出电路,在+B电压输出端接假负载,退出保护状态后,检测开关电源的输出电压,如果电压不正常,先排除开关电源的故障;第三步:输出电压正常后,再拆除假负载,恢复行输出电路,进行下一步检修。
解除保护状态可在故障检测电路和保护执行电路采取措施:
(1) 从故障检测电路采取措施,解除保护状态
从各路故障检测电路的输出端采取措施有开路和短路两种方法:一是逐个断开故障检测电路输出端与保护执行电路控制端的连接;二是如果各路故障检测电路的输出端与保护执行电路的输入端有隔离电阻的话,还可逐个将故障检测电路输出电压对地短路。采取开路或短路方法后,开机观察是否退出保护状态。如果开路或短路哪路故障检测输出端与保护执行电路控制端的连接,保护电路退出保护状态,则故障发生在该故障检测电路中。如果退出保护后,声光图均正常,则是故障检测电路本身引起的误保护。如果退出保护后,发生光栅、图像、伴音故障,则是被检测的电路发生故障,进入保护状态。这种方法的好处是,便于区分是由哪路故障检测电路引起的保护。
(2) 从保护执行电路采取措施,解除保护状态
从保护执行电路的输入端或输出端采取措施也有开路和短路两种方法。开路法一是断开保护执行电路输入端与故障检测电路输出端的连接,如断开保护三极管的基极、保护晶闸管的控制极;二是断开保护执行电路的输出端与被控电路的输入端的连接,如断开保护三极管的集电极或晶闸管的阳极,也可将保护三极管或晶闸管拆除。短路法是将保护三极管的基极与发射极短路、将保护晶闸管的控制极与地短路等。采取开路或短路方法后,开机观察是否退出保护状态。如果开路或短路保护执行电路后,保护电路退出保护状态,则故障发生在保护电路中。如果退出保护状态后,声光图均正常,则是保护电路本身引起的误保护。如果退出保护状态后,发生光栅、图像、伴音故障,则是被检测的电路发生故障,进入保护状态。这种方法不容易区分是由哪路故障检测电路引起的保护。
(孙德印 孙铁刚)


