本文介绍一款利用TX05D型红外线传感器设计的无机械接触、自动计数器。
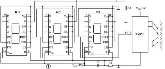
无触点自动计数器的电路如图1所示。其核心部件是TX05D型传感器与四合一器件CL102。
接通电源,TX05D型传感器内部红外线发光二极管向外发射频率约40kHz的调制红外线。当被测物体进入有效检测区域内时,红外线被反射回一部分,经与发光管同向并排安装的光敏三极管接收,并转换成同频率的电信号后,由TX05D传感器内部进行一系列放大、解调、整形、比较处理,最后从OUT端输出高电平信号。
从OUT端输出的信号直接作用于IC1(CL102)的输入端(CL端),由于每位都是逢十进位,故它们的进位可直接由低位JW向高位输出。因JW输出的是下降沿脉冲信号,故必须与高一位的下降沿计数输入端(EN端)相连且输入端CL接地。IC3(CL102)BI接地,灭零输出端RBO接至低电位的灭零控制端RBI,以将不需要显示的信号消隐。电容C与电阻R1实现上电复位功能,电阻R2用于控制显示器的亮度。
由于本电路耗电量低,所用直流电源可用电池,也可由市电经变压、整流、滤波、稳压后获得,只是在电路中多设计与安装一个简单的电源电路即可。
TX05D型红外线传感器实质上是一种“一体化”红外线发射、接收器件,它内部包含了红外线发射、接收及信号放大与处理电路,能够以非接触形式检测出前方一定范围内的物体,并转换成高电平信号输出。TX05D的全部电路焊装在尺寸约为46.5mm×32mm×17mm(不包括安装支架)的塑料小盒内。盒侧面设有一个红色发光二极管和一个灵敏度调节孔。红色发光二极管用来指示开关工作状态(平时熄灭,有反射物时发光)。灵敏度调节孔用来调节反射监测距离:顺时针调反射监测距离增大,逆时针调反射监测距离缩小。TX05D共有三根外接线,通过长约2m的双芯屏蔽线引出,其红线接电源正极,黑线接电源负极,白线为信号输出端(OUT)。白线静态时输出低电平,有反射物时输出高电平。实际应用时,如模块引出线太短,可用相同的双芯屏蔽线进行加长。TX05D的主要参数如下:工作电压范围为5~12V,对应工作电流为5~15mA,对应最大监测距离范围为30~120cm。当工作电压为12V时,输出端最大灌电流≥50mA、最大输出电流≥3mA。
CL102是一种光电组合器件,又称为四合一器件,它集计数、寄存、BCD码输出、译码、驱动、显示等多功能于一体的CMOS集成电路。其引脚和结构框图如图2所示。
R1取100kΩ的1/8W碳膜电阻器,R2取150Ω的1/8W碳膜电阻器,C取510pF的瓷介电容器。
三、安装与调试
除TX05D传感器外,其余元器件可焊装在一个体积合适的绝缘材料小盒内。盒面板开设显示孔,以便读数,盒测面开孔引入TX05D自带的2m长屏蔽线。安装时,使TX05D型传感器的探测面对准被测物体,将TX05D的灵敏度调节旋钮顺时针调至最大,即能获得最大探测距离。如果显示器的亮度太亮或太暗,可通过改变R2的大小来调节。由于电路元件很少,只要TX05D型传感器的位置安装合适即可正常运行。
(李川)

